电脑桌面
添加小米粒文库到电脑桌面
安装后可以在桌面快捷访问

燃气工程主要施工机具

燃气工程主要施工机具_第1页
1/12
燃气工程主要施工机具_第2页
2/12
燃气工程主要施工机具_第3页
3/12
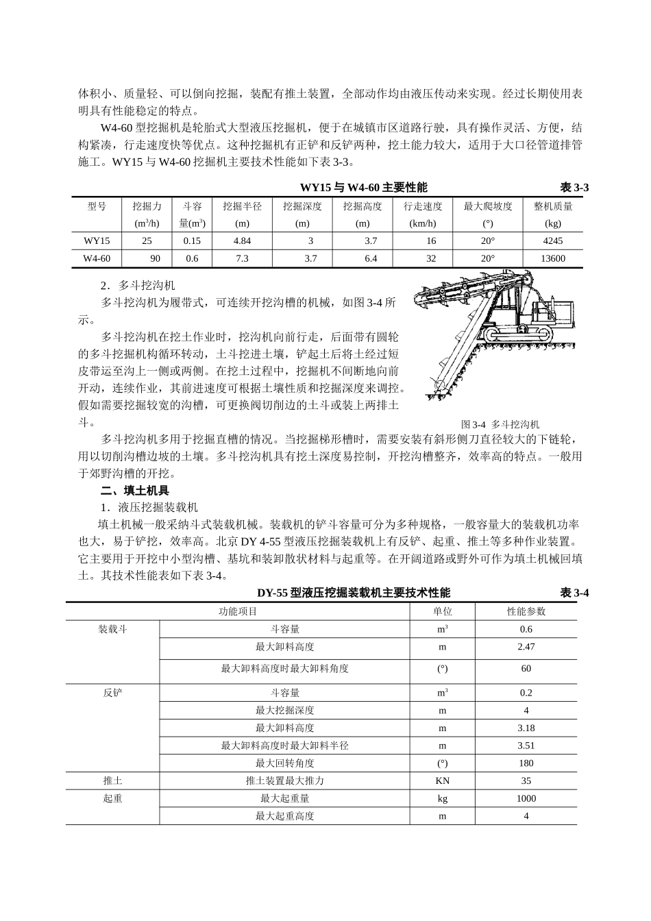
燃气工程主要施工机具第一节 破路工程主要设备城市燃气管道管沟土方工程主要包括:路面开挖、沟槽支撑、回填土等内容,与一般的管沟土方工程基本相同。用于这方面的机具有自制的专用设备,但大多是通用产品。在选用设备时要选择适用性强、维修方便、性能稳定、质量可靠的机具。破路机械主要有:路面破裂机、移动式柴油空气压缩机、内燃凿岩机等。一、路面破裂机路面破裂机是目前破路工程的主要机具之一,它对开挖混凝土路面、沥青路面均有良好的功效。韩国生产 SB 系列路面破裂锤如图 3-1 所示。该产品采纳单纯的油压回路,使用最佳设计方法,使用最少量的部件制造而成,具有配件数量少,故障少的特点,提高了工作效率。破裂锤底部使用耐磨高强度钢板制作,提高了破裂锤的耐久性及寿命。路面破裂机的动力部分可采纳柴油机或电动机。柴油路面破裂机可以自行行驶,机动性能好,且不受电源限制。电动路面破裂机结构简单,制造、维修费用低,但使用时需要电源,不能自行行走,使用范围受到一定影响。柴油路面破裂机的柴油机为通用产品,可采纳 285 型高速柴油机。285 型高速柴油机技术性能如下表 3-1。 285 型高速柴油机技术性能 表 3-1名称型式缸径(mm)活塞冲程(mm)压缩比标准转速(r/min)持续功率(KW)冲击次数(次/分)升起高度(m)性能四冲程8510020:12200~300012~1516~222.2~2.3二、柴油空气压缩机移动式柴油空气压缩机利用压缩空气带动风镐开掘路面,对于多层路面、破碴路、三合土路均有较好的效果。该机操作灵活方便,不受施工场所的限制,适应性强。但风镐操作劳动强度高、噪音大,在某些场所使用时受到一定限制。柴油空气压缩机规格较多,常用的有 3m3/min、6 m3/min、9 m3/min 等规格。目前常用的 6m3/min移动式柴油空气压缩机技术性能如下表 3-2。6m3/min 移动式柴油空气压缩机技术性能 表 3-2名称排气量(m3/min)排气压力(Pa)柴油机型式功率(KW)调速形式传动方式性能668.6×1044135K44多速调节器控制调节通过离合器直接传动6m3/min 空气压缩机可以带动风镐三把。移动式柴油压缩机在牵引动输时,要注意安全,车辆拖图 3-1 路面破裂锤动时车速不宜过快,一般≤30km/h,以防转弯、刹车时发生翻车事故。三、凿岩机凿岩机具有灵活方便等特点,一般用于开挖样洞和开凿少量路面。凿岩机有定型产品供应,浙江开山集团生产的 YO18 型凿岩机如图 3-2 所示。其主要性能如下:机重:18kg机长:550mm缸径×行程(mm):58×45工...

1、当您付费下载文档后,您只拥有了使用权限,并不意味着购买了版权,文档只能用于自身使用,不得用于其他商业用途(如 [转卖]进行直接盈利或[编辑后售卖]进行间接盈利)。
2、本站所有内容均由合作方或网友上传,本站不对文档的完整性、权威性及其观点立场正确性做任何保证或承诺!文档内容仅供研究参考,付费前请自行鉴别。
3、如文档内容存在违规,或者侵犯商业秘密、侵犯著作权等,请点击“违规举报”。

碎片内容

燃气工程主要施工机具

您可能关注的文档

一二三四传媒+ 关注
实名认证
内容提供者

大量资料供您选择,没有合适的可以联系小二。

确认删除?
VIP
微信客服
  • 扫码咨询
会员Q群
  • 会员专属群点击这里加入QQ群
客服邮箱
回到顶部