电脑桌面
添加小米粒文库到电脑桌面
安装后可以在桌面快捷访问

猎德大桥振动台试验简介

猎德大桥振动台试验简介_第1页
1/10
猎德大桥振动台试验简介_第2页
2/10
猎德大桥振动台试验简介_第3页
3/10
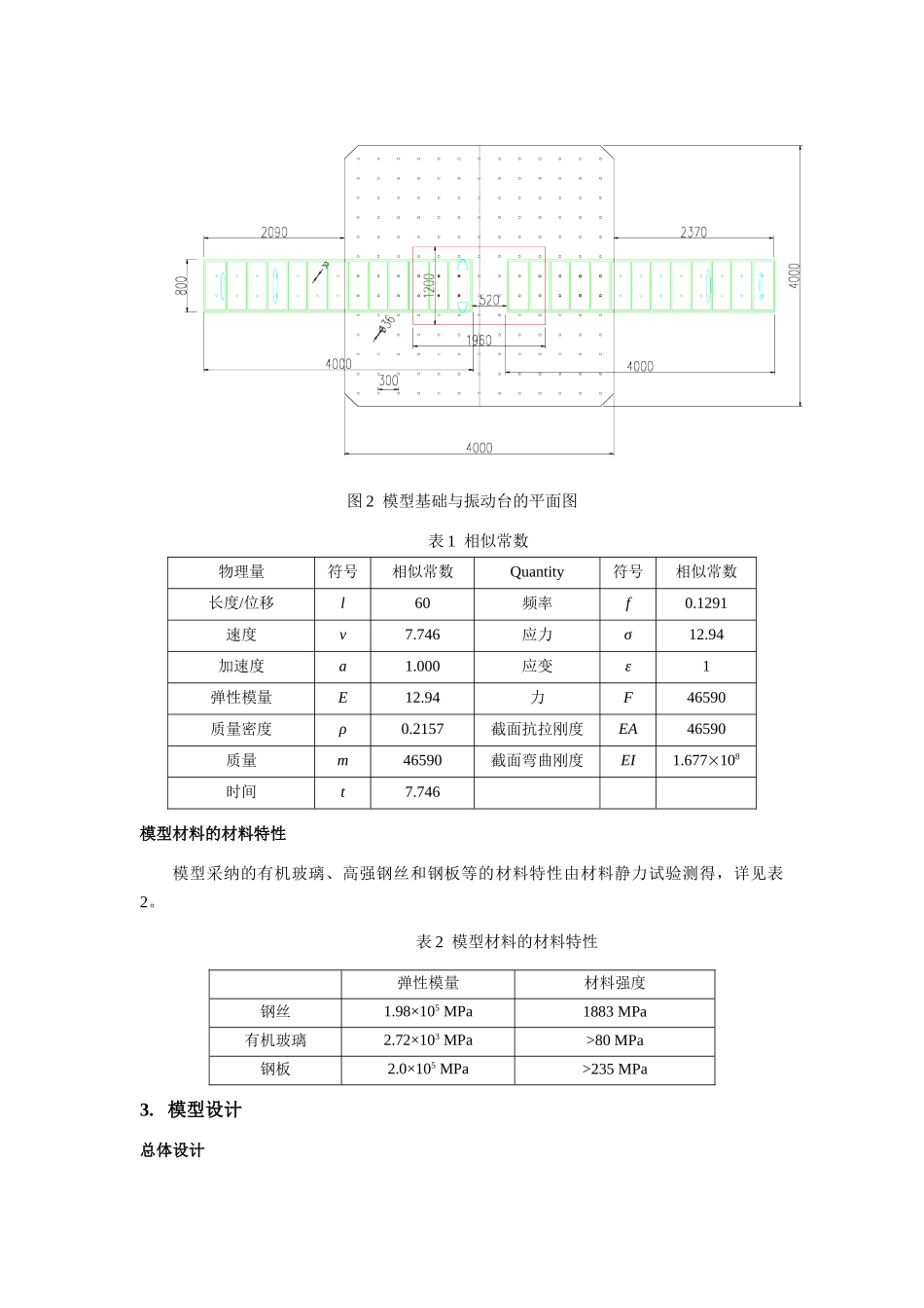
猎德大桥振动台试验简介摘要:本文设计、制作了一个小比例悬索桥模型,并进行了模态测试和振动台试验。主塔与桥墩采纳有机玻璃制作;主梁采纳钢板;主缆与吊杆采纳高强钢丝。设计了一个钢平台安装固定在振动台上,以延伸其至 8 米长。根据力-变形相似关系设计并制作力模型粘滞阻尼器。试验目的为:(1)寻找主塔塔身应力分布的规律;(2)验证数值计算;(3)验证阻尼器效果。通过自由振动方法测得了模态频率与模态阻尼。在振动台试验中,采纳了人工波和 El-Centro 波。关键词:悬索桥;相似关系;模型设计;阻尼器;振动台试验引 言近些年来,国内外的中等跨径桥梁常常采纳自锚式悬索桥桥型,其中有些处于强震地区,并且出于美观要求设计成特别的外形。由于此类桥型比较新颖独特,设计者们往往对其抗震性能的把握缺少经验,因此有必要进行专门的抗震试验,以探寻结构抗震特性并验证数值计算模型的正确性。本文描述了一个自锚式悬索桥的小比例模型振动台试验。此前的振动台试验大都仅就桥梁的某些构件进行,例如桥墩等。仅有少数论文涉及小比例桥梁模型等动力试验。Sethia 等人将自振频率等计算值与试验值作了对比,但其试验值是从一个仅符合静力规则的模型得来的[1]。Godden 和 Aslam 构建了一个特别形式钢桥的小比例三维动力模型并对比了计算与试验值,结果理想,但该桥采纳的是比较特别的主缆地锚式设计[2]。Garevski 等人 performed 对一座典型的斜拉桥,京都桥,进行了共振讨论试验。模型设计同时满足静力与动力规则,并且动力与静力的计算结果与试验能较好地吻合但 Garevski 等人没有对他们对模型进行地震动力试验[3]。本文中,猎德大桥(自锚式悬索桥)设计了同时满足静力与动力规则的小比例三维动力模型,进行了自由振动试验和振动台试验。振动台试验输入了白噪声、简谐波和地震波并将试验结果与计算结果进行了对比。试验了液体粘滞阻尼器减小地震位移反应的效果,以及地震非一致激励的影响。猎德大桥振动台试验的目的有:(1)寻找主塔塔身应力分布的规律;(2)验证数值计算;(3)验证阻尼器到效果。1. 猎德大桥简介猎德大桥是一座跨越珠江的单塔自锚式悬索桥,属于广州市新光快速路。结构见图 1所示。其主桥共四跨,从 5 号墩至 9 号墩,主梁连续。两个主跨分别为 167m 与 219m,两个副跨均为 47m。主跨(6 号墩至 8 号墩)钢箱梁,边跨为预应力混凝土箱梁。四个桥墩墩顶设滑动支座,塔梁无联结,主塔于主...

1、当您付费下载文档后,您只拥有了使用权限,并不意味着购买了版权,文档只能用于自身使用,不得用于其他商业用途(如 [转卖]进行直接盈利或[编辑后售卖]进行间接盈利)。
2、本站所有内容均由合作方或网友上传,本站不对文档的完整性、权威性及其观点立场正确性做任何保证或承诺!文档内容仅供研究参考,付费前请自行鉴别。
3、如文档内容存在违规,或者侵犯商业秘密、侵犯著作权等,请点击“违规举报”。

碎片内容

猎德大桥振动台试验简介

您可能关注的文档

确认删除?
VIP
微信客服
  • 扫码咨询
会员Q群
  • 会员专属群点击这里加入QQ群
客服邮箱
回到顶部