电脑桌面
添加小米粒文库到电脑桌面
安装后可以在桌面快捷访问

电力变压器安装质量管理-secret

电力变压器安装质量管理-secret_第1页
1/11
电力变压器安装质量管理-secret_第2页
2/11
电力变压器安装质量管理-secret_第3页
3/11
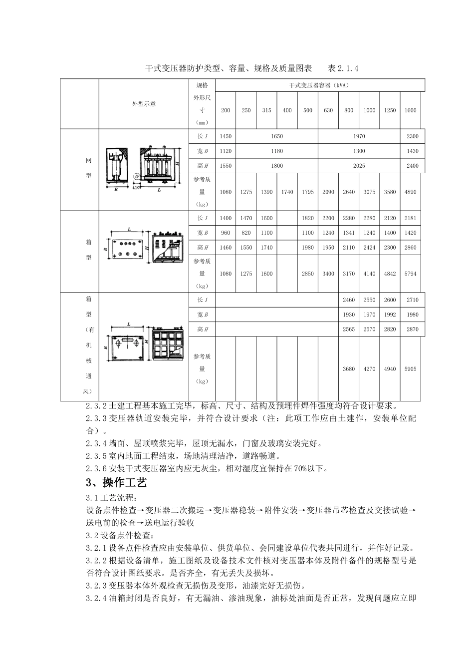
电力变压器安装质量管理依据标准:《建筑工程施工质量验收统一标准》GB50300-2001《建筑电气工程施工质量验收法律规范》GB50303-20251、范围本工艺标准适用于一般工业与民用建筑电气安装工程 10kV 及以下室内变压器安装。2、施工准备2.1 设备及材料要求:2.1.1 变压器应装有铭牌。铭牌上应注明制造厂名、额定容量,一二次额定电压,电流,阻抗电压%及接线组别等技术数据。2.1.2 变压器的容量,规格及型号必须符合设计要求。附件、备件齐全,并有出厂合格证及技术文件。2.1.3 干式变压器的局放试验 PC 值及噪音测试器 dB(A)值应符合设计及标准要求。2.1.4 带有防护罩的干式变压器,防护罩与变压器的距离应符合标准的规定,不小于表 2.1.4的尺寸。2.1.5 型钢:各种规格型钢应符合设计要求,并无明显锈蚀。2.1.6 螺栓:除地脚螺栓及防震装置螺栓外,均应采纳镀锌螺栓,并配相应的平垫圈和弹簧垫。2.1.7 其它材料:蛇皮管,耐油塑料管,电焊条,防锈漆,调和漆及变压器油,均应符合设计要求,并有产品合格证。2.2 主要机具:2.2.1 搬运吊装机具:汽车吊,汽车,卷扬机,吊链,三步搭,道木,钢丝绳,带子绳,滚杠。2.2.2 安装机具:台钻,砂轮,电焊机,气焊工具,电锤,台虎钳,活扳子、鎯头,套丝板。2.2.3 测试器具:钢卷尺,钢板尺,水平,线坠,摇表,万用表,电桥及试验仪器。2.3 作业条件:2.3.1 施工图及技术资料齐全无误。干式变压器防护类型、容量、规格及质量图表表 2.1.4外型示意规格外形尺寸(mm)干式变压器容器(kVA)200250315400500630800100012501600网型长 11450165019702300宽 B1120118013001430高 H1550180020252400参考质量(kg)1080127513901740179520902640307535804890箱型长 1140014701600182022002280228021202181宽 B9608201100110012401341124014001420高 H146015501740198019502110242423002860参考质量(kg)108012751600285034003170414048425794箱型(有机械通风)长 12460255026002710宽 B1930197019921980高 H2565257028202870参考质量(kg)36804270494059052.3.2 土建工程基本施工完毕,标高、尺寸、结构及预埋件焊件强度均符合设计要求。2.3.3 变压器轨道安装完毕,并符合设计要求(注:此项工作应由土建作,安装单位配合)。2.3.4 墙面、屋顶喷浆完毕,屋顶无漏水,门窗及玻璃安装完好。2.3.5 室内地面工程结束,场地清理洁净,道路畅道。2.3.6 安装干式变压器室内应无...

1、当您付费下载文档后,您只拥有了使用权限,并不意味着购买了版权,文档只能用于自身使用,不得用于其他商业用途(如 [转卖]进行直接盈利或[编辑后售卖]进行间接盈利)。
2、本站所有内容均由合作方或网友上传,本站不对文档的完整性、权威性及其观点立场正确性做任何保证或承诺!文档内容仅供研究参考,付费前请自行鉴别。
3、如文档内容存在违规,或者侵犯商业秘密、侵犯著作权等,请点击“违规举报”。

碎片内容

电力变压器安装质量管理-secret

您可能关注的文档

确认删除?
VIP
微信客服
  • 扫码咨询
会员Q群
  • 会员专属群点击这里加入QQ群
客服邮箱
回到顶部