电脑桌面
添加小米粒文库到电脑桌面
安装后可以在桌面快捷访问

盖挖法工艺在上海某轨道交通站中的应用

盖挖法工艺在上海某轨道交通站中的应用_第1页
1/7
盖挖法工艺在上海某轨道交通站中的应用_第2页
2/7
盖挖法工艺在上海某轨道交通站中的应用_第3页
3/7
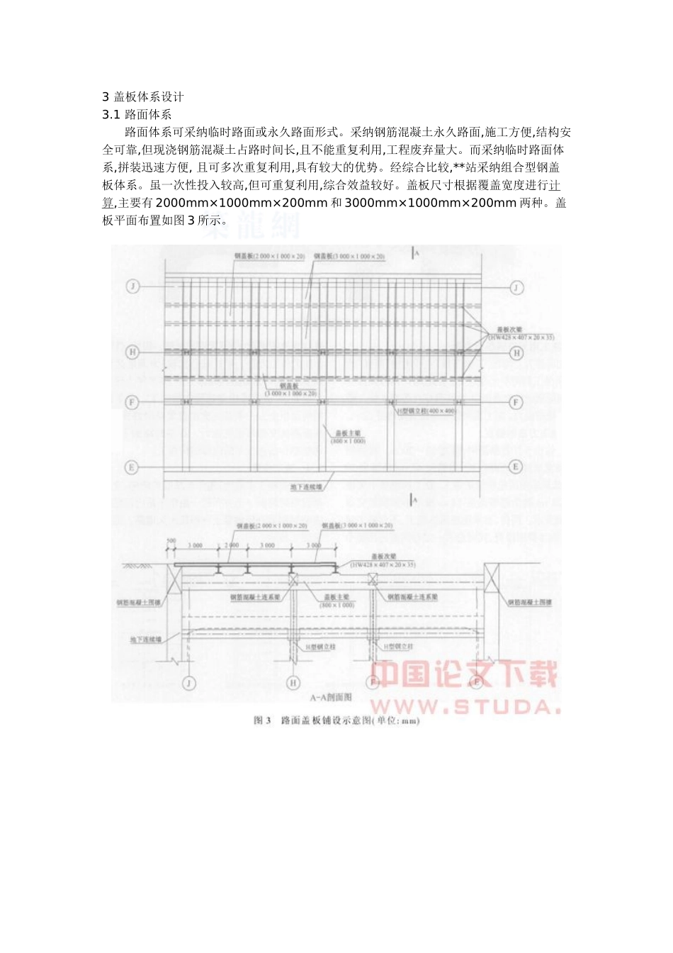
盖挖法施工在上海轨道交通**路站中的应用摘 要 目前越来越多的地铁车站修建于城市繁华地区和交通繁忙地段。盖挖法具有占路时间短,对地面交通影响小,可最大限度地减少对地面交通的干扰,又能在临时盖板下按明挖顺作法施工车站结构,保证了施工进度,现已成为国内外在交通繁忙的市中心区修建地铁车站的一种有效方法。介绍了盖挖法在上海轨道交通**路站的应用。关键词 地铁车站,盖挖法施工,临时路面 随着城市和城市轨道交通的飞速进展,越来越多的地铁车站修建于交通繁忙、建筑物密集、地下管线纵横交错的城市繁华地区和交通繁忙地段,使车站施工面临既要保证工期同时又不能对交通、环境产生太大影响的矛盾中。如何做到既能减少对地面交通和周围环境的影响,又能保证施工进度和预期的技术经济效益,已成为车站设计施工考虑的重点。 由于盖挖法具有施工方便、施工工期短、造价低、地面交通干扰少、有利于环境保护等诸多优越性,已成为当今国内外在交通繁忙的市中心区修建地铁车站实行的一种有效方法。例如,香港九广西铁荃湾西段明挖隧道施工时即采纳了钢制临时路面系统的盖挖顺筑法;日本的地铁车站施工时也多采纳盖挖法;深圳地铁 1 号线的科学馆站与华强路站也采纳了盖挖法施工。本文就盖挖法在上海轨道交通**路站中的应用状况作一介绍。1 工程概况 上海轨道交通**线是上海轨道交通网络中构成线网主要骨架的 4 条市域线之一,在网络中具有重要的地位。**站为**线北段一期工程的临时终点站,并与已建成的轨道交通 2 号线**路站通道换乘,是整个北段一期工程的控制性节点工程。车站位于**路、**交叉路口以北,沿**路南北向设置(见图 1),为地下三层岛式车站,站前设单渡线。车站净长 275.5m,净宽13.1~19.65m,标准段基坑开挖深度约 23.5m。 车站周边建(构)筑物主要有:南侧是已建成运营的 2 号线区间隧道,东侧是新建的 34 层高层住宅畅园及上海市**国际学校、上海市**女子中学西侧是 35kV**路变电站、混 6 建筑、安定坊 3 层风貌保护建筑、忠和坊混 5 建筑。其中,安定坊 3 层保护建筑距车站仅2.4m;35kV**路变电站和混 6 建筑距车站也仅 2.8m。2 盖挖法施工背景2.1 道路交通现状和道路拓宽情况 **车站主体结构位于**路上。**路为城市主干道,道路宽 24m,为 4 快 2 慢 6 车道;其道路规划拓宽红线宽度为 42m。根据现场勘查,**路车流密集,高峰时尤其突出,道路饱和度在0.8 左右,属交通密集型道路。 经与区规划部门协调,除了**路...

1、当您付费下载文档后,您只拥有了使用权限,并不意味着购买了版权,文档只能用于自身使用,不得用于其他商业用途(如 [转卖]进行直接盈利或[编辑后售卖]进行间接盈利)。
2、本站所有内容均由合作方或网友上传,本站不对文档的完整性、权威性及其观点立场正确性做任何保证或承诺!文档内容仅供研究参考,付费前请自行鉴别。
3、如文档内容存在违规,或者侵犯商业秘密、侵犯著作权等,请点击“违规举报”。

碎片内容

盖挖法工艺在上海某轨道交通站中的应用

确认删除?
VIP
微信客服
  • 扫码咨询
会员Q群
  • 会员专属群点击这里加入QQ群
客服邮箱
回到顶部