电脑桌面
添加小米粒文库到电脑桌面
安装后可以在桌面快捷访问

确保楼梯踏步混凝土施工一次成优汇报

确保楼梯踏步混凝土施工一次成优汇报_第1页
1/22
确保楼梯踏步混凝土施工一次成优汇报_第2页
2/22
确保楼梯踏步混凝土施工一次成优汇报_第3页
3/22
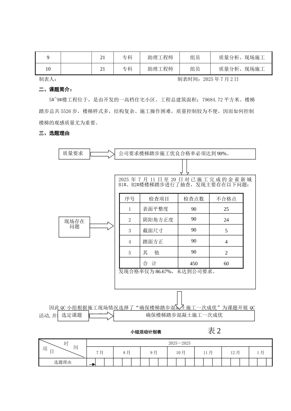
确保楼梯踏步混凝土施工一次成优有限公司 204 项目 QC 小组发布人:二 O 一五年三月前 言随着建筑技术的进展和社会的进步,建筑的审美性在人们心中的地位日益突出。楼梯是现代建筑中最具功能性的要素之一,是建筑中与人接触最普遍、最密切的建筑构件。它除了在功能上起到楼层之间的联系外,楼梯结构的复杂性,施工的困难性使楼梯在施工过程中很难保持其独特的艺术造型和坚实的结构。因此如何在建筑施工过程中保证楼梯的观感质量十分的重要。我小组在工程施工中,运用 QC 方法较好的解决了这一问题。一、小组概况:本 QC 小组由施工经验丰富的精英工程师和思维活跃具有高学历的技术骨干组成,小组成员名单及基本情况见表 1: 小组成员表 表 1QC 活动小组简介(1)小组名称集团有限公司 204 项目 QC 小组注册号课题类型攻关型课题名称确保楼梯踏步混凝土施工一次成优课题注册号小组成立时间2025.7.1活动时间2025.7—2025.2出勤频率平均 1 次/周出 勤 率100%培训情况本小组成员平均接受 TQM 和 ISO9001 系列知识培训 72 学时QC 活动小组简介(2)序号姓名年龄学历职称组内职务小组分工136专科工程师组 长全面负责230本科助理工程师副组长具体组织与实施329本科助理工程师副组长施工现场管理控制426本科助理工程师副组长施工现场管理控制525本科助理工程师组员质量分析、现场施工625专科助理工程师组员质量分析、现场施工726本科助理工程师组员质量分析、现场施工823专科助理工程师组员质量分析、现场施工921专科助理工程师组员质量分析、现场施工1021专科助理工程师组员质量分析、现场施工制表人: 制表时间:2025 年 7 月 2 日二、课题简介: 5#~9#楼工程位于,是由开发的一高档住宅小区。工程总建筑面积:79684.72 平方米。楼梯踏步总共 5526 步,楼梯样式多,结构复杂、施工操作困难,质量控制较为不便,因而如何控制楼梯的观感质量尤为重要。三、选题理由因此 QC 小组根据施工现场情况选择了“确保楼梯踏步混凝土施工一次成优”为课题开展 QC活动,并制定了活动计划(见表 2)。 小组活动计划表 表 22025—20257 月8 月9 月10 月11 月12 月1 月选题理由时间项 目质量要求公司要求楼梯踏步施工优良合格率必须达到 90%。现场存在问题2025 年 7 月 11 日 至 20 日 对 已 施 工 完 成 的 金 雀 新 城B1#、B2#楼楼梯踏步进行了抽查,发现主要存在以下问题:序号检查项目检查...

1、当您付费下载文档后,您只拥有了使用权限,并不意味着购买了版权,文档只能用于自身使用,不得用于其他商业用途(如 [转卖]进行直接盈利或[编辑后售卖]进行间接盈利)。
2、本站所有内容均由合作方或网友上传,本站不对文档的完整性、权威性及其观点立场正确性做任何保证或承诺!文档内容仅供研究参考,付费前请自行鉴别。
3、如文档内容存在违规,或者侵犯商业秘密、侵犯著作权等,请点击“违规举报”。

碎片内容

确保楼梯踏步混凝土施工一次成优汇报

不二商店+ 关注
实名认证
内容提供者

我是你的不二选择

相关文档

确认删除?
VIP
微信客服
  • 扫码咨询
会员Q群
  • 会员专属群点击这里加入QQ群
客服邮箱
回到顶部