电脑桌面
添加小米粒文库到电脑桌面
安装后可以在桌面快捷访问

第四-施工组织管理策划

第四-施工组织管理策划_第1页
1/3
第四-施工组织管理策划_第2页
2/3
第四-施工组织管理策划_第3页
3/3
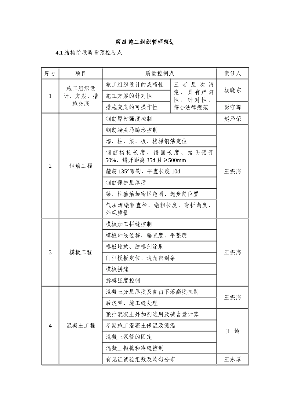
第四 施工组织管理策划4.1 结构阶段质量预控要点序号项目质量控制点责任人1施工组织设计、方案、措施交底施工组织设计的战略性三 者 层 次 清楚 、 具 有 严 肃性 、 针 对 性 、符合法律规范杨晓东施工方案的针对性措施交底的可操作性彭守辉2钢筋工程钢筋原材强度控制赵泽荣钢筋端头马蹄形控制王振海墙、柱、梁、板、楼梯钢筋定位钢 筋 搭 接 长 度 、 锚 固 长 度 、 接 头 错 开50%、错开距离 35d 且≥500mm箍筋 135°弯钩、平直长度 10d钢筋保护层厚度梁、柱箍筋加密区范围、起步筋位置气压焊镦粗直径、镦粗长度、弯折角度、外观质量3模板工程模板加工拼缝控制王振海模板轴线位移、垂直度、平整度模板堆放、脱模剂涂刷门框模板定位、边角密封条模板拼缝拆模强度控制4混凝土工程混凝土分层厚度及自由下落高度控制王振海后浇带、施工缝处理预拌混凝土外加剂选用及碱含量计算王 岭冬期施工混凝土保温及测温混凝土泵管的固定混凝土振捣和冷缝控制有见证试验组数及均匀分布王志厚5技术资料隐预检纪录分类及填写王振海质量评定中保证项目填写复试报告填写齐全、不得缺项王志厚按长城杯要求完成资料的收集整理刘善菊4.2 施工组织设计施工组织设计是指导工程施工的纲领性文件,具有施工战略部署和战术安排的双重作用,因此从八个方面进行编写---编制依据、工程概况、施工部署、施工准备、主要施工方法及技术措施、主要施工管理措施、主要经济技术指标、施工总平面布置---保证其科学性指导性和全面性。1、编制依据本工程的主要合同、施工图纸、需用的主要规程、法律规范、图集、标准、法规。2、工程概况总体概况、建筑概况、结构概况、专业概况、工程特点和难点。3、施工部署项目组织机构及职能分工、工程合同划分、施工部署原则、施工总进度控制、施工组织协调、主要项目工程量、主要劳动力计划。4、施工准备技术准备和生产准备。技术准备包括方案编制计划、试验计划、样板计划、科研开发项目、高程引测及定位;生产准备包括临水临电及道路围墙布置、生产性临时设施、材料进场计划、证件办理、扰民及民扰。5、主要施工方法及技术措施流水段划分、大型机械选择、主要分部分项工程施工工艺流程、主要施工方法(阐明原则,不进行展开)。6、主要施工管理措施保证工期措施、保证质量措施、保证安全措施、消防保卫措施、环保措施及文明施工、现场料具管理。7、主要经济技术指标各种目标、指标。8、施工总平面布置地下...

1、当您付费下载文档后,您只拥有了使用权限,并不意味着购买了版权,文档只能用于自身使用,不得用于其他商业用途(如 [转卖]进行直接盈利或[编辑后售卖]进行间接盈利)。
2、本站所有内容均由合作方或网友上传,本站不对文档的完整性、权威性及其观点立场正确性做任何保证或承诺!文档内容仅供研究参考,付费前请自行鉴别。
3、如文档内容存在违规,或者侵犯商业秘密、侵犯著作权等,请点击“违规举报”。

碎片内容

第四-施工组织管理策划

确认删除?
VIP
微信客服
  • 扫码咨询
会员Q群
  • 会员专属群点击这里加入QQ群
客服邮箱
回到顶部