电脑桌面
添加小米粒文库到电脑桌面
安装后可以在桌面快捷访问

管道工程定额解读

管道工程定额解读_第1页
1/12
管道工程定额解读_第2页
2/12
管道工程定额解读_第3页
3/12
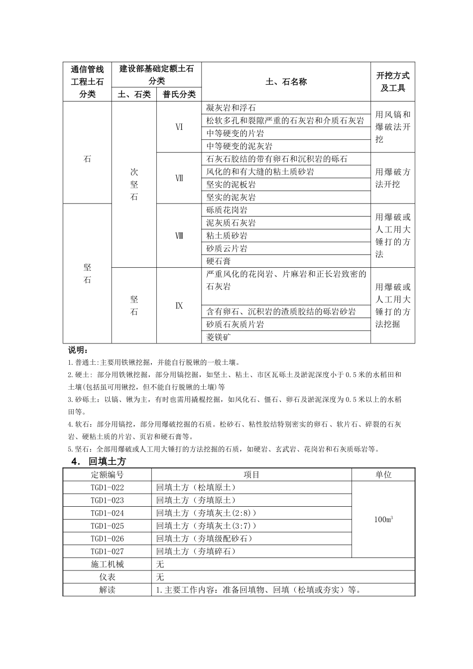
通信管道工程定额解读第一章 施工测量与挖、填管道沟及人孔坑1. 施工测量定额编号项目单位TGD1-001 施工测量km施工机械无仪表无解读1.主要工作内容包括:核对图纸、复查路由位置和人(手)孔及管道坐标与高程、定位放线、做标记等2.与 95 定额相比较,工程量计量单位由“100m”改为“km”。3.施工测量的长度为新建管道的路由长度。4.工日不分地形和土(石)质类别综合取定。2. 开挖路面定额编号项目单位TGD1-002~TGD1-005人工开挖混凝土路面100㎡TGD1-006~TGD1-009人工开挖柏油路面100㎡TGD1-010~TGD1-011人工开挖砂石路面100㎡TGD1-012人工开挖混凝土砌块路面100㎡TGD1-013人工开挖水泥花砖路面100㎡TGD1-014人工开挖条石路面100㎡施工机械混凝土和柏油路面需使用燃油式路面切割机、混凝土路面还需使用燃油式空气压缩机(含风镐)6m3/min仪表无解读1.主要工作内容包括:机械切割路面、开挖路面(含结构层)、渣土分类堆放在沟边不影响施工的适当地点等2.定额中不包含地上、地下障碍物处理的用工用料及破路占道、恢复路面需产生的费用,需由设计另行计列。3.混凝土、柏油及砂石路面的路面厚度需在现场勘察时通过相关方法测定。除可采纳路面厚度测试仪测定外,砂石路面的厚度可用挖坑法测定,沥青面层及水泥混凝土路面板的厚度宜用钻孔法测定。挖坑法需要使用的工具主要有:镐、铲、凿子、锤子、毛刷;钻孔法需要使用 的 工 具 主 要 有 : 取 样 用 路 面 芯 样 钻 机 及 钻 头 , 钻 头 直 径 50mm、100mm 或 150mm;使用的厚度测量工具主要有:钢卷尺、钢板尺、卡尺。3. 开挖管道沟及人(手)孔坑定额编号项目单位TGD1-015开挖管道沟及人(手)孔坑(普通土)100m3TGD1-016开挖管道沟及人(手)孔坑(硬土)TGD1-017开挖管道沟及人(手)孔坑(砂砾土)TGD1-018开挖管道沟及人(手)孔坑(软石)定额编号项目单位TGD1-019开挖管道沟及人(手)孔坑(坚石(人工))TGD1-020开挖管道沟及人(手)孔坑(坚石(爆破))TGD1-021开挖管道沟及人(手)孔坑(冻土)施工机械人工开挖软石和坚石需使用燃油式空气压缩机(含风镐)6m3/min仪表无解读1.按现场查勘后了解到的土质分别套用相应定额。通信管线工程土石的具体分类详见:表 3-12.开挖土方定额系按人工开挖计取;开挖石方定额按人工开挖结合爆破取定。3.在铺砌路面下开挖人(手)孔坑时,其沟(坑)土方量需减去开挖的路面铺砌物所占的体积。表 3-1:土石的分类通信...

1、当您付费下载文档后,您只拥有了使用权限,并不意味着购买了版权,文档只能用于自身使用,不得用于其他商业用途(如 [转卖]进行直接盈利或[编辑后售卖]进行间接盈利)。
2、本站所有内容均由合作方或网友上传,本站不对文档的完整性、权威性及其观点立场正确性做任何保证或承诺!文档内容仅供研究参考,付费前请自行鉴别。
3、如文档内容存在违规,或者侵犯商业秘密、侵犯著作权等,请点击“违规举报”。

碎片内容

管道工程定额解读

您可能关注的文档

确认删除?
VIP
微信客服
  • 扫码咨询
会员Q群
  • 会员专属群点击这里加入QQ群
客服邮箱
回到顶部