电脑桌面
添加小米粒文库到电脑桌面
安装后可以在桌面快捷访问

箱涵、2#闸门井施工组织设计

箱涵、2#闸门井施工组织设计_第1页
1/7
箱涵、2#闸门井施工组织设计_第2页
2/7
箱涵、2#闸门井施工组织设计_第3页
3/7
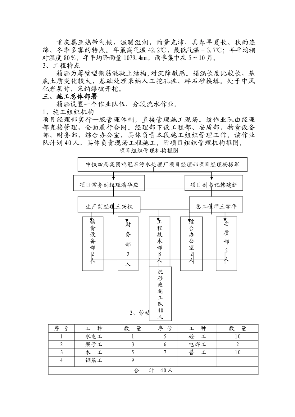
中铁四局重庆市鸡冠石污水处理厂一期工程箱涵、2#闸门井实施性施工组织设计编号: 编制: 审核: 审批: 中铁四局重庆市鸡冠石污水处理厂项目经理部2003 年 11 月 25 日目 录一、 编制依据‥………………………………………………………2二、 工程概括‥………………………………………………………2三、 施工总体部署‥…………………………………………………2四、 箱涵、2#闸门井施工顺序·……………………………………4五、 施工方案及施工方法‥…………………………………………5六、工程质量控制 ……………………………………………………6七、安全保证措施 ……………………………………………………7一、编制依据1、鸡冠石污水处理厂设计图纸和相关的施工法律规范;2、《鸡冠石污水处理厂总体实施性施工组织设计》和《施工调查报告》。二、工程概况1、工程简介鸡冠石泵站及预处理厂设计能力为日处理污水 60 万 m3,其场地位于重庆市南岸区鸡冠石镇辖区,南高北低,呈单向斜坡。主要箱涵:2500×2000 单孔箱涵、2000×2000 单孔箱涵、4000×2000 单孔箱涵、4000×2000 双孔箱涵。其中 2500×2000 单孔箱涵施工里程 K1+000~K1+217.75 , 连 接 沉 砂 池 A 、 B 、 C 的 2000×2000 单 孔 箱 涵 共22.5m,4000×2000单孔箱涵施工里程K2+000~K2+94.08,4000×2000 双孔箱涵施工里程 K3+000~K3+42.34。2#闸门井底板底标高 190.6m,顶板顶标高 212.2m。2#闸门井基础挖孔桩共 4根,2#闸门井与厂区防洪箱涵连接段箱涵共有 6 根挖孔桩。2、水文气象资料重庆属亚热带气候,温暖湿润,雨量充沛,具春早夏长、秋雨连绵、冬季多雾的特点。年最高气温 42.2℃,最低气温-3.7℃;年平均相对湿度 80%,年平均降雨量 1079.4mm,雨季集中在 5~10 月。3、工程特点箱涵为薄壁型钢筋混凝土结构,对沉降敏感。箱涵长度比较长,基底土质变化较大,基础处理采纳人工挖孔桩、碎石砂换填。处于中风化岩层时,采纳爆破开挖。三、施工总体部署箱涵设置一个作业队伍,分段流水作业。1、施工组织机构项目经理部实行一级管理体制,直接管理施工现场。该作业队由经理部直接管理,全面履行合同。经理部下设工程部、安质部、物资设备部、财务部、综合办公室,具体负责本段施工组织管理工作。该作业队计划 40 人,具体负责现场工程施工。附项目组织管理机构框图。项目组织管理机构框图 2、劳动力配备序 号工...

1、当您付费下载文档后,您只拥有了使用权限,并不意味着购买了版权,文档只能用于自身使用,不得用于其他商业用途(如 [转卖]进行直接盈利或[编辑后售卖]进行间接盈利)。
2、本站所有内容均由合作方或网友上传,本站不对文档的完整性、权威性及其观点立场正确性做任何保证或承诺!文档内容仅供研究参考,付费前请自行鉴别。
3、如文档内容存在违规,或者侵犯商业秘密、侵犯著作权等,请点击“违规举报”。

碎片内容

箱涵、2#闸门井施工组织设计

您可能关注的文档

确认删除?
VIP
微信客服
  • 扫码咨询
会员Q群
  • 会员专属群点击这里加入QQ群
客服邮箱
回到顶部