电脑桌面
添加小米粒文库到电脑桌面
安装后可以在桌面快捷访问

线缆敷设检验批质量验收记录

线缆敷设检验批质量验收记录_第1页
1/3
线缆敷设检验批质量验收记录_第2页
2/3
线缆敷设检验批质量验收记录_第3页
3/3
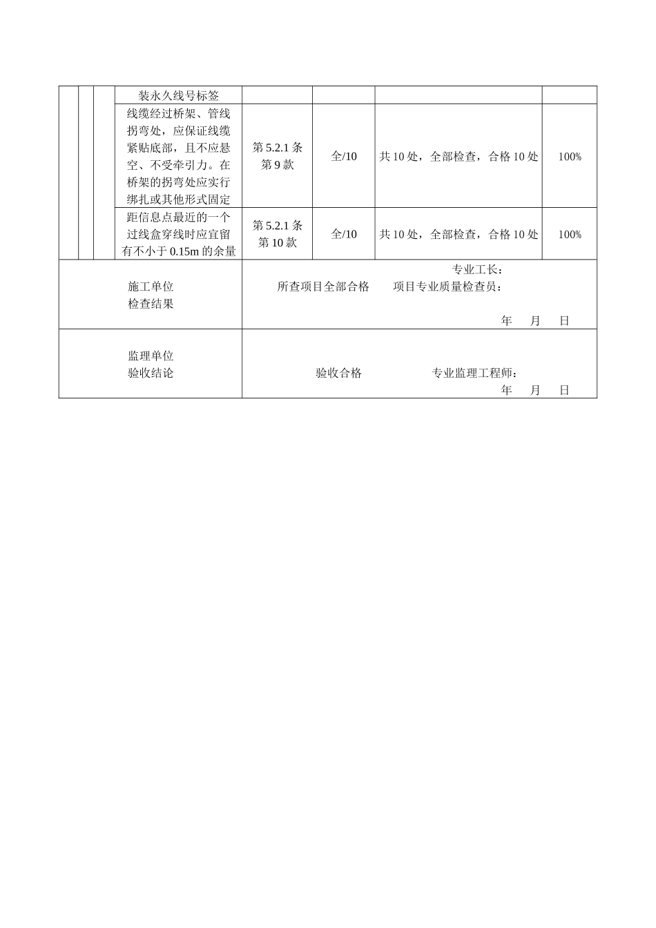
线缆敷设检验批质量验收记录 08030101 _____单位(子单位)工程名称智多星分部(子分部)工程名称智能建筑/用户电话交换系统分项工程名称线缆敷设施工单位智多星项目负责人欧玥旭检验批容量1 套分包单位/分包单位项目负责人/检验批部位首层 1~8/A~C 轴施工依据《智能建筑工程施工法律规范》GB50606-2025验收依据《智能建筑工程质量验收法律规范》GB50339-2025验收项目设计要求及法律规范规定最小/实际抽样数量检查记录检查结果主控项目1材料、器具、设备进场质量检测第 3.5.1 条/质量证明文件齐全,通过进场验收√2线缆两端应有防水、耐摩擦的永久性标签,标签书写应清楚、准确第 4.5.1 条第 3 款/检验合格,资料齐全√3报警线缆连接应在端子箱或分支盒内进行,导线连接应采纳可靠压接或焊接第 13.2.1 条第 2 款全/10共 10 处,全部检查,合格 10 处√4火灾自动报警系统的线缆应符合防火设计要求第 13.1.3 条第 3 款/检验合格,资料齐全√5火灾自动报警系统,按法律规范检查线缆的种类、电压等级第 13.1.3 条第 4 款/检验合格,资料齐全√一般项目1 桥架、线管内线缆间不应拧绞,线缆间不得有接头第 4.5.2 条第 7 款全/10共 10 处,全部检查,合格 10 处100%2 线缆的最小允许弯曲半径应符合国家标准规定第 4.4.3 条全/10共 10 处,全部检查,合格 10 处100%3线管出线口与设备接线端子之间,应采纳金属软管连接,金属软管长度不宜超过2m,不得将线裸露第 4.4.4 条全/10共 10 处,全部检查,合格 10 处100%4桥架内线缆应排列整齐,不得拧绞;在线缆进出桥架部位、转弯处应绑扎固定;垂直桥架内线缆绑扎固定点间隔不宜大于 1.5m第 4.4.5 条全/10共 10 处,全部检查,合格 10 处100%5 线缆穿越建筑物变形缝时应留置相适应的补偿余量第 4.4.6 条全/10共 10 处,全部检查,合格 10 处100%续表一般项目验收项目设计要求及法律规范规定最小/实际抽样数量检查记录检查结果6综合布线线缆布放应自然平直,不应受外力挤压和损伤第 5.2.1 条第 1 款全/10共 10 处,全部检查,合格 10 处100%线缆布放宜留不小于0.15m 余量第 5.2.1 条第 2 款全/10共 10 处,全部检查,合格 10 处100%从配线架引向工作区各信息端口 4 对对绞电缆的长度不应大于 90m第 5.2.1 条第 3 款全/10共 10 处,全部检查,合格 10 处100%线缆敷设拉力及其它保护措施应符合产品厂家的施工要求第 5....

1、当您付费下载文档后,您只拥有了使用权限,并不意味着购买了版权,文档只能用于自身使用,不得用于其他商业用途(如 [转卖]进行直接盈利或[编辑后售卖]进行间接盈利)。
2、本站所有内容均由合作方或网友上传,本站不对文档的完整性、权威性及其观点立场正确性做任何保证或承诺!文档内容仅供研究参考,付费前请自行鉴别。
3、如文档内容存在违规,或者侵犯商业秘密、侵犯著作权等,请点击“违规举报”。

碎片内容

线缆敷设检验批质量验收记录

您可能关注的文档

确认删除?
VIP
微信客服
  • 扫码咨询
会员Q群
  • 会员专属群点击这里加入QQ群
客服邮箱
回到顶部