电脑桌面
添加小米粒文库到电脑桌面
安装后可以在桌面快捷访问

车间主任作业流程HN-ZYLC-CJ-1

车间主任作业流程HN-ZYLC-CJ-1_第1页
1/2
车间主任作业流程HN-ZYLC-CJ-1_第2页
2/2
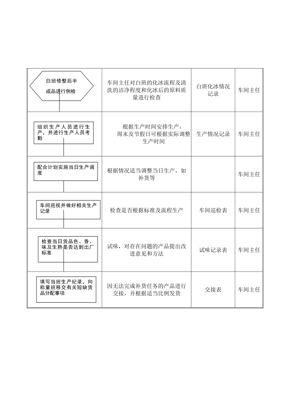
流程图说明相关记录部门人员版本修订历史记录序号修订内容修订人修订日期版本备注1车间主任工作流程图刘伯云2025.12.1A 版 车间主任对白班的化冰流程及清洗的洁净程度和化冰后的原料质量进行检查白班化冰情况记录车间主任 根据生产时间安排生产,周末及节假日可根据实际调整生产时间生产情况记录车间主任 根据情况适当调整当日生产,如补货等车间主任检查是否根据标准及流程生产车间巡检表车间主任试味,对存在问题的产品提出改进意见和方法试味记录表车间主任因无法完成补货任务的产品进行交接,并根据适当比例发货交接表车间主任白班修整后半成品进行例检组 织 生 产 人 员 进 行 生产,并进行生产人员考勤配合计划实施当日生产调度车间巡视并做好相关生产记录检查当日货品色、香、味及生熟是否达到出厂标准填写当班生产纪录,向称量班移交有关短缺货品分配事项

1、当您付费下载文档后,您只拥有了使用权限,并不意味着购买了版权,文档只能用于自身使用,不得用于其他商业用途(如 [转卖]进行直接盈利或[编辑后售卖]进行间接盈利)。
2、本站所有内容均由合作方或网友上传,本站不对文档的完整性、权威性及其观点立场正确性做任何保证或承诺!文档内容仅供研究参考,付费前请自行鉴别。
3、如文档内容存在违规,或者侵犯商业秘密、侵犯著作权等,请点击“违规举报”。

碎片内容

车间主任作业流程HN-ZYLC-CJ-1

确认删除?
VIP
微信客服
  • 扫码咨询
会员Q群
  • 会员专属群点击这里加入QQ群
客服邮箱
回到顶部