电脑桌面
添加小米粒文库到电脑桌面
安装后可以在桌面快捷访问

采油工高级分析

采油工高级分析_第1页
1/27
采油工高级分析_第2页
2/27
采油工高级分析_第3页
3/27
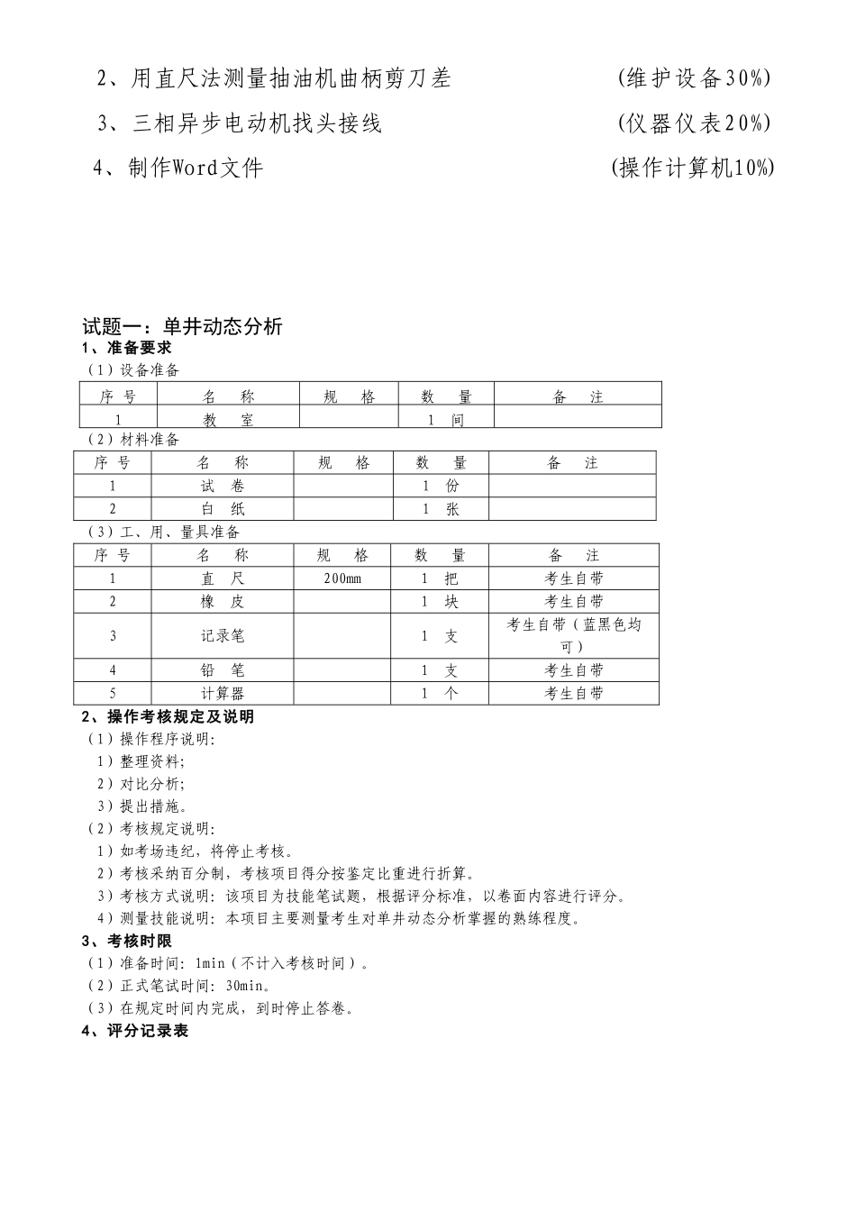
采油工高级试题目录试题一、单井动态分析 (管理油水井40%)试题二、分析抽油机井实测示功图 (管理油水井40%)试题三、绘制并分析注水井全井指示曲线 (管理油水井40%)试题四、调整游梁式抽油机曲柄平衡 ( 维护设备30%)试题五、更换法兰闸门 (维护设备30%)试题六、用直尺法测量抽油机曲柄剪刀差 ( 维护设备30%)试题七、使用兆欧表检查电动机绝缘电阻 (仪 器 仪 表20%)试题八、测量绘制工件图 ( 仪器仪表20%)试题九、三相异步电动机找头接线 (仪器仪表20%)试题十、制作 Word 文件 (操作计算机10%)试题十一、制作 Excel 表格 (操作计算机10%)采油工高级试题组合目录组合一:1、单井动态分析 (管理油水井40%)2、调整游梁式抽油机曲柄平衡 (维护设备30%)3、使用兆欧表检查电动机绝缘电阻 (仪器仪表20%)4、制作Word文件 (操作计算机10%)组合二:1、分析抽油机井实测示功图 (管理油水井40%)2、更换法兰闸门 (维护设备30%)3、测量绘制工件图 (仪器仪表20%)4、制作Excel表格 (操作计算机10%)组合三:1、绘制并分析注水井全井指示曲线 (管理油水井40%)2、用直尺法测量抽油机曲柄剪刀差 (维护设备30%)3、三相异步电动机找头接线 (仪器仪表20%)4、制作Word文件 (操作计算机10%)试题一:单井动态分析1、准备要求(1)设备准备序 号名 称规 格数 量备 注1教 室1 间(2)材料准备序 号名 称规 格数 量备 注1试 卷1 份2白 纸1 张(3)工、用、量具准备序 号名 称规 格数 量备 注1直 尺200mm1 把考生自带2橡 皮1 块考生自带3记录笔1 支考生自带(蓝黑色均可)4铅 笔1 支考生自带5计算器1 个考生自带2、操作考核规定及说明(1)操作程序说明:1)整理资料;2)对比分析;3)提出措施。(2)考核规定说明:1)如考场违纪,将停止考核。2)考核采纳百分制,考核项目得分按鉴定比重进行折算。3)考核方式说明:该项目为技能笔试题,根据评分标准,以卷面内容进行评分。4)测量技能说明:本项目主要测量考生对单井动态分析掌握的熟练程度。3、考核时限(1)准备时间:1min(不计入考核时间)。(2)正式笔试时间:30min。(3)在规定时间内完成,到时停止答卷。4、评分记录表中国石油天然气集团公司职业技能鉴定统一试卷采油工高级操作技能考核评分记录表现场号 工位号 性别 试题名称:单井动态分析 考核时间:30min序号考核内容评 分 要 素配分评 分 标 准检测结果扣分 得...

1、当您付费下载文档后,您只拥有了使用权限,并不意味着购买了版权,文档只能用于自身使用,不得用于其他商业用途(如 [转卖]进行直接盈利或[编辑后售卖]进行间接盈利)。
2、本站所有内容均由合作方或网友上传,本站不对文档的完整性、权威性及其观点立场正确性做任何保证或承诺!文档内容仅供研究参考,付费前请自行鉴别。
3、如文档内容存在违规,或者侵犯商业秘密、侵犯著作权等,请点击“违规举报”。

碎片内容

采油工高级分析

范哲铺+ 关注
实名认证
内容提供者

想你所想,急你所急,你需要的都在店铺里可以找到。

确认删除?
VIP
微信客服
  • 扫码咨询
会员Q群
  • 会员专属群点击这里加入QQ群
客服邮箱
回到顶部