电脑桌面
添加小米粒文库到电脑桌面
安装后可以在桌面快捷访问

钢管安装分项工质量平定表

钢管安装分项工质量平定表_第1页
1/1
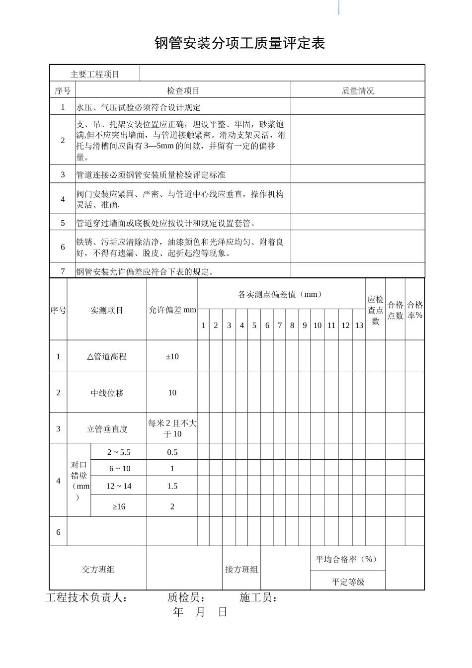
钢管安装分项工质量评定表工程技术负责人: 质检员: 施工员: 年 月 日主要工程项目序号检查项目质量情况1水压、气压试验必须符合设计规定2支、吊、托架安装位置应正确,埋设平整、牢固,砂浆饱满,但不应突出墙面,与管道接触紧密。滑动支架灵活,滑托与滑槽间应留有 3—5mm 的间隙,并留有一定的偏移量。3管道连接必须钢管安装质量检验评定标准4阀门安装应紧固、严密、与管道中心线应垂直,操作机构灵活、准确.5管道穿过墙面或底板处应按设计和规定设置套管。6铁锈、污垢应清除洁净,油漆颜色和光泽应均匀、附着良好,不得有遗漏、脱皮、起折起泡等现象。7钢管安装允许偏差应符合下表的规定。序号实测项目允许偏差 mm各实测点偏差值(mm)应检查点数合格点数合格率%123456789 10 11 12 131△管道高程±102中线位移103立管垂直度每米 2 且不大于 104对口错壁(mm)2 ~ 5.50.5 6 ~ 10112 ~ 141.5≥1626交方班组接方班组平均合格率(%)平定等级

1、当您付费下载文档后,您只拥有了使用权限,并不意味着购买了版权,文档只能用于自身使用,不得用于其他商业用途(如 [转卖]进行直接盈利或[编辑后售卖]进行间接盈利)。
2、本站所有内容均由合作方或网友上传,本站不对文档的完整性、权威性及其观点立场正确性做任何保证或承诺!文档内容仅供研究参考,付费前请自行鉴别。
3、如文档内容存在违规,或者侵犯商业秘密、侵犯著作权等,请点击“违规举报”。

碎片内容

钢管安装分项工质量平定表

领读文化+ 关注
实名认证
内容提供者

传播文化,铸就未来

相关文档

确认删除?
VIP
微信客服
  • 扫码咨询
会员Q群
  • 会员专属群点击这里加入QQ群
客服邮箱
回到顶部