电脑桌面
添加小米粒文库到电脑桌面
安装后可以在桌面快捷访问

钢结构设计图中的焊接符号标注大全

钢结构设计图中的焊接符号标注大全_第1页
1/5
钢结构设计图中的焊接符号标注大全_第2页
2/5
钢结构设计图中的焊接符号标注大全_第3页
3/5
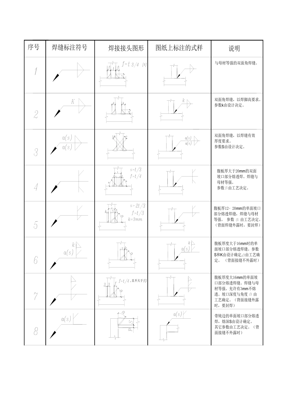
建筑钢结构设计图中的焊接符号序号焊缝标注符号焊接接头图形图纸上标注的式样说明双面角焊缝,以焊脚高要求。参数k由设计决定。双面角焊缝,以焊缝有效厚度要求。参数S由设计决定。腹板厚度大于16mm时的单面坡口部分熔透焊缝。参数S和K由设计确定, 由工艺确定。 (背面接缝不外露时)带钝边的单面坡口部分熔透焊,熔深S由设计确定。其它参数由工艺决定。(背面接缝不外露时)腹板厚大于20mm的双面坡口部分熔透焊。焊缝与母材等强。参数 由工艺决定。腹板厚12- 20mm的单面坡口部分熔透焊缝,焊缝与母材等强。 参数 由工艺决定。(背面焊缝外露时,要封焊)与母材等强的双面角焊缝。腹板厚度大16mm的单面坡口部分熔透焊缝。焊缝与母材等强。允许有3mm不熔透。坡口深度与角度 由工艺确定。(背面接缝外露时,要封焊),且不大于 单面坡口的部分熔透焊,加焊脚要求,S和k由设计确定。其它参数由工艺决定。背面带垫板的单面V形坡口全熔透焊,各参数由工艺决定。单面全熔透焊,参数由工艺确定。背面带衬垫的单面全熔透焊,参数由工艺确定。bb双面全熔透焊,参数由工艺确定。b背面带垫板的单面全熔透焊,参数 和b由工艺决定。序号焊缝标注符号焊接接头图形图纸上标注的式样说明带钝边的双面V形坡口全熔透焊,图形中各参数由工艺决定。带钝边的双面全熔透焊,图形中各参数由工艺决定。带钝边的单面V形坡口全熔透焊,背面封焊,各参数由工艺决定。带钝边的单面V形坡口全熔透焊,背面封焊。图形中各参数由工艺决定。,且不大于背面衬垫板的全熔透焊背面带衬垫的单面全熔透焊,参数由工艺确定。图形中各参数由工艺决定。双面坡口全熔透焊,图形中各参数由工艺决定。背面衬垫板的全熔透焊,图形中各参数由工艺决定。背面带衬垫的单面全熔透焊,参数由工艺确定。单面U形坡口全熔透焊,背面封焊。参数R由工艺确定。单面J形坡口全熔透焊缝,背面封焊。参数R由工艺确定。电渣焊.图形中参数由工艺确定。全熔透焊,图形中各参数由工艺决定。序号焊缝标注符号焊接接头图形图纸上标注的式样说明且不大于单面坡口,背面角焊缝的全熔透焊,图形中各参数由工艺决定。表中所示说明如下:1. 凡是符号中未注焊缝尺寸要求的,如序号 1 的角焊缝和序号 4 的双面坡口焊缝,表示要求焊缝与母材等强。省去了对坡口尺寸或焊脚要求的标注。反之符号中标有数字的焊缝就表示要按数字的要求进行,不代表等强与否,如序号 2、3、6。在此需要指出的是现在对等强焊缝有个误区,...

1、当您付费下载文档后,您只拥有了使用权限,并不意味着购买了版权,文档只能用于自身使用,不得用于其他商业用途(如 [转卖]进行直接盈利或[编辑后售卖]进行间接盈利)。
2、本站所有内容均由合作方或网友上传,本站不对文档的完整性、权威性及其观点立场正确性做任何保证或承诺!文档内容仅供研究参考,付费前请自行鉴别。
3、如文档内容存在违规,或者侵犯商业秘密、侵犯著作权等,请点击“违规举报”。

碎片内容

钢结构设计图中的焊接符号标注大全

领读文化+ 关注
实名认证
内容提供者

传播文化,铸就未来

确认删除?
VIP
微信客服
  • 扫码咨询
会员Q群
  • 会员专属群点击这里加入QQ群
客服邮箱
回到顶部