电脑桌面
添加小米粒文库到电脑桌面
安装后可以在桌面快捷访问

镇江市某公司营运楼工程量清单造价指标分析

镇江市某公司营运楼工程量清单造价指标分析_第1页
1/6
镇江市某公司营运楼工程量清单造价指标分析_第2页
2/6
镇江市某公司营运楼工程量清单造价指标分析_第3页
3/6
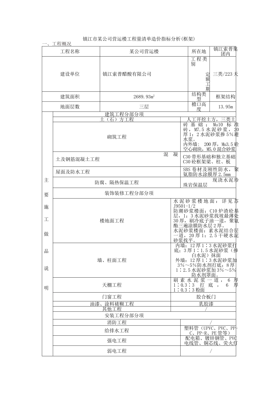
镇江市某公司营运楼工程量清单造价指标分析(框架) 一、工程概况工程名称某公司营运楼所在地镇江索普集团内建设单位镇江索普醋酸有限公司工 程 类别 定额工期三类/223 天建筑面积2689.93m2结构类型框架结构地面层数三层檐口高度13.95m主 要 施 工 做 品 说 明建筑工程分部分项土(石)方工程人工开挖土方,三类土砌筑工程砖 基 础 : Mu10 标 准砖,M7.5 水泥砂浆, 20厚 1:2 水泥砂浆掺 5%避水浆。内外墙: 200 厚,Mu3.5 砼空心砌块,M5.0 混合砂浆混凝土及钢筋混凝土工程 C30 带形基础和独立基础C30 砼框架梁、柱、板屋面及防水工程SBS 卷材及刚性防水,聚氨脂防水涂膜厚 2.5mm防腐、隔热保温工程现浇水泥珍珠岩保温层装饰装修工程分部分项楼地面工程水 泥 砂 浆 楼 地 面 : 详 见 苏J9501-1/2防潮砂浆楼面:C10 炉渣砼基层,1:3 水泥砂浆找坡最薄处30 厚,刷冷底子油一道,聚氨酯三遍涂膜防水层 2 厚。水泥砂浆楼面:素水泥结合层一道,20 厚 1:2.5 干硬水泥砂浆找平。墙、柱面工程内墙:12 厚 1∶3 水泥砂浆打底;3 厚 1∶1.5 水泥砂浆(掺白水泥)抹面外墙:12 厚 1∶3 水泥砂浆加3%~5%防水剂打底;8 厚1∶2.5 水泥砂浆加 3%~5%防水剂罩面。天棚工程刷 素 水 泥 浆 一 道 , 6 厚1∶0.3∶3打 底 ,6厚1∶0.3∶3 粉面门窗工程胶合板门油漆、涂料裱糊工程乳胶漆其他工程/安装工程分部分项消防工程/给排水工程塑料管(UPVC、PVC、PP-C、PP-R、PE 管等)强电工程配电箱、镀锌钢管、PVC电线管、铜芯线、荧火灯弱电工程/计价说明执行定额:2025 年《江苏省建筑与装饰工程计价表》和《江苏省安装工程计价表》相关分册;材料价格:参照《镇江市工程造价信息》2025 年第 4 期价格。规费及税金按镇江现行规定执行。二、分部分项工程量清单工程费 元/㎡建筑工程分部分项工程费其 中土石方工程桩与地基基础工程砌筑工程混凝土及钢筋混凝土工程厂库房大门、特种门、木结构工程金属结构工程屋面及防水工程防腐、隔热保温工程399.4920.89/30.14298.39//50.07/100%5.23/7.5574.69//12.53/装饰工程分部分项工程费其 中楼地面工程墙柱面工程天棚工程门窗工程油漆涂料裱糊工程其他工程105.5917.7646.8613.897.9519.13/100%16.8244.38 13.157.5318.12/安装工程分部分项工程费其 中消防给排水强电弱电 61.45/8.3353.12/ 100%/13.5686.44/ 三、 措施项目清单工...

1、当您付费下载文档后,您只拥有了使用权限,并不意味着购买了版权,文档只能用于自身使用,不得用于其他商业用途(如 [转卖]进行直接盈利或[编辑后售卖]进行间接盈利)。
2、本站所有内容均由合作方或网友上传,本站不对文档的完整性、权威性及其观点立场正确性做任何保证或承诺!文档内容仅供研究参考,付费前请自行鉴别。
3、如文档内容存在违规,或者侵犯商业秘密、侵犯著作权等,请点击“违规举报”。

碎片内容

镇江市某公司营运楼工程量清单造价指标分析

您可能关注的文档

元素商铺+ 关注
实名认证
内容提供者

欢迎挑选合适的文档

确认删除?
VIP
微信客服
  • 扫码咨询
会员Q群
  • 会员专属群点击这里加入QQ群
客服邮箱
回到顶部