电脑桌面
添加小米粒文库到电脑桌面
安装后可以在桌面快捷访问

门窗分户验收表

门窗分户验收表_第1页
1/1
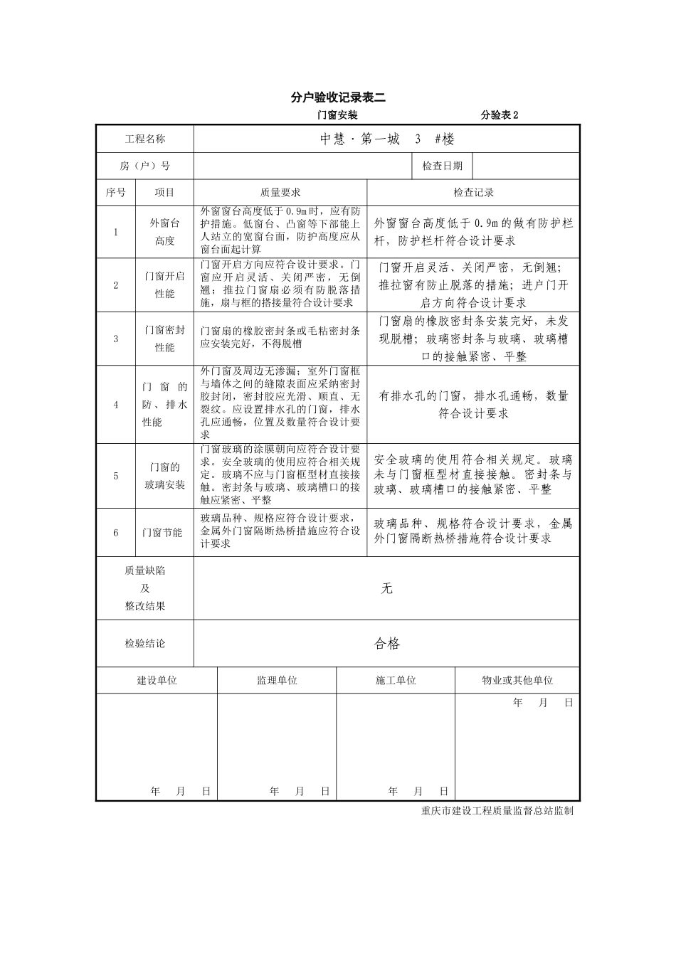
分户验收记录表二 门窗安装 分验表 2工程名称中慧·第一城 3 #楼房(户)号检查日期序号项目质量要求检查记录1外窗台高度外窗窗台高度低于 0.9m 时,应有防护措施。低窗台、凸窗等下部能上人站立的宽窗台面,防护高度应从窗台面起计算外窗窗台高度低于 0.9m 的做有防护栏杆,防护栏杆符合设计要求2门窗开启性能门窗开启方向应符合设计要求。门窗应开启灵活、关闭严密,无倒翘;推拉门窗扇必须有防脱落措施,扇与框的搭接量符合设计要求门窗开启灵活、关闭严密,无倒翘;推拉窗有防止脱落的措施;进户门开启方向符合设计要求3门窗密封性能门窗扇的橡胶密封条或毛粘密封条应安装完好,不得脱槽门窗扇的橡胶密封条安装完好,未发现脱槽;玻璃密封条与玻璃、玻璃槽口的接触紧密、平整4门 窗 的防 、 排 水性能外门窗及周边无渗漏;室外门窗框与墙体之间的缝隙表面应采纳密封胶封闭,密封胶应光滑、顺直、无裂纹。应设置排水孔的门窗,排水孔应通畅,位置及数量符合设计要求有排水孔的门窗,排水孔通畅,数量符合设计要求5门窗的玻璃安装门窗玻璃的涂膜朝向应符合设计要求。安全玻璃的使用应符合相关规定。玻璃不应与门窗框型材直接接触。密封条与玻璃、玻璃槽口的接触应紧密、平整安全玻璃的使用符合相关规定。玻璃未与门窗框型材直接接触。密封条与玻璃、玻璃槽口的接触紧密、平整6门窗节能玻璃品种、规格应符合设计要求,金属外门窗隔断热桥措施应符合设计要求玻璃品种、规格符合设计要求,金属外门窗隔断热桥措施符合设计要求质量缺陷及整改结果无检验结论合格建设单位监理单位施工单位物业或其他单位年 月 日年 月 日年 月 日年 月 日重庆市建设工程质量监督总站监制

1、当您付费下载文档后,您只拥有了使用权限,并不意味着购买了版权,文档只能用于自身使用,不得用于其他商业用途(如 [转卖]进行直接盈利或[编辑后售卖]进行间接盈利)。
2、本站所有内容均由合作方或网友上传,本站不对文档的完整性、权威性及其观点立场正确性做任何保证或承诺!文档内容仅供研究参考,付费前请自行鉴别。
3、如文档内容存在违规,或者侵犯商业秘密、侵犯著作权等,请点击“违规举报”。

碎片内容

门窗分户验收表

您可能关注的文档

确认删除?
VIP
微信客服
  • 扫码咨询
会员Q群
  • 会员专属群点击这里加入QQ群
客服邮箱
回到顶部