电脑桌面
添加小米粒文库到电脑桌面
安装后可以在桌面快捷访问

非开挖施工组织设计

非开挖施工组织设计_第1页
1/22
非开挖施工组织设计_第2页
2/22
非开挖施工组织设计_第3页
3/22
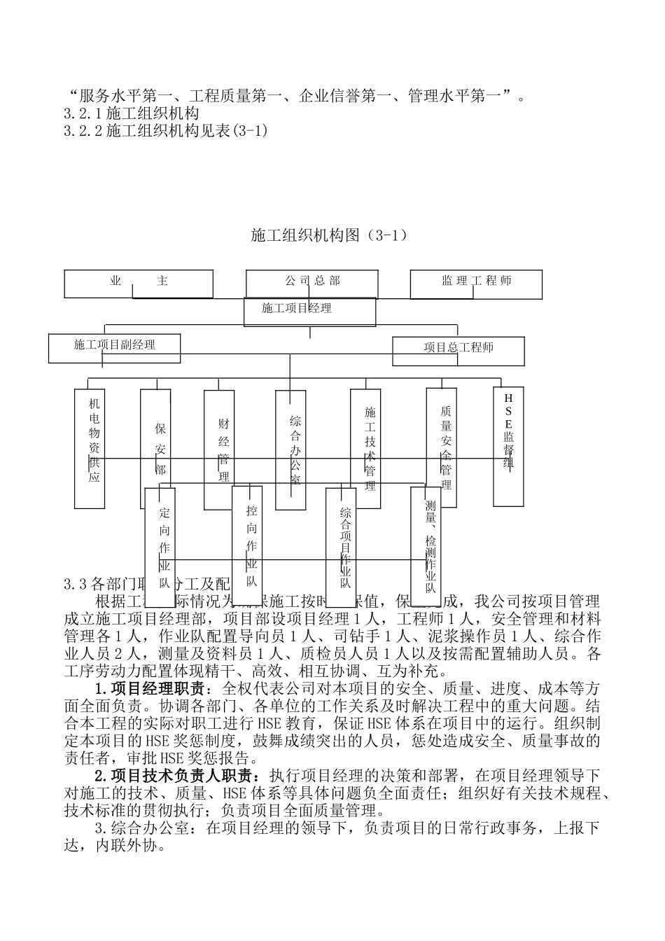
第一章 编 制 说 明1.1 编制依据和技术标准本工程依据现场调查的施工条件及周围环境状况等资料编制的。所执行的标准法律规范如下:1、国家现行的有关技术规程,施工及验收法律规范,质量检验评定标准;2、《地质与基础施工及验收法律规范》(GBJ201—83);3、《给排水构筑物施工及验收法律规范》(GBJ141—100);4、《市政排水管渠工程质量检验评定标准》GBJ—100);5、《砌体工程施工及验收法律规范》(GB50203—108);6、《给排水管道工程施工及验收法律规范》(GB50268—97)7、《土方与爆破工程及验收法律规范》(GBJ201—83)8、《安装工程质量检验评定》(GBJ301—88)9、《土工实验标准》(GBJ123—88)10、《中国给排水标准图集 S 系列》(BJ202—83)11、《市政工程施工技术资料管理规定》1.2 编 制 原 则根据“精干机构、精兵强将、精良装备”和“安全、优质、快速、高效”的原则,以满足工期要求为核心,以“安全高于一切,质量重于泰山”为宗旨,缜密考虑和制定环境保护、文物保护措施,积极稳妥地推行先进、科学的施工方法和施工工艺,大力推广、应用“四新”技术,采纳先进的、科学的施工管理手段,科学组织,精益求精,确保优质工程。1.3 编 制 范 围合肥市蒙城北路杨大郢泵站工程污水 DN300mm 过蒙城北路段。第二章 工 程 概 况2.1 工 程 概 况本工程根据非开挖地下管线设计法律规范,,污水过路管管径 DN300mm,全长 86 米.2.2 施 工 内 容非开挖地下管线施工包括施工场地平整、施工便道平整、发送沟挖掘、钻孔、扩孔、回拖、严密性实验并完成地下管线施工的所有工作。2.3 特 点该工程施工技术要求高、出入钻精确度严格、外部环境干扰多、地质条件复杂等特点。第三章 施 工 部 署3 施工指导思想和管理目标3.1 施工指导思想 以技术为先导、以质量求生存、以市场求进展。严密组织、科学管理、铸造精品工程,降低工程成本,缩短施工工期,认真履行合同,为业主提供一流服务。3.2 管理要求要求达到:“四个第一”:“服务水平第一、工程质量第一、企业信誉第一、管理水平第一”。3.2.1 施工组织机构3.2.2 施工组织机构见表(3-1) 施工组织机构图(3-1) 3.3 各部门职责分工及配置:根据工程实际情况为确保施工按时、保值,保量完成,我公司按项目管理成立施工项目经理部,项目部设项目经理 1 人,工程师 1 人,安全管理和材料管理各 1 人,作业队配置导向员 1 人、司钻手...

1、当您付费下载文档后,您只拥有了使用权限,并不意味着购买了版权,文档只能用于自身使用,不得用于其他商业用途(如 [转卖]进行直接盈利或[编辑后售卖]进行间接盈利)。
2、本站所有内容均由合作方或网友上传,本站不对文档的完整性、权威性及其观点立场正确性做任何保证或承诺!文档内容仅供研究参考,付费前请自行鉴别。
3、如文档内容存在违规,或者侵犯商业秘密、侵犯著作权等,请点击“违规举报”。

碎片内容

非开挖施工组织设计

确认删除?
VIP
微信客服
  • 扫码咨询
会员Q群
  • 会员专属群点击这里加入QQ群
客服邮箱
回到顶部