电脑桌面
添加小米粒文库到电脑桌面
安装后可以在桌面快捷访问

项目基坑临时用电方案

项目基坑临时用电方案_第1页
1/14
项目基坑临时用电方案_第2页
2/14
项目基坑临时用电方案_第3页
3/14
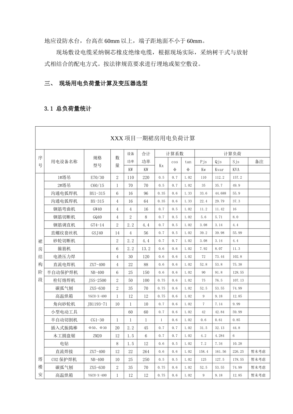
目 录一、工程概况................................................................................................................1二、临时用电供配电系统和保护系统设计 三、 现场用电负荷量计算及变压器选型 3.1 总负荷量统计 3.2 变压器选型 3.3 一级配电箱设计方案 3.4 二级配电箱设计方案 3.5 塔吊专用开关箱设计方案 3.6 开关箱设计方案 四、 供配电方案 4.1 电缆路线选择: 4.2 电缆型号选择: 4.3 线缆敷设及回路系统设计 4.4 施工材料、机械及人员准备 4.5 后续存在问题讨论 五、临时照明设计 5.1 施工现场、楼梯间及地下室临时照明 5.2 工人宿舍临时照明 六、 临时用电技术交底 七、 现场临时机电设施管理 八、 供电线路设计 九、 接地设计 十、 防雷设计 十一、安全用电技术措施和电气防火措施 10.1 安全用电技术措施 10.2 电气防火措施 十二、施工现场临时用电平面布置图 一、工程概况XXXXXXXXXXX。二、临时用电供配电系统和保护系统设计2.1 为保证施工现场用电安全,现场供配电采纳“TN—S”系统(三相五线制)进行供配电,临时用电设计从现场实际出发,尽量满足相间负荷平衡,并使供配电系统尽量接近负荷中心,各用电工区的施工用电分布均匀。临时用电由专业队伍组织施工,保证供电质量,满足施工用电及安全要求。2.2 编制依据1、施工现场临时用电安全技术法律规范》JGJ46—20252、《建筑施工安全检查标准》JGJ59—993、《建筑施工安全检查标准实施指南》4、《建筑工程临时用电设计与实例手册》2.3 技术要求1、现场临时用电按《工业与民用供电系统设计法律规范》和《施工现场临时用电安全技术法律规范》设计并组织施工。现场供配电采纳 TN—S 接零保护系统,并根据“三级配电两级保护”和“一机一闸一漏电保护”原则进行设计施工,PE 线与 N 线严格分开使用。接地电阻不大于 4 欧姆,施工现场所有防雷装置冲击接地电阻不大于 30 欧姆。所有用于临电设施的材料及元器件必须为合格品,出厂证件齐全,并经过国家劳动检测部门检测。配电箱要求:①现场内配电总箱、配电分箱及开关箱均为标准铁制配电箱(配电箱可按要求购置或按标准自制)。箱内隔离开关、漏电保护器及刀闸开关要与负荷功率、容量相匹配。②分配电箱及开关箱内设置漏电保护器。(漏电保护器额定漏电动作电流不大于 30 毫安,额定漏电动作时间不大于 0.1 秒,上一级保护动作值较下一级动作值略...

1、当您付费下载文档后,您只拥有了使用权限,并不意味着购买了版权,文档只能用于自身使用,不得用于其他商业用途(如 [转卖]进行直接盈利或[编辑后售卖]进行间接盈利)。
2、本站所有内容均由合作方或网友上传,本站不对文档的完整性、权威性及其观点立场正确性做任何保证或承诺!文档内容仅供研究参考,付费前请自行鉴别。
3、如文档内容存在违规,或者侵犯商业秘密、侵犯著作权等,请点击“违规举报”。

碎片内容

项目基坑临时用电方案

确认删除?
VIP
微信客服
  • 扫码咨询
会员Q群
  • 会员专属群点击这里加入QQ群
客服邮箱
回到顶部