电脑桌面
添加小米粒文库到电脑桌面
安装后可以在桌面快捷访问

1-5卫生器具满水试验记录

1-5卫生器具满水试验记录_第1页
1/2
1-5卫生器具满水试验记录_第2页
2/2
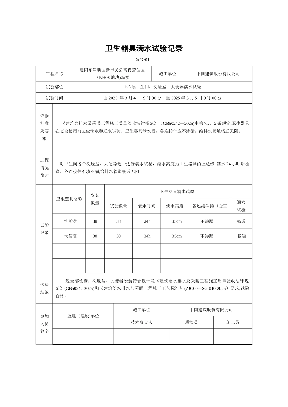
卫生器具满水试验报验申请表工程名称:襄阳东津新区新市民公寓肖营住区(NH08 地块)2#楼 01致:厦门兴海湾监理咨询有限公司(监理单位) 我单位已完成了 1 ~ 5 层 卫生器具满水试验 工作,现报上该工程报验申请表,请予以审查和验收。附件:1、卫生器具满水试验记录 1 份 承包单位(章)中国建筑股份有限公司项目经理 日 期 审查意见:项目监理机构厦门兴海湾监理咨询有限公司总/专业监理工程师 日 期 卫生器具满水试验记录 编号:01工程名称襄阳东津新区新市民公寓肖营住区(NH08 地块)2#楼施工单位中国建筑股份有限公司试验部位1~5 层卫生间:洗脸盆、大便器满水试验 试验时间由 2025 年 3 月 4 日 9 时 00 分 至 2025 年 3 月 5 日 9 时 00 分依据标准及要求 《建筑给排水及采暖工程施工质量验收法律规范》(GB50242—2025)中第 7.2。2 条规定,卫生器具在交会使用前应做满水和通水试验。卫生器具满水后,各连接件应不渗漏,给排水管道畅通无阻。过程情况简述对卫生间各个洗脸盆、大便器逐一进行满水试验,灌水高度为卫生器具的上边缘 ,满水 24 小时后检查,各连接件不渗不漏;给排水管道畅通无阻。试验记录卫生器具名称安装数量卫生器具满水试验试验数量满水时间满水高度各连接件接口检查通水试验洗脸盆383824h35cm不渗漏畅通大便器383824h35cm不渗漏畅通试验结论 经全部检查,洗脸盆、大便器安装符合设计及《建筑给水排水及采暖工程施工质量验收法律规范》(GB50242-2025)和《建筑给水排水与采暖工程施工工艺标准》(ZJQ00—SG-010-2025)要求,试验合格。参加人员签字监理(建设)单位施工单位 中国建筑股份有限公司技术负责人质检员施工员

1、当您付费下载文档后,您只拥有了使用权限,并不意味着购买了版权,文档只能用于自身使用,不得用于其他商业用途(如 [转卖]进行直接盈利或[编辑后售卖]进行间接盈利)。
2、本站所有内容均由合作方或网友上传,本站不对文档的完整性、权威性及其观点立场正确性做任何保证或承诺!文档内容仅供研究参考,付费前请自行鉴别。
3、如文档内容存在违规,或者侵犯商业秘密、侵犯著作权等,请点击“违规举报”。

碎片内容

1-5卫生器具满水试验记录

确认删除?
VIP
微信客服
  • 扫码咨询
会员Q群
  • 会员专属群点击这里加入QQ群
客服邮箱
回到顶部