电脑桌面
添加小米粒文库到电脑桌面
安装后可以在桌面快捷访问

Proe-creo完整制作工程图格式和模板

Proe-creo完整制作工程图格式和模板_第1页
1/23
Proe-creo完整制作工程图格式和模板_第2页
2/23
Proe-creo完整制作工程图格式和模板_第3页
3/23
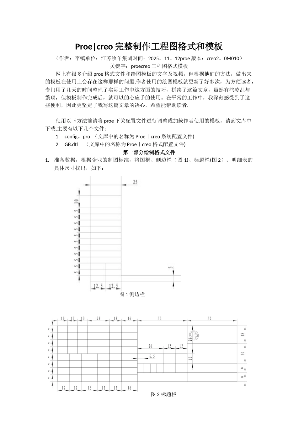
Proe|creo 完整制作工程图格式和模板(作者:李镇单位:江苏牧羊集团时间:2025。11。12proe 版本:creo2。0M010)关键字:proecreo 工程图格式模板网上有很多介绍 proe 格式文件和绘图模板的文字及视频,但根据他们的方法,做出来的模板在使用上会存在这样那样的问题,作者使用的绘图模板就更新了好多次,为方便读者,专门用了几天的时间整理了实际工作中这方面的技巧,拼凑了这篇文章,虽然有些凌乱与繁琐,但模板制作完成后,就可以的心应手的使用。在平常的工作中,我深刻感受到了这些便利,因此更坚定了我写这篇文章的决心,希望能帮助读者.使用以下方法前请将 proe 下关配置文件进行调整或加载作者使用的模板,请到文库中下载,主要有以下几个文件:1.config。pro (文库中的名称为 Proe|creo 系统配置文件)2.GB.dtl (文库中的名称为 Proe|creo 格式配置文件)第一部分绘制格式文件1.准备数据,根据企业的制图标准,将图框、侧边栏(图 1)、标题栏(图 2)、明细表的具体尺寸找出,如下:图 2 标题栏图 1 侧边栏2.启动 proe,新建格式文件,文件名形如 A4prt_muyang.frm注:(1)文件名的意义 A4 代表图幅大小,可根据需要定义 A0、A1、A2、A3 等幅面;(2)prt 代表用于绘制零件图的模板,可根据需要定义 asm、sht 等;(3)muyang 代表公司名称,可根据需要定义其他如 xcmg、sany 等,方便进行区别;(4)用此法进行定义有利于今后模板的系列化。有初学的读者会问为什么定义格式(frm)而不定义绘图(drw)呢?这里为读者答疑,在 proe 里绘图中有个功能就是可以替换图框,利用这个功能我们很容易实现对图框的替换,而不用重新绘制,所以建议读者先创建 frm,在今后的使用中会感到得心应手,这也是个小技巧,呵呵。点确定,进入新格式的绘制制定模板选择“空",方向选择“纵向”,幅面选择“A4”,点确定,进入绘制界面,如下图2。绘图区边框绘制,输入绝对坐标 25,5确定,点右键输入绝对坐标 25,292依次输入绝对坐标(205,292)(205,5)(25,5)完成绘图区边框绘制。3.图框侧、标题栏、上部名称表格绘制1)侧边栏绘制(1)表→表→插入表,进入插入表对话框,如下图(2)按下图数据填写,点确定(提示方向选向右且向上)(3)出现下面的提示,点绝对坐标并输入(0,5),点确定(4)合并单元格(5)双击单元格填写相应文字(6)用同样的方法绘制标题栏表格,注意由于标题栏表格较复杂可分开进行绘制,如(7)然后用...

1、当您付费下载文档后,您只拥有了使用权限,并不意味着购买了版权,文档只能用于自身使用,不得用于其他商业用途(如 [转卖]进行直接盈利或[编辑后售卖]进行间接盈利)。
2、本站所有内容均由合作方或网友上传,本站不对文档的完整性、权威性及其观点立场正确性做任何保证或承诺!文档内容仅供研究参考,付费前请自行鉴别。
3、如文档内容存在违规,或者侵犯商业秘密、侵犯著作权等,请点击“违规举报”。

碎片内容

Proe-creo完整制作工程图格式和模板

您可能关注的文档

一二三四传媒+ 关注
实名认证
内容提供者

大量资料供您选择,没有合适的可以联系小二。

确认删除?
VIP
微信客服
  • 扫码咨询
会员Q群
  • 会员专属群点击这里加入QQ群
客服邮箱
回到顶部