电脑桌面
添加小米粒文库到电脑桌面
安装后可以在桌面快捷访问

STT-改性玻化微珠真空绝热芯材复合无机板

STT-改性玻化微珠真空绝热芯材复合无机板_第1页
1/11
STT-改性玻化微珠真空绝热芯材复合无机板_第2页
2/11
STT-改性玻化微珠真空绝热芯材复合无机板_第3页
3/11
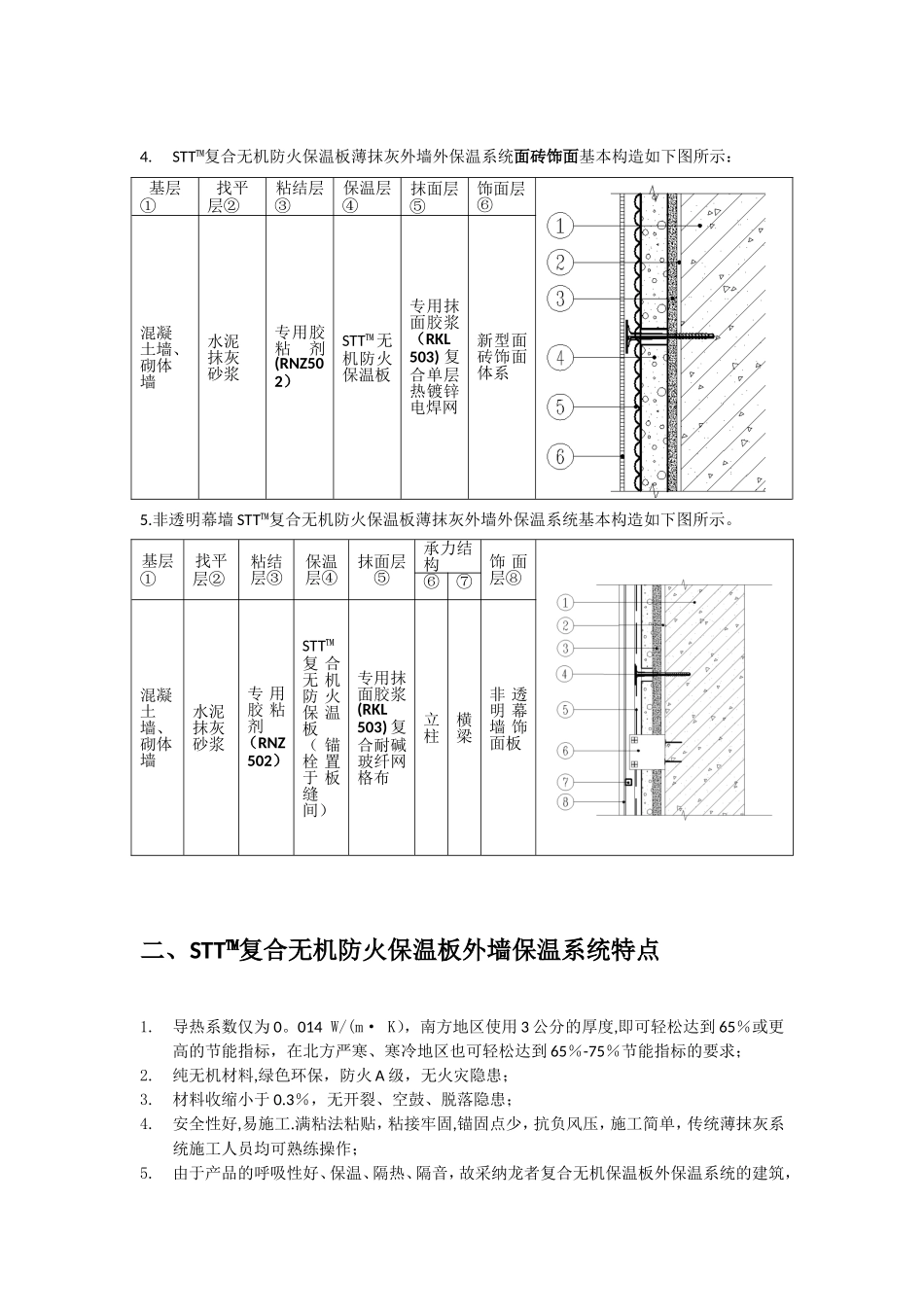
STT™保温板外墙外保温系统第一节、STT™复合无机防火保温板外墙外保温系统一、定义1.STT™复合无机防火保温板(又名:改性玻化微珠真空绝热芯材复合无机板 vacuum adiabatic core material composite inorganic plate):以玻化微珠保温材料和真空绝热芯材为主体材料,与胶凝材料、防水剂等通过模压成型制成的保温板.2.STT™复合无机防火保温板外墙外保温系统(又名:改性玻化微珠真空绝热芯材复合无机板外墙外保温系统 Vacuum insulation composite sandwich panels EIFS):由玻化微珠真空绝热芯材复合无机板、胶粘剂、抹面层和饰面层等构成,固定在外墙外表面的非承重保温构造。3.STT™复合无机防火保温板薄抹灰外墙外保温系统基本构造如下图所示:基层①找平层②粘结层③保温层④抹面层⑤饰面层⑥混凝土墙、砌体墙水泥抹灰砂浆专用胶粘剂(RNZ502)STT™ 复合无机防火保温板(锚栓置于板缝间)专用抹面胶浆(RKL503 )复合单( 双 层 )耐碱玻纤网格布涂料(饰面砂浆、柔性饰面块材)4.STT™复合无机防火保温板薄抹灰外墙外保温系统面砖饰面基本构造如下图所示:5.非透明幕墙 STT™复合无机防火保温板薄抹灰外墙外保温系统基本构造如下图所示。二、STT™复合无机防火保温板外墙保温系统特点1.导热系数仅为 0。014 W/(m· K),南方地区使用 3 公分的厚度,即可轻松达到 65%或更高的节能指标,在北方严寒、寒冷地区也可轻松达到 65%-75%节能指标的要求;2.纯无机材料,绿色环保,防火 A 级,无火灾隐患;3.材料收缩小于 0.3%,无开裂、空鼓、脱落隐患;4.安全性好,易施工.满粘法粘贴,粘接牢固,锚固点少,抗负风压,施工简单,传统薄抹灰系统施工人员均可熟练操作;5.由于产品的呼吸性好、保温、隔热、隔音,故采纳龙者复合无机保温板外保温系统的建筑,基层①找平层②粘结层③保温层④抹面层⑤饰面层⑥混凝土墙、砌体墙水泥抹灰砂浆专用胶粘剂(RNZ502)STT™ 无机防火保温板专用抹面胶浆(RKL503) 复合单层热镀锌电焊网 新型面砖饰面体系 基层①找平层②粘结层③保温层④抹面层⑤承力结构饰 面层⑧⑥⑦混凝土墙、砌体墙水泥抹灰砂浆专 用胶 粘剂(RNZ502)STT™复 合无 机防 火保 温板( 锚栓 置于 板缝间)专用抹面胶浆(RKL503) 复合耐碱玻纤网格布立柱横梁非 透明 幕墙 饰面板 室内透气性好,室外防潮性能好,居住舒适度高于其他保温系统。三、系统材料技术参数1、 单组份无机粘结胶(RNJ502...

1、当您付费下载文档后,您只拥有了使用权限,并不意味着购买了版权,文档只能用于自身使用,不得用于其他商业用途(如 [转卖]进行直接盈利或[编辑后售卖]进行间接盈利)。
2、本站所有内容均由合作方或网友上传,本站不对文档的完整性、权威性及其观点立场正确性做任何保证或承诺!文档内容仅供研究参考,付费前请自行鉴别。
3、如文档内容存在违规,或者侵犯商业秘密、侵犯著作权等,请点击“违规举报”。

碎片内容

STT-改性玻化微珠真空绝热芯材复合无机板

确认删除?
VIP
微信客服
  • 扫码咨询
会员Q群
  • 会员专属群点击这里加入QQ群
客服邮箱
回到顶部