电脑桌面
添加小米粒文库到电脑桌面
安装后可以在桌面快捷访问

《园林绿化工程施工及验收规范》表格61526

《园林绿化工程施工及验收规范》表格61526_第1页
1/28
《园林绿化工程施工及验收规范》表格61526_第2页
2/28
《园林绿化工程施工及验收规范》表格61526_第3页
3/28
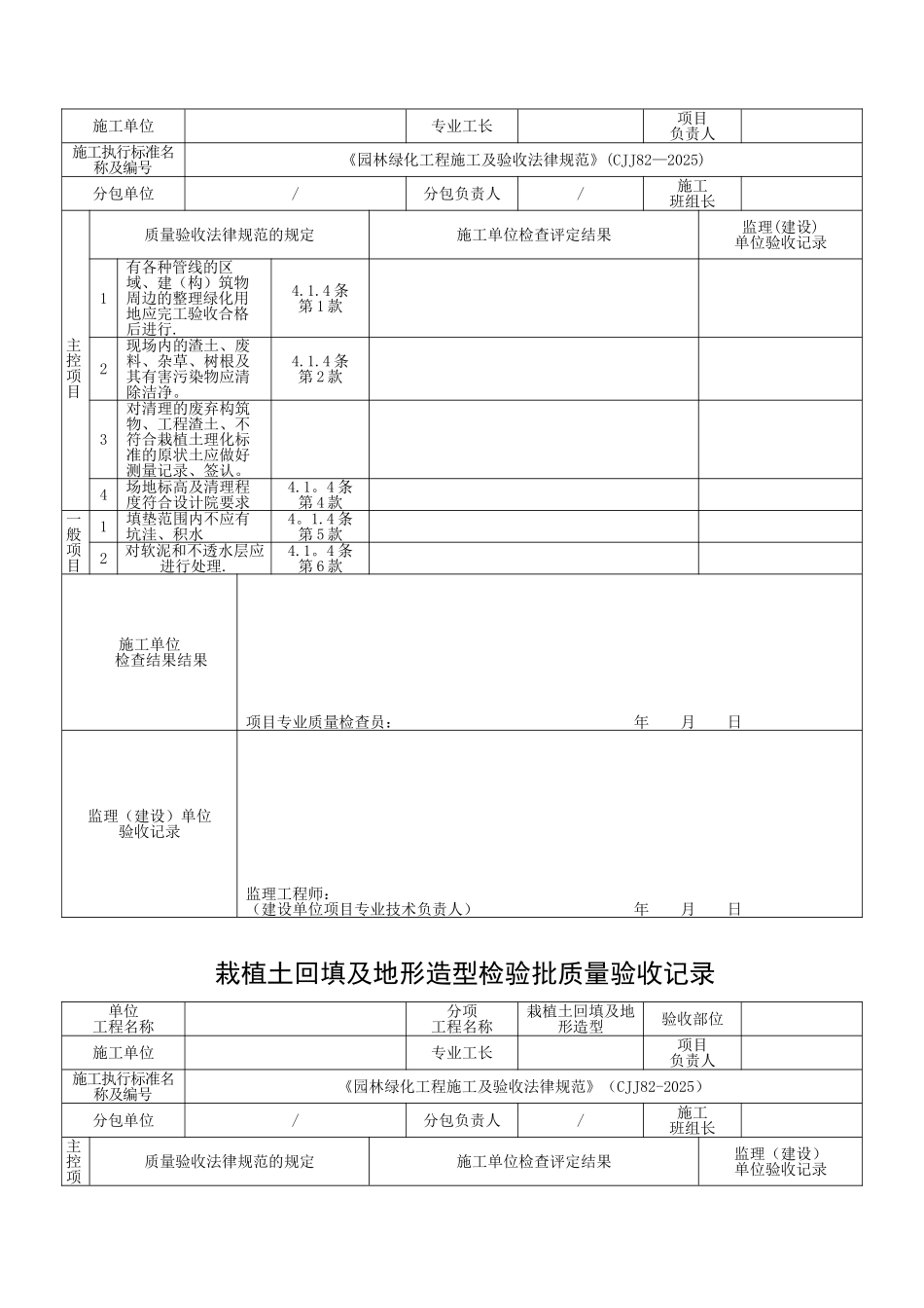
栽植土检验批质量验收记录单位工程名称柳青河景观绿化工程分项工程名称栽植土验收部位施工单位专业工长项目负责人施工执行标准名称及编号《园林绿化工程施工及验收法律规范》(CJJ82—2025)分包单位/分包负责人/施工班组长主控项目质量验收法律规范的规定施工单位检查评定结果监理(建设)单位验收记录1栽植土土壤 PH 植5。6~8.05。62土壤全盐含量0 。 1 % ~0。3%103土壤容量1.0g/cm³~1。35g/cm³一般项目1土壤有机质含量≥1。5%2土壤块径≤5cm3绿化栽植土有效土层厚度一般栽植乔木胸径≥20cm≥180cm胸径<20cm≥150cm(深根≥100cm(浅根灌木大、中灌木、大藤本≥90cm小灌木、宿根花卉、大藤本≥40 cm棕榈类≥90cm竹类大径≥80cm中、小径≥50cm草坪、草花、地被≥30cm设施顶面绿化乔木≥80cm灌木≥45cm草坪、草花、地被≥15cm施工单位检查结果结果项目专业质量检查员: 年 月 日监理(建设)单位验收记录监理工程师:(建设单位项目专业技术负责人) 年 月 日栽植前场地清理检验批质量验收记录单位工程名称柳青河景观绿化工程分项工程名称栽植前场地清理验收部位施工单位专业工长项目负责人施工执行标准名称及编号《园林绿化工程施工及验收法律规范》(CJJ82—2025)分包单位/分包负责人/施工班组长主控项目质量验收法律规范的规定施工单位检查评定结果监理(建设)单位验收记录1有各种管线的区域、建(构)筑物周边的整理绿化用地应完工验收合格后进行.4.1.4 条第 1 款2现场内的渣土、废料、杂草、树根及其有害污染物应清除洁净。4.1.4 条第 2 款3对清理的废弃构筑物、工程渣土、不符合栽植土理化标准的原状土应做好测量记录、签认。4场地标高及清理程度符合设计院要求4.1。4 条第 4 款一般项目1填垫范围内不应有坑洼、积水4。1.4 条第 5 款2对软泥和不透水层应进行处理.4.1。4 条第 6 款施工单位检查结果结果项目专业质量检查员: 年 月 日监理(建设)单位验收记录监理工程师:(建设单位项目专业技术负责人) 年 月 日栽植土回填及地形造型检验批质量验收记录单位工程名称分项工程名称栽植土回填及地形造型验收部位施工单位专业工长项目负责人施工执行标准名称及编号《园林绿化工程施工及验收法律规范》(CJJ82-2025)分包单位/分包负责人/施工班组长主控项质量验收法律规范的规定施工单位检查评定结果监理(建设)单位验收记录目1造型胎土、栽植土应符合设计要求并有检测报告4.1.5 条第 2 款2回填土及...

1、当您付费下载文档后,您只拥有了使用权限,并不意味着购买了版权,文档只能用于自身使用,不得用于其他商业用途(如 [转卖]进行直接盈利或[编辑后售卖]进行间接盈利)。
2、本站所有内容均由合作方或网友上传,本站不对文档的完整性、权威性及其观点立场正确性做任何保证或承诺!文档内容仅供研究参考,付费前请自行鉴别。
3、如文档内容存在违规,或者侵犯商业秘密、侵犯著作权等,请点击“违规举报”。

碎片内容

《园林绿化工程施工及验收规范》表格61526

您可能关注的文档

办公文档专营+ 关注
实名认证
内容提供者

大量办公文档,欢迎选择

相关文档

确认删除?
VIP
微信客服
  • 扫码咨询
会员Q群
  • 会员专属群点击这里加入QQ群
客服邮箱
回到顶部