电脑桌面
添加小米粒文库到电脑桌面
安装后可以在桌面快捷访问

《建筑设计防火规范》GB-50016—2025

《建筑设计防火规范》GB-50016—2025_第1页
1/42
《建筑设计防火规范》GB-50016—2025_第2页
2/42
《建筑设计防火规范》GB-50016—2025_第3页
3/42
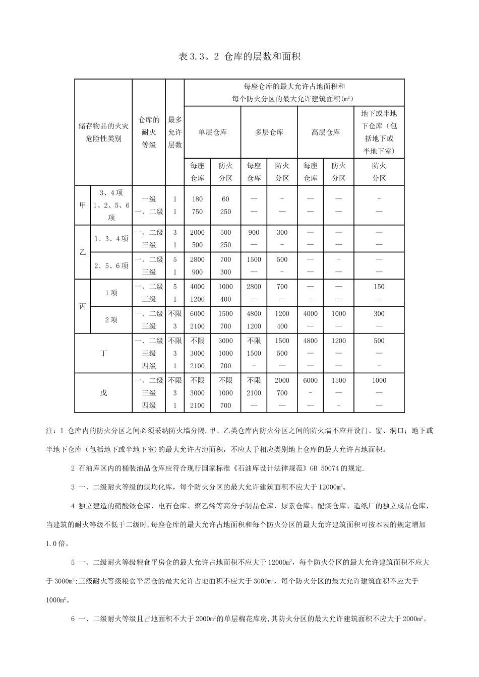
建筑设计防火法律规范国家标准《建筑设计防火法律规范》GB 50016—2025,由公安部天津消防讨论所和公安部四川消防讨论所会同有关单位编写,自 2025 年 5 月 1 日起实施。原《建筑设计防火法律规范》GB50016-2025 和《高层民用建筑设计防火法律规范》GB50045—95 同时废止。强制性条文3。2.2 高层厂房,甲、乙类厂房的耐火等级不应低于二级,建筑面积不大于 300m2的独立甲、乙类单层厂房可采纳三级耐火等级的建筑.3。2.3 单、多层丙类厂房和多层丁、戊类厂房的耐火等级不应低于三级。使用或产生丙类液体的厂房和有火花、赤热表面、明火的丁类厂房,其耐火等级均不应低于二级,当为建筑面积不大于 500m2的单层丙类厂房或建筑面积不大于 1000m2的单层丁类厂房时,可采纳三级耐火等级的建筑.3。2。4 使用或储存特别贵重的机器、仪表、仪器等设备或物品的建筑,其耐火等级不应低于二级。3.2.7 高架仓库、高层仓库、甲类仓库、多层乙类仓库和储存可燃液体的多层丙类仓库,其耐火等级不应低于二级。单层乙类仓库,单层丙类仓库,储存可燃固体的多层丙类仓库和多层丁、戊类仓库,其耐火等级不应低于三级。3.2。9 甲、乙类厂房和甲、乙、丙类仓库内的防火墙,其耐火极限不应低于 4.00h。3。2.15 一、二级耐火等级厂房(仓库)的上人平屋顶,其屋面板的耐火极限分别不应低于 1.50h 和 1。00h。3。3.1 除本法律规范另有规定外,厂房的层数和每个防火分区的最大允许建筑面积应符合表 3。3.1 的规定。表 3.3.1 厂房的层数和每个防火分区的最大允许建筑面积生产的火灾危险性类别厂房的耐火等级最多允许层数每个防火分区的最大允许建筑面积(m2)单层多层高层地下或半地下厂房厂房厂房厂房(包括地下或半地下室)甲一级二级宜采纳单层4000300030002000————乙一级二级不限6500040004000300020001500——丙一级二级三级不限不限2不限8000300060004000200030002000—500500—丁一、二级三级四级不限31不限40001000不限2000—4000—-1000-—戊一、二级三级四级不限31不限50001500不限3000—6000——1000——注:1 防火分区之间应采纳防火墙分隔.除甲类厂房外的一、二级耐火等级厂房,当其防火分区的建筑面积大于本表规定,且设置防火墙确有困难时,可采纳防火卷帘或防火分隔水幕分隔。采纳防火卷帘时,应符合本法律规范第 6。5。3 条的规定;采纳防火分隔水幕时,应符合现行国家标准《自动喷水灭火系统设计法律规范》GB 50084 的规定.2 除麻纺...

1、当您付费下载文档后,您只拥有了使用权限,并不意味着购买了版权,文档只能用于自身使用,不得用于其他商业用途(如 [转卖]进行直接盈利或[编辑后售卖]进行间接盈利)。
2、本站所有内容均由合作方或网友上传,本站不对文档的完整性、权威性及其观点立场正确性做任何保证或承诺!文档内容仅供研究参考,付费前请自行鉴别。
3、如文档内容存在违规,或者侵犯商业秘密、侵犯著作权等,请点击“违规举报”。

碎片内容

《建筑设计防火规范》GB-50016—2025

您可能关注的文档

文旅传媒+ 关注
实名认证
内容提供者

传播文化,成就未来

确认删除?
VIP
微信客服
  • 扫码咨询
会员Q群
  • 会员专属群点击这里加入QQ群
客服邮箱
回到顶部