电脑桌面
添加小米粒文库到电脑桌面
安装后可以在桌面快捷访问

《通风与空调工程施工质量验收规范》GB50243-2025

《通风与空调工程施工质量验收规范》GB50243-2025_第1页
1/32
《通风与空调工程施工质量验收规范》GB50243-2025_第2页
2/32
《通风与空调工程施工质量验收规范》GB50243-2025_第3页
3/32
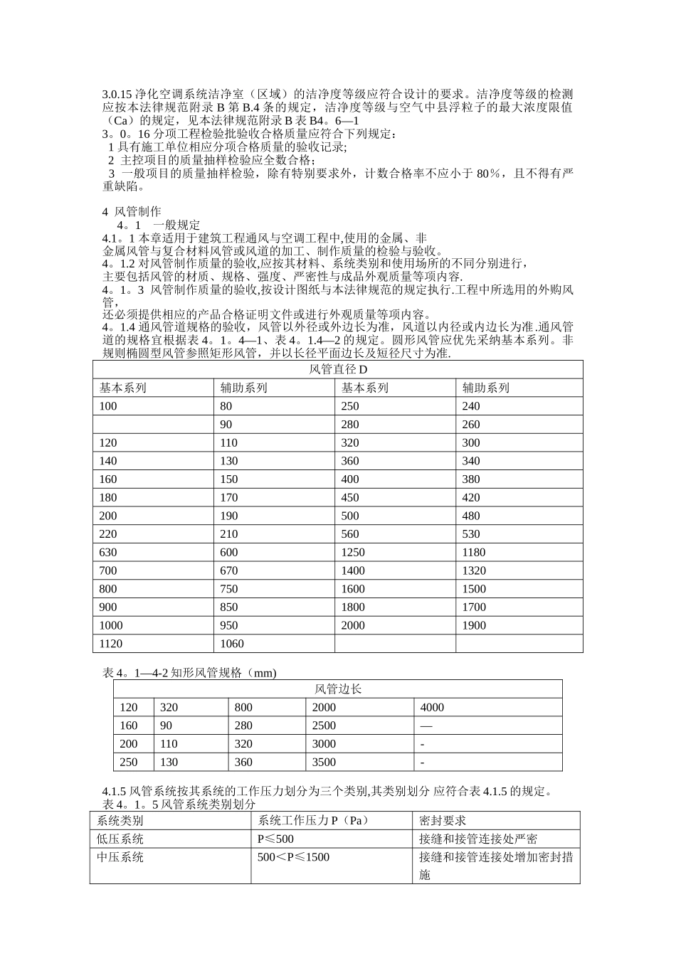
1 总 则 1.0.1 为了加强建筑工程质量管理,统一通风与空调工程施工质量的验收,保证工程质量,制定本法律规范. 1.0.2 本法律规范适用于建筑工程通风与空调工程施工质量的验收。 1.0.3 本法律规范应与现行国家标准建筑工程施工质量验收统一标准) GB 50300-2001配套使用。 1.0.4 通风与空间工程施工中采纳的工程技术文件、承包合同文件对施工质量的要求不也低于本法律规范的规定. 1.0.5 通 风与空调工程施工质且的验收除应执行本法律规范的规定外,尚应符合国家现行有关标准法律规范的规定. 2 术 语2.0.l 风管 air duct 采纳金属、非金属薄板或其他材料制作而成,用于空气流通的管道.2.0.2 风道 air channel 采纳混凝土、砖等建筑材料砌筑而成,用于空气流通的通道.2.0.3 通风工程 ventilation worb 送风、排风、除尘、气力输送以及防燃烟系统工程的统称.2.0.4 空调工程 air conditioning works 空气调节、空气净化与洁净室空调系统的总称.2.0。5 风管配件 duct fittings 风管系统中的弯管、三通、四通、各类变径及异形管、导流叶片和法兰等。2.0.6 风管部件 duct accessory 通风、空调风管系统中的各类风口、阀门、排气罩、风帽、检查门和测定孔等.2.0.7 咬口 seam 金用薄板边缘弯曲成一定形状,用于相互固定连接的构造.2.0.8 漏风量 air leakage。ie 风管系统中,在某一静压下通过风管本体结构及其接口,单位时间内泄出或渗入的空气体积量.2.0.9 系统风管允许漏风量 airsystempermlsslbleleakag.rate 按风管系统类别所规定平均单位面积、单位时间内的最大允许漏风量.2.0.10 漏风率 air system leakage rat;。 空调设备、除尘器等,在工作压力下空气渗入或泄漏量与其额定风量的比值.2.0.11 净化空调系统 air cleaning system 用于洁净空间的空气调节、空气净化系统。2.0.12 漏光检测 air leak check with lighting 用强光源对风管的咬口、接缝、法兰及其他连接处进行透光检查,确定孔洞、缝隙穿渗漏部位及数量的方法.2.0.13 整体式制冷设备 packaged refrigerating unit 制冷机、冷凝器、蒸发器及系统辅助部件组装在同一机座上,而构成整体形式的制冷设备.2.0.14 组装式制冷设备 assembling refrigerating unit 制冷机、冷凝器、蒸发器及辅助设备采纳部分集中、部分分开安装形式的制冷设备.2.0.I5 风管系统...

1、当您付费下载文档后,您只拥有了使用权限,并不意味着购买了版权,文档只能用于自身使用,不得用于其他商业用途(如 [转卖]进行直接盈利或[编辑后售卖]进行间接盈利)。
2、本站所有内容均由合作方或网友上传,本站不对文档的完整性、权威性及其观点立场正确性做任何保证或承诺!文档内容仅供研究参考,付费前请自行鉴别。
3、如文档内容存在违规,或者侵犯商业秘密、侵犯著作权等,请点击“违规举报”。

碎片内容

《通风与空调工程施工质量验收规范》GB50243-2025

您可能关注的文档

确认删除?
VIP
微信客服
  • 扫码咨询
会员Q群
  • 会员专属群点击这里加入QQ群
客服邮箱
回到顶部