电脑桌面
添加小米粒文库到电脑桌面
安装后可以在桌面快捷访问

中厚板热处理工艺技术规程

中厚板热处理工艺技术规程_第1页
1/16
中厚板热处理工艺技术规程_第2页
2/16
中厚板热处理工艺技术规程_第3页
3/16
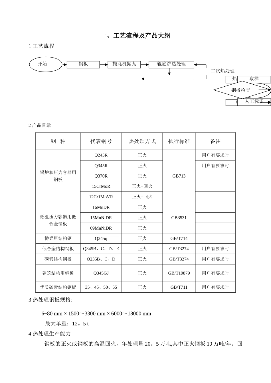
一、工艺流程及产品大纲1 工艺流程2 产品目录钢 种代表钢号热处理方式执行标准备注锅炉和压力容器用钢板Q245R正火GB713用户有要求时Q345R正火用户有要求时Q370R正火15CrMoR正火+回火12Cr1MoVR正火+回火低温压力容器用低合金钢板16MnDR正火GB353115MnNiDR正火09MnNiDR正火桥梁用结构钢Q345q正火GB/T714低合金结构钢板Q345B、C、D、E正火GB/T3274用户有要求时碳素结构钢板Q235B、C、D正火GB/T3274用户有要求时建筑结构用钢板Q345GJ正火GB/T19879用户有要求时优质碳素结构钢板35、45、50、55正火GB/T711用户有要求时3 热处理钢板规格:6~80 mm × 1500~3300 mm × 6000~18000 mm最大单重:12。5 t4 热处理生产能力钢板的正火或钢板的高温回火,年处理量 20。5 万吨,其中正火钢板 19 万吨/年;回钢板抛丸机抛丸辊底炉热处理 热处理冷床冷却取样成品收集、入库人工标识结束开始钢板检查二次热处理火钢板 1。5 万吨/年。二 抛丸清理区域工艺技术操作规程1、抛丸清理区域主要设备及性能1。1 抛丸清理机总体性能参数前后输送辊道速度(变频调速) 1。5~6。0 m/min抛丸清理速度:≥2。0~6。0m/min,正常除锈质量等级:A-B Sa2。5 级 (GB8923-88 或 ISO8501—1,1988)处理后钢板表面粗糙度:Ra12.5-25μm除尘风量:~39, 500 m³/h使用弹丸规格:Φ1。0~1.2 mm (钢丝切丸或铸钢丸)弹丸初次加入量:25t装机功率:约 660 KW压缩空气耗量约:5.5~6。5m3/min压缩空气压力范围:0。4~0.6 MPa1。2 抛丸清理机前上料、机后输送辊道:辊子型式空心辊,壁厚~30mm输送速度1~20m/min辊子尺寸Φ350×3500 mm辊子数量上料:31 根;机后输送:31 根辊距1000 mm驱动电机功率4 KW1。3 抛丸室输送辊道:辊道驱动方式电机直联传动辊道间距607 mm电机功率0。75KW耐磨辊道护套寿命10,000 小时耐磨护套每节长度520mm耐磨护套材质20CrMnMo辊子数量13耐磨辊道数量 4 个1.4 抛丸除锈系统室体耐磨护板材质高锰钢板/高耐磨铸铁护板双层护板防护室体耐磨护板寿命8000 小时单台抛丸量750 kg/min单台功率55 kW数量8 个叶片寿命≥500 小时1.5 丸料清扫系统对钢板的清理采纳二级清扫加二级风吹的方式:一级滚扫采纳传统的高强度尼龙滚刷+收丸螺旋的方式;二级横扫采纳钢丝侧刷+压轮方式,清扫大量弹丸;一级风吹采纳高压风机在清扫室内吹丸.二级风吹采纳高压空气在清扫室进行吹丸.收丸螺旋机( 螺 旋 叶 片 材 质16Mn)直...

1、当您付费下载文档后,您只拥有了使用权限,并不意味着购买了版权,文档只能用于自身使用,不得用于其他商业用途(如 [转卖]进行直接盈利或[编辑后售卖]进行间接盈利)。
2、本站所有内容均由合作方或网友上传,本站不对文档的完整性、权威性及其观点立场正确性做任何保证或承诺!文档内容仅供研究参考,付费前请自行鉴别。
3、如文档内容存在违规,或者侵犯商业秘密、侵犯著作权等,请点击“违规举报”。

碎片内容

中厚板热处理工艺技术规程

确认删除?
VIP
微信客服
  • 扫码咨询
会员Q群
  • 会员专属群点击这里加入QQ群
客服邮箱
回到顶部