电脑桌面
添加小米粒文库到电脑桌面
安装后可以在桌面快捷访问

临电施工组织设计方案

临电施工组织设计方案_第1页
1/16
临电施工组织设计方案_第2页
2/16
临电施工组织设计方案_第3页
3/16
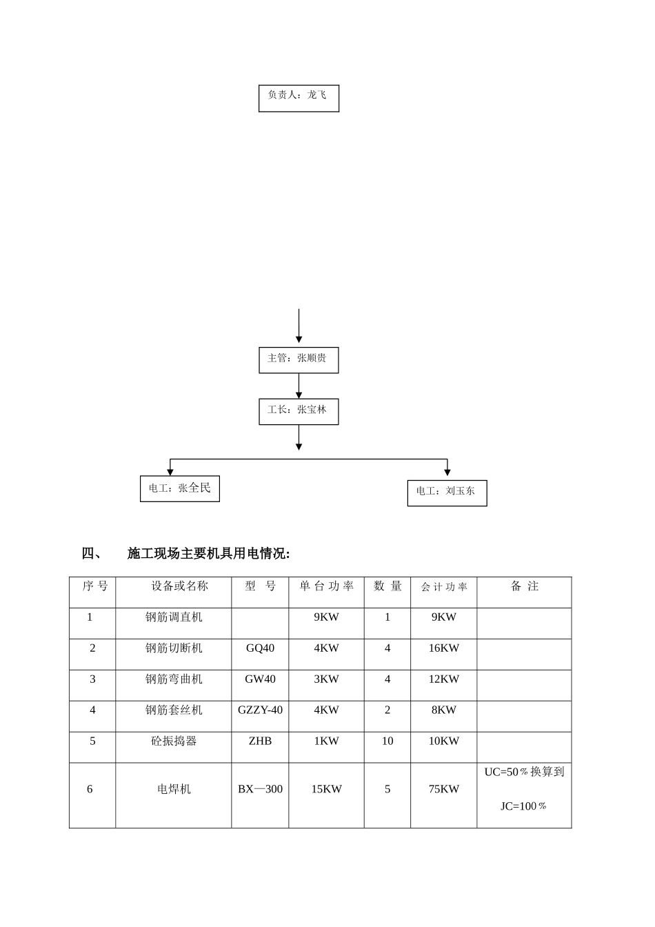
首钢京唐钢铁联合有限公司一期项目燃气设施工程(二标段)临电施工组织设计(方案)编制人:审核人:审批人:中国新兴保信建设总公司曹妃甸项目部 年 月 日目 录一、 编制依据;二、 工程概况;三、 临时用电人员组织机构;四、 施工现场主要机具用电情况;五、 电缆选用;六、 配电箱接地装置;七、 现场较大设施防雷措施;八、 现场用电方式及保护;九、 临时用电施工方案交底;十、 施工现场临时用电管理制度(包括电工值班、巡查制度);十一、安全用电技术措施和用电防火措施;十二、装修阶段的配电方案;十三、防止触电事故应急预案.一、编制依据⒈《施工现场临时用电安全技术法律规范》JGJ46-2025;⒉《建筑施工安全检查标准》JGJ59-99;⒊ 施工现场十大员管理手册《现场电工》;⒋ 建设工程施工现场供电安全法律规范 GB50194—93;二、工程概况㈠ 建筑工程概况工程为京唐钢铁燃气工程⒈ 压缩机房 2。热轧混合站 3.煤气精制 4。高楼燃气加压站㈡ 临时用电工程概况⒈ 施工现场范围内无上、下水管道,无各种埋地线路及架空线路,施工单位向供电部门报批各种大中小型机械设备用电量。施工现场无一、二级负荷,电源位于公路南侧引入公路北侧设变压器一台,变压器容量为 500KW,由变压器低压引入总配电箱箱内计量,本设计只负责供电箱以下的线路及电气开关的选择。⒉ 根据施工现场场地及用电设备的布置情况由总配电箱分四路供电,P1供 1 号施工场地,P2供 2 号施工场地,P3供 3 号施工场地,P4供办公区域,现场所有配电箱均采纳电缆供电,电缆直埋敷设。电缆在穿过所有机动车道路及沟槽边时应做穿管保护并沿电缆走向做好警示标记(施工现场配电箱的位置编号及电缆走向、电缆型号见施工现场临时用电平面布置图)。本工程现场临时用电采纳 TN—S 系统,施工现场临时用电采纳三级配电、两级漏电保护。三、临时用电人员组织机构:负责人:龙飞 四、施工现场主要机具用电情况:序 号设备或名称型 号单 台 功 率数 量会 计 功 率备 注1钢筋调直机9KW19KW2钢筋切断机GQ404KW416KW3钢筋弯曲机GW403KW412KW4钢筋套丝机GZZY-404KW28KW5砼振捣器ZHB1KW1010KW6电焊机BX—30015KW575KWUC=50﹪换算到JC=100﹪主管:张顺贵工长:张宝林电工:张全民电工:刘玉东7无齿机JD/B1。5KW23KW8电锯UJ-1042.2KW24。4KW9电刨UB-5033KW13KW10蛙式打夯机HW-601.1KW22.2KW11砂浆搅拌机JS-5007.5KW215KW12手持电动工具8KW13办公用电及室外...

1、当您付费下载文档后,您只拥有了使用权限,并不意味着购买了版权,文档只能用于自身使用,不得用于其他商业用途(如 [转卖]进行直接盈利或[编辑后售卖]进行间接盈利)。
2、本站所有内容均由合作方或网友上传,本站不对文档的完整性、权威性及其观点立场正确性做任何保证或承诺!文档内容仅供研究参考,付费前请自行鉴别。
3、如文档内容存在违规,或者侵犯商业秘密、侵犯著作权等,请点击“违规举报”。

碎片内容

临电施工组织设计方案

您可能关注的文档

确认删除?
VIP
微信客服
  • 扫码咨询
会员Q群
  • 会员专属群点击这里加入QQ群
客服邮箱
回到顶部