电脑桌面
添加小米粒文库到电脑桌面
安装后可以在桌面快捷访问

主通廊吊装施工方案

主通廊吊装施工方案_第1页
1/28
主通廊吊装施工方案_第2页
2/28
主通廊吊装施工方案_第3页
3/28
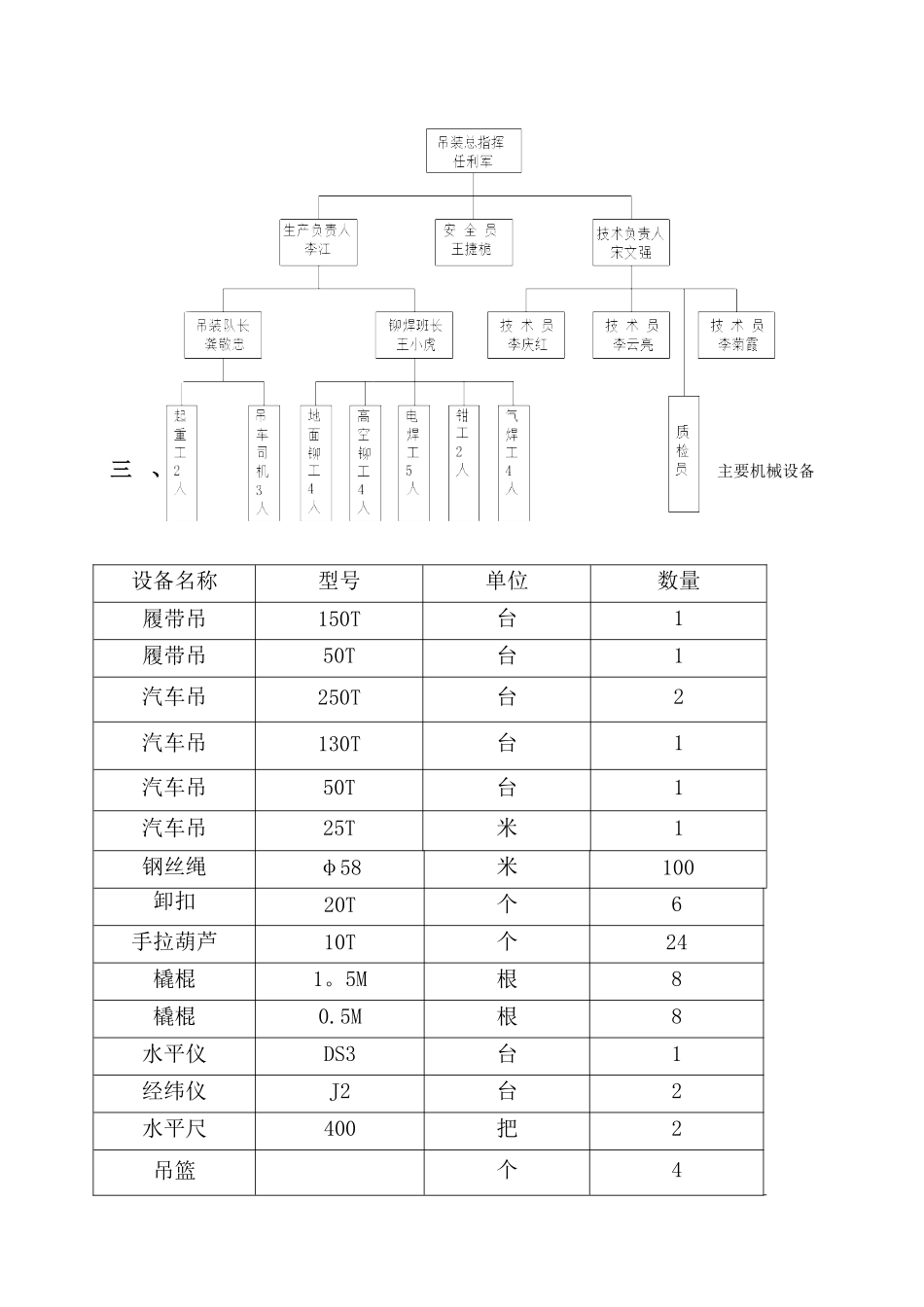
1080m3高炉炉顶上料主通廊吊装方案一、 工程概况建设单位:总包单位:监理单位:施工单位:本方案是针对汉钢 1080m3 高炉原料区炉顶上料主通廊而设计,通廊全长250 多米,共八节,八部通廊支架,通廊总重约 780 吨。主通廊是从炉顶上料转运站通往炉顶框架 55 米处.二、 施工依据: 2.1 施工蓝图 0988.03JG6。17 2。2 起重吊装作业规程: QA3201—2025 2.3 吊车性能参数表(后附)2.4 吊装工程量如下表:(净重)序号构件名称数量总重(T)起始标高1桁架 HJ1 段17539 米~48 米2桁架 HJ2 段178。930 米~39 米3桁架 HJ3 段167。522 米~30 米4桁架 HJ4 段176。413 米~22 米5桁架 HJ5 段120.38。8 米~13 米6桁架 HJ6 段113。56 米~8。8 米7桁架 HJ7 段19。73。8 米~6 米8桁架 HJ8/9 段135。748 米~53 米9柱架 112。13。8 米10柱架 213。16 米11柱架 314.38。8 米12柱架 4118。213 米13柱架 512522 米14柱架 6141.530 米15柱架 7110639 米16柱架 8168。848 米三、 人员组织机构设置三、主要机械设备 设备名称型号单位数量履带吊150T台1履带吊50T台1汽车吊250T台2汽车吊130T台1汽车吊50T台1汽车吊25T米1钢丝绳φ58米100卸扣20T个6手拉葫芦10T个24橇棍1。5M根8橇棍0.5M根8水平仪DS3台1经纬仪J2台2水平尺400把2吊篮个4设备名称型号单位数量油顶20 吨个4揽风绳米300四、吊装流程钢结构吊装总顺序为:先柱架吊装固定,随后通廊桁架主体吊装。具体安装流程如下:基础验收→构件运输→柱架组拼→柱架吊装→通廊桁架组拼→通廊桁架吊装→檩条吊装→涂装作业。根据上述工序每一柱间独立单元构件安装完后,具有较稳定的空间刚度和整体稳定性。4。1 基础验收:检查基础的位置、标高、轴线偏差和预埋螺栓位置偏差,并做好验收交接记录.基础允许偏差序号项目允许偏差(mm)1底面标高-10。0~02轴线偏差10.03预埋螺栓孔位置偏差±2。04。2 吊装所需场地: 由于此次吊装的构件重量和高度较大,所以吊装场地一定要坚实平整,必要时要在吊车下铺设一定厚度的钢板,确保吊车平稳吊装。4。3 钢构件运输:由于通廊柱架整体外形尺寸过大,所以采纳分节制作,然后运至安装现场再组拼。最大支架重约 108 吨,高 40 米,柱脚跨度 22 米。部分通廊主体也采纳分节制作,运至安装现场再进行组拼。以上构件采纳 40T 拖车加炮拖运输,装卸和现场转运采纳 50T 履带和 25T 汽车吊。 4。4 通廊柱架的组...

1、当您付费下载文档后,您只拥有了使用权限,并不意味着购买了版权,文档只能用于自身使用,不得用于其他商业用途(如 [转卖]进行直接盈利或[编辑后售卖]进行间接盈利)。
2、本站所有内容均由合作方或网友上传,本站不对文档的完整性、权威性及其观点立场正确性做任何保证或承诺!文档内容仅供研究参考,付费前请自行鉴别。
3、如文档内容存在违规,或者侵犯商业秘密、侵犯著作权等,请点击“违规举报”。

碎片内容

主通廊吊装施工方案

您可能关注的文档

确认删除?
VIP
微信客服
  • 扫码咨询
会员Q群
  • 会员专属群点击这里加入QQ群
客服邮箱
回到顶部