电脑桌面
添加小米粒文库到电脑桌面
安装后可以在桌面快捷访问

人工挖孔桩施工记录

人工挖孔桩施工记录_第1页
1/16
人工挖孔桩施工记录_第2页
2/16
人工挖孔桩施工记录_第3页
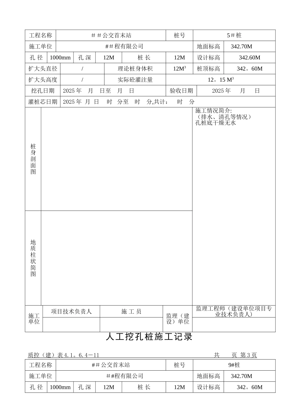
3/16
人工挖孔桩施工记录质控(建 ) 表 4 。 1.6.4 - 11 共 页 第 1 页 工程名称##公交首末站桩号1#桩施工单位##程有限公司地面标高 342。70M孔 径1000mm孔 深12M桩 长12M设计标高342.60M扩大头直径/理论桩身体积12M3桩顶标高342。60M扩大头高度/实际砼灌注量12。10 M3挖孔日期2025 年 月 日至 月 日验收日期2025 年 月 日灌桩芯日期2025 年 月 日 时 分至 时 分,共计: 时 分桩 身 剖 面 图施工情况简介:(排水、清孔等情况)孔桩底干燥无水地 质 柱 状 简 图施工单位项目技术负责人施 工 员监理(建设)单位监理工程师(建设单位项目专业技术负责人)人工挖孔桩施工记录质控(建)表 4.1 。 6.4 - 11 共 页 第 2 页 工程名称##公交首末站桩号5#桩施工单位##程有限公司地面标高 342.70M孔 径1000mm孔 深12M桩 长12M设计标高342.60M扩大头直径/理论桩身体积12M3桩顶标高342。60M扩大头高度/实际砼灌注量12。15 M3挖孔日期2025 年 月 日至 月 日验收日期2025 年 月 日灌桩芯日期2025 年 月 日 时 分至 时 分,共计: 时 分桩 身 剖 面 图施工情况简介:(排水、清孔等情况)孔桩底干燥无水地 质 柱 状 简 图施工单位项目技术负责人施 工 员监理(建设)单位监理工程师(建设单位项目专业技术负责人)人工挖孔桩施工记录质控(建)表 4.1 。 6.4 - 11 共 页 第 3 页 工程名称##公交首末站桩号9#桩施工单位##程有限公司地面标高 342.70M孔 径1000mm孔 深12M桩 长12M设计标高342。60M扩大头直径/理论桩身体积12M3桩顶标高342。60M扩大头高度/实际砼灌注量12。10 M3挖孔日期2025 年 月 日至 月 日验收日期2025 年 月 日灌桩芯日期2025 年 月 日 时 分至 时 分,共计: 时 分桩 身 剖 面 图施工情况简介:(排水、清孔等情况)孔桩底干燥无水地 质 柱 状 简 图施工单位项目技术负责人施 工 员监理(建设)单位监理工程师(建设单位项目专业技术负责人)人工挖孔桩施工记录质控 ( 建)表 4.1 。 6.4 - 11 共 页 第 4 页 工程名称##公交首末站桩号13#桩施工单位##程有限公司地面标高 342.70M孔 径1000mm孔 深12M桩 长12M设计标高342。60M扩大头直径/理论桩身体积12M3桩顶标高342。60M扩大头高度/实际砼灌注量12.00 M3挖孔日期2025 年 月 日至 月 日验收日期2025 年 月 日灌桩芯日期...

1、当您付费下载文档后,您只拥有了使用权限,并不意味着购买了版权,文档只能用于自身使用,不得用于其他商业用途(如 [转卖]进行直接盈利或[编辑后售卖]进行间接盈利)。
2、本站所有内容均由合作方或网友上传,本站不对文档的完整性、权威性及其观点立场正确性做任何保证或承诺!文档内容仅供研究参考,付费前请自行鉴别。
3、如文档内容存在违规,或者侵犯商业秘密、侵犯著作权等,请点击“违规举报”。

碎片内容

人工挖孔桩施工记录

确认删除?
VIP
微信客服
  • 扫码咨询
会员Q群
  • 会员专属群点击这里加入QQ群
客服邮箱
回到顶部