电脑桌面
添加小米粒文库到电脑桌面
安装后可以在桌面快捷访问

人防工程锚固长度和搭接长度

人防工程锚固长度和搭接长度_第1页
1/4
人防工程锚固长度和搭接长度_第2页
2/4
人防工程锚固长度和搭接长度_第3页
3/4
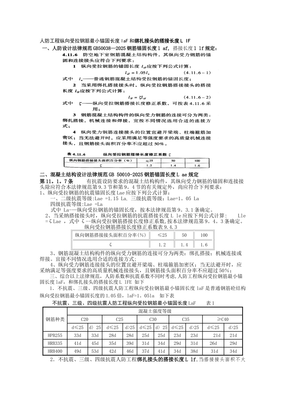
人防工程纵向受拉钢筋最小锚固长度 laF 和绑扎接头的搭接长度 L lF一、人防设计法律规范 GB50038—2025 钢筋锚固长度 l af, 搭接长度 l lf 规定:二、混凝土结构设计法律规范 GB 50010-2025 钢筋锚固长度 L ae 规定第 11。1。7 条 有抗震设防要求的混凝土结构构件,其纵向受力钢筋的锚固和连接接头除应符合本法律规范第 9.3 节和第 9。4 节的有关规定外,尚应符合下列要求:1、纵向受拉钢筋的抗震锚固长度 Lae 应按下列公式计算:一、二级抗震等级:Lae =1.15 La, 三级抗震等级:Lae=1。05 La四级抗震等级:Lae =La式中 La-—纵向受拉钢筋的锚固长度,按本法律规范第 9。3.1 条确定。2、当采纳搭接接头时,纵向受拉钢筋的抗震搭接长度 L le 应按下列公式计算: Lle =ζLae ,式中 ζ--纵向受拉钢筋搭接长度修正系数,按本法律规范第 9。4。3 条确定。纵向受拉钢筋搭接长度修正系数表 9.4.3纵向钢筋搭接接头面积百分率(%)≤2550100ζ1.21.41.63、钢筋混凝土结构构件的纵向受力钢筋的连接可分为两类:绑扎搭接;机械连接或焊接。宜接不同情况选用合适的连接方式;4、纵向受力钢筋连接接头的位置宜避开梁端、柱端箍筋加密区;当无法避开时,应采纳满足等强度要求的高质量机械连接接头,且钢筋接头面积百分率不应超过 50%;三、综合以上法律规范,人防系数和抗震系数不同时考虑,人防工程纵向受拉钢筋最小锚固长度 laF,和绑扎接头的搭接长度 L lFE 如下1.不抗震、三级、四级抗震人防工程纵向受拉钢筋最小锚固长度 laF 是普通钢筋砼结构纵向受拉钢筋最小锚固长度的 1.05 倍,laF=1。05la 如下表不抗震、三级、四级抗震人防工程纵向受拉钢筋最小锚固长度 LaF 表 1钢筋种类混凝土强度等级C20C25C30C35≥C40d≤25d〉25d≤25d>25d≤25d〉25d≤25d>25d≤25d>25HPB25533d33d28d28d25d25d23d23d21d21dHRB33541d45d35d39d31d34d29d31d26d29dHRB40049d53d42d46d37d41d34d38d 31d34d2.不抗震、三级、四级抗震人防工程绑扎接头的搭接长度 L lf,当搭接接头面积不大于 25%时, L lf=1。2 LaF;当搭接接头面积不大于 50%时,L lf=1.4 LaF;LaF 按表 1 数值.不抗震、三级、四级抗震纵向受拉钢筋最小搭接长度 L lf(搭接接头面积不大于25%)钢筋种类混 凝 土 强 度 等 级C20C25C30C55≥C40d≤25d>25d≤25d>25d≤25d>25d≤25d>25d≤25 d〉25HPB25539d39d34d34d30d30d27d27d25d25dHRB3354...

1、当您付费下载文档后,您只拥有了使用权限,并不意味着购买了版权,文档只能用于自身使用,不得用于其他商业用途(如 [转卖]进行直接盈利或[编辑后售卖]进行间接盈利)。
2、本站所有内容均由合作方或网友上传,本站不对文档的完整性、权威性及其观点立场正确性做任何保证或承诺!文档内容仅供研究参考,付费前请自行鉴别。
3、如文档内容存在违规,或者侵犯商业秘密、侵犯著作权等,请点击“违规举报”。

碎片内容

人防工程锚固长度和搭接长度

确认删除?
VIP
微信客服
  • 扫码咨询
会员Q群
  • 会员专属群点击这里加入QQ群
客服邮箱
回到顶部