电脑桌面
添加小米粒文库到电脑桌面
安装后可以在桌面快捷访问

企业安全卫生检查表VIP专享

企业安全卫生检查表_第1页
1/3
企业安全卫生检查表_第2页
2/3
企业安全卫生检查表_第3页
3/3
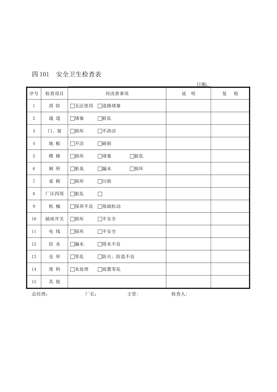
四 I01 安全卫生检查表 日期: 序号检查项目待改善事项说 明复 检1消 防 无法使用 道路堵塞2通 道 堵塞 脏乱3门、窗 损坏 不清洁4地 板 不洁 破损5楼 梯 损坏 堵塞 脏乱6厕 所 脏臭 漏水 损坏7桌 椅 损坏 污损8厂区四周 脏乱 9机 械 保养不良 基础松动10插座开关 损坏 不安全11电 线 损坏 不安全12给 水 漏水 排水不良13仓 库 零乱 防火、防盗不良14废 料 未处理 放置零乱15其 他总经理: 厂长: 主管: 检查人:四 I03 消防器材资料表 日期: 制表: 编 号品 名规格数量放置地点使用周期检验频度使用者管理者说明:1.本资料表由总务部门编制及督导,使用部门管理; 2.消防器材应设置资料卡.四 I04 环境清洁检查表部门: 日期: 检查者:项次检查项目地点责任者检查结查备 注整理整顿清洁标示1234567891011121314151617181920评 语经理: 主管: 制表:说明:检查结果符号: √优, △尚可, ╳差。

1、当您付费下载文档后,您只拥有了使用权限,并不意味着购买了版权,文档只能用于自身使用,不得用于其他商业用途(如 [转卖]进行直接盈利或[编辑后售卖]进行间接盈利)。
2、本站所有内容均由合作方或网友上传,本站不对文档的完整性、权威性及其观点立场正确性做任何保证或承诺!文档内容仅供研究参考,付费前请自行鉴别。
3、如文档内容存在违规,或者侵犯商业秘密、侵犯著作权等,请点击“违规举报”。

碎片内容

企业安全卫生检查表

确认删除?
VIP
微信客服
  • 扫码咨询
会员Q群
  • 会员专属群点击这里加入QQ群
客服邮箱
回到顶部