电脑桌面
添加小米粒文库到电脑桌面
安装后可以在桌面快捷访问

企业安全生产责任制考核表

企业安全生产责任制考核表_第1页
1/18
企业安全生产责任制考核表_第2页
2/18
企业安全生产责任制考核表_第3页
3/18
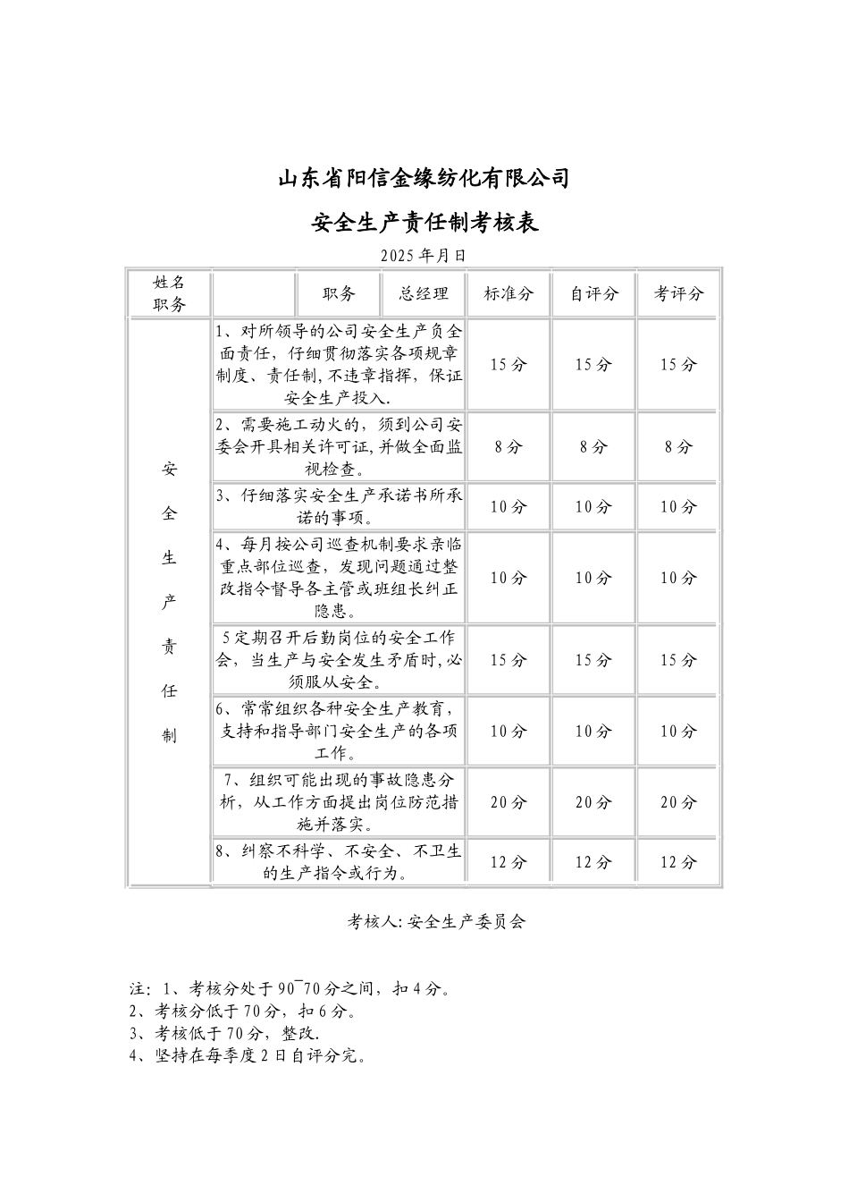
山东省阳信金缘纺化有限公司安全生产责任制考核表2025 年月日姓名职务职务总经理标准分自评分考评分安全生产责任制1、对所领导的公司安全生产负全面责任,仔细贯彻落实各项规章制度、责任制,不违章指挥,保证安全生产投入.15 分15 分15 分2、需要施工动火的,须到公司安委会开具相关许可证,并做全面监视检查。8 分8 分8 分3、仔细落实安全生产承诺书所承诺的事项。10 分10 分10 分4、每月按公司巡查机制要求亲临重点部位巡查,发现问题通过整改指令督导各主管或班组长纠正隐患。10 分10 分10 分5 定期召开后勤岗位的安全工作会,当生产与安全发生矛盾时,必须服从安全。15 分15 分15 分6、常常组织各种安全生产教育,支持和指导部门安全生产的各项工作。10 分10 分10 分7、组织可能出现的事故隐患分析,从工作方面提出岗位防范措施并落实。20 分20 分20 分8、纠察不科学、不安全、不卫生的生产指令或行为。12 分12 分12 分 考核人:安全生产委员会 注:1、考核分处于 90~70 分之间,扣 4 分。2、考核分低于 70 分,扣 6 分。3、考核低于 70 分,整改.4、坚持在每季度 2 日自评分完。 山东省阳信金缘纺化有限公司安全生产责任制考核表2025 年月日姓名职务职务厂长标准分自评分考评分安全生产责任制1、对本部门安全生产问题负责,将“我要安全”、“我会安全”理念落实到每个岗位。按责任制要求努力工作。15 分15 分15 分2、制定安全工作计划,进行方针目标管理,建立健全安全保证体系努力工作.1010103、组织编制本部门规章制度,责任制,将安全措施渗透到工作岗位的各个环节,记录检查执行情况。15 分15 分15 分4、组织每周一的安全生产巡查,收发存档内外部安全生产文件。10 分10 分10 分5、常常对员工及所主管的岗位进行职能知识教育。10 分10 分10 分6、参加可能出现的事故隐患分析,从工作方面提出岗位防范措施并落实。10 分10 分10 分7、协调配合服务各部门搞好安全生产工作。1010108、监督劳动保护用品使用,并监督其符合要求。1010109、对广阔员工进行安全教育、培训、考核.101010 考核人:安全生产委员会注:1、考核分处于 90~70 分之间,扣 4 分。2、考核分低于 70 分,扣 6 分。3、考核低于 70 分,整改.4、坚持在每季度 2 日自评分完。山东省阳信金缘纺化有限公司安全生产责任制考核表2025 年月日姓名职务职务生产技术负责人 标准分自评分考评分安全生产责任制1、对...

1、当您付费下载文档后,您只拥有了使用权限,并不意味着购买了版权,文档只能用于自身使用,不得用于其他商业用途(如 [转卖]进行直接盈利或[编辑后售卖]进行间接盈利)。
2、本站所有内容均由合作方或网友上传,本站不对文档的完整性、权威性及其观点立场正确性做任何保证或承诺!文档内容仅供研究参考,付费前请自行鉴别。
3、如文档内容存在违规,或者侵犯商业秘密、侵犯著作权等,请点击“违规举报”。

碎片内容

企业安全生产责任制考核表

您可能关注的文档

阳光书坊+ 关注
实名认证
内容提供者

阳光书坊,传播未来

确认删除?
VIP
微信客服
  • 扫码咨询
会员Q群
  • 会员专属群点击这里加入QQ群
客服邮箱
回到顶部