电脑桌面
添加小米粒文库到电脑桌面
安装后可以在桌面快捷访问

供应商质量工程师岗位说明书

供应商质量工程师岗位说明书_第1页
1/3
供应商质量工程师岗位说明书_第2页
2/3
供应商质量工程师岗位说明书_第3页
3/3
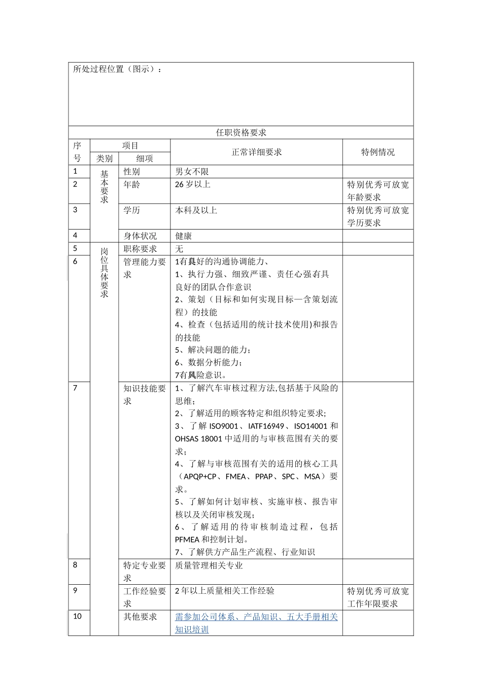
供应商质量工程师岗位说明书岗位(职位)编号岗位(职位)名称供应商质量工程师岗位基本信息岗位类别□经管类■技术类职等 F 员&工归属部门供应链管理中心行政管理上级供应链总监直接管理岗位(递进)无职级12345薪酬待遇岗位职责描述序号过程名称工作内容工作目标评价标准工作权重占比1供应商管理参加潜在供方评审按公司潜在供方评审要求评审按计划完成评审报告审核后 1 天内发给组织内部跟供应商15%2供应商管理编制供应商审核检查表,从供方资质、技术水平、设备能力、产能、质量体系水平等多方面调查编制的审核检查表符合标准要求、顾客要求内部审核、客户审核未发现问题点15%3供应商管理供应商业绩评价及时评价每月 15 日之前15%4供应商管理到供方现场进行审核,跟踪不符合项的整改完成情况按计划完成完成时间偏离1 天15%5供应商管理识别客户要求,把顾客要求传递到供应商及时传递客户要求无漏项客户要求内部评审后 2 天内传递跟供应商相关的客户要求无漏项15%6供应商管理组织对新的原材料及子件进行PSW 批准按公司流程及时进行批准偏离天数 1 天15%7完成领导交办的其他工作事宜及时完成完成偏离天数1 天10%工作网络所处过程位置(图示):任职资格要求序号项目正常详细要求特例情况类别细项1基本要求性别男女不限2年龄26 岁以上特别优秀可放宽年龄要求3学历本科及以上特别优秀可放宽学历要求4身体状况健康5岗位具体要求职称要求无6管理能力要求1、具有良好的沟通协调能力、1、执行力强、细致严谨、责任心强、具有良好的团队合作意识2、策划(目标和如何实现目标—含策划流程)的技能4、检查(包括适用的统计技术使用)和报告的技能5、解决问题的能力;6、数据分析能力;7、具有风险意识。7知识技能要求1、了解汽车审核过程方法,包括基于风险的思维;2、了解适用的顾客特定和组织特定要求;3、了解 ISO9001、IATF16949、ISO14001 和OHSAS 18001 中适用的与审核范围有关的要求;4、了解与审核范围有关的适用的核心工具(APQP+CP、FMEA、PPAP、SPC、MSA)要求。5、了解如何计划审核、实施审核、报告审核以及关闭审核发现;6 、 了 解 适 用 的 待 审 核 制 造 过 程 , 包 括PFMEA 和控制计划。7、了解供方产品生产流程、行业知识8特定专业要求质量管理相关专业9工作经验要求2 年以上质量相关工作经验特别优秀可放宽工作年限要求10其他要求需参加公司体系、产品知识、五大手册相关知识培训工作权限1主责权限...

1、当您付费下载文档后,您只拥有了使用权限,并不意味着购买了版权,文档只能用于自身使用,不得用于其他商业用途(如 [转卖]进行直接盈利或[编辑后售卖]进行间接盈利)。
2、本站所有内容均由合作方或网友上传,本站不对文档的完整性、权威性及其观点立场正确性做任何保证或承诺!文档内容仅供研究参考,付费前请自行鉴别。
3、如文档内容存在违规,或者侵犯商业秘密、侵犯著作权等,请点击“违规举报”。

碎片内容

供应商质量工程师岗位说明书

领读文化+ 关注
实名认证
内容提供者

传播文化,铸就未来

确认删除?
VIP
微信客服
  • 扫码咨询
会员Q群
  • 会员专属群点击这里加入QQ群
客服邮箱
回到顶部