电脑桌面
添加小米粒文库到电脑桌面
安装后可以在桌面快捷访问

充电桩日常维护手册

充电桩日常维护手册_第1页
1/7
充电桩日常维护手册_第2页
2/7
充电桩日常维护手册_第3页
3/7
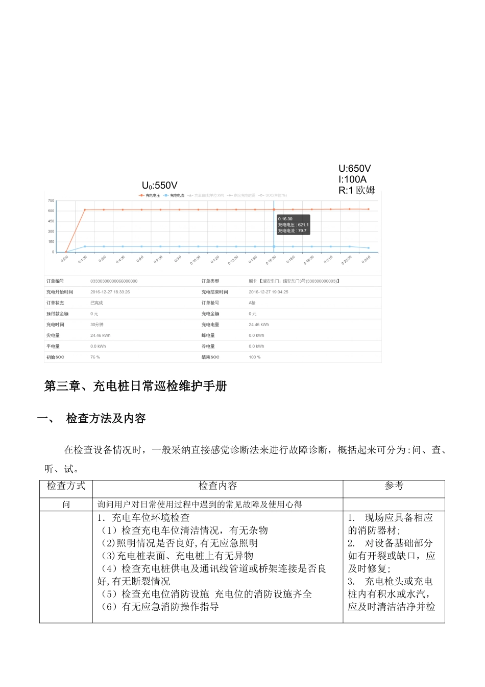
充电桩设备维护保养及常见故障指引手册第一章、充电桩系统概述充电桩其功能类似于加油站里面的加油机,可以固定在地面或墙壁,安装于公共建筑(公共楼宇、商场、公共停车场等)和居民小区停车场或充电站内,可以根据不同的电压等级为各种型号的电动汽车充电。充电桩的输入端与沟通电网直接连接,输出端都装有充电插头用于为电动汽车充电.充电桩一般提供常规充电和快速充电两种充电方式,人们可以使用特定的充电卡或者 APP 在充电桩提供的人机交互操作界面上刷卡或者进行扫码使用,进行相应的充电方式、充电时间、费用数据打印等操作,充电桩显示屏能显示充电量、费用、充电时间等数据.第二章、充电桩工作原理例:1、现在有 1 台 120KW 充电桩2、还有 1 台电动车:电池充满状态 U:650V电池最大承受电流 I:80A 内部电阻 R:1 欧姆电池目前使用剩余的电压是 U0:550V3、那么充电的过程是怎样的?750V160A第三章、充电桩日常巡检维护手册一、 检查方法及内容在检查设备情况时,一般采纳直接感觉诊断法来进行故障诊断,概括起来可分为:问、查、听、试。检查方式检查内容参考问询问用户对日常使用过程中遇到的常见故障及使用心得1.充电车位环境检查(1)检查充电车位清洁情况,有无杂物(2)照明情况是否良好,有无应急照明(3)充电桩表面、充电桩上有无异物(4)检查充电桩供电及通讯线管道或桥架连接是否良好,有无断裂情况(5)检查充电位消防设施 充电位的消防设施齐全 (6)有无应急消防操作指导1. 现场应具备相应的消防器材;2. 对设备基础部分如有开裂或缺口,应及时修复;3. 充电枪头或充电桩内有积水或水汽,应及时清洁洁净并检U0:550VU:650VI:100A R:1 欧姆查(7)核对充电桩运行保养记录,了解机组运行保养状况 2. 充电桩整体状况检查(1) 充电桩底座是否有损坏,裂痕,倾斜现象; (2) 检查充电桩本身及布线管道或桥架各部件的安装情况,各附件安装的稳固程度,及固定膨胀螺栓相连是否牢靠;(3)充电桩固定情况检查,有无脱落,晃动现象;(4)充电枪是否脱落,枪头是否插在枪位内,充电桩内部及枪头内部有无残留水;(5)充电桩进线接线端子,通讯线接线接线端子,有无松动,烧黑,充电桩内部元器件安装牢靠,无损伤,无脱落; (6)充电桩电缆布线合理,使用软线连接,各接线端子连接紧密无松动(7)充电桩内接地端子并有明显的标志,并接地良好 3.充电桩配电柜的检查(1)配电柜柜门是否上锁;柜体上电源指示灯是否正常...

1、当您付费下载文档后,您只拥有了使用权限,并不意味着购买了版权,文档只能用于自身使用,不得用于其他商业用途(如 [转卖]进行直接盈利或[编辑后售卖]进行间接盈利)。
2、本站所有内容均由合作方或网友上传,本站不对文档的完整性、权威性及其观点立场正确性做任何保证或承诺!文档内容仅供研究参考,付费前请自行鉴别。
3、如文档内容存在违规,或者侵犯商业秘密、侵犯著作权等,请点击“违规举报”。

碎片内容

充电桩日常维护手册

您可能关注的文档

确认删除?
VIP
微信客服
  • 扫码咨询
会员Q群
  • 会员专属群点击这里加入QQ群
客服邮箱
回到顶部