电脑桌面
添加小米粒文库到电脑桌面
安装后可以在桌面快捷访问

先张板梁施工方案6.20

先张板梁施工方案6.20_第1页
1/16
先张板梁施工方案6.20_第2页
2/16
先张板梁施工方案6.20_第3页
3/16
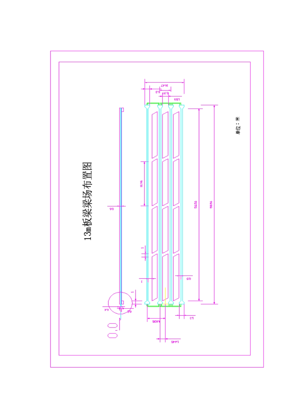
预制空心板施工方案编制依据:1、沈阳四环快速路新建工程第二合同段施工图设计2、沈阳四环公路建设项目《创精品工程实施纲要》3、沈阳四环快速路新建工程第二合同段工程招标文件4、《城市快速路审计法律规范》(CJJ129-2025)5、部颁《公路桥涵施工技术法律规范》 (JTJ 041-2000)6、部颁《公路工程质量检验评定标准》(JTJ 071-98)7、《公路工程技术标准》(JTC B01—2025)8、有关《工程技术管理条例》、《工程质量管理条例》、《管理手册》、《程序文件》、《施工现场管理考评》1.实行首件工程认可制度 1.1 首件工程的内容与含义在分部分项工程开工时,制定详细施工工艺方案,经监理批准,首先制造出的第一件工程成品。监理工程师对其材料、设备、工艺进行检查评估;对报检程序、表格进行法律规范;对首件工程强度、尺寸、外观、平整度等多项指标进行检查、验收,并形成对分项(分部)工程的材料、施工工艺、报检检查程序、产成品各项验收指标的结论性意见或报告;作为对后期同类工程施工指导和验收标准。同时,对首件工程存在不足,提出具体整改意见.1.2 首件工程的目的和作用 由于不同的工程项目是在不同的环境下进行的,材料、人员、设备、工艺、地理条件、安全环保要求等均发生了变化,这些变化将不同程度地影响到工程质量,通过首件制工程,可以评价对工程质量影响程度。 通过首件工程的实施,便于承包人施工工艺组合,总结经验,加强管理,为法律规范化施工制造条件。通过首件工程的实施,可预见施工中遇到的各种问题,特别是解决有可能影响工程质量的各种因素,对出现的问题及时处理,减少承包人的损失,避开施工后期造成返工。通过首件工程的实施,熟悉设计法律规范和技术要求,根据项目特点,确定表面质量等级及验收标准,落实业主对具体分项的特别要求.2.工程概况 我合同段共有 13m 先张法空心板梁 160 片,其中 K12+720 中桥120 片,K20+660 小桥 40 片。预制梁场设在 K19 预制梁场内。C40 混凝土使用梁场内搅拌站,钢筋集中加工,采纳定型钢模板。预制板梁场设置 3 槽,每槽预制板梁四片,共计 12 个台座。3.预制梁场布置梁场位于箱梁预制场北侧,张拉台座保证在受力后不倾覆、不移动、不变形。张拉台座采纳槽式台座,台座的长度和宽度根据施工现场的实际情况和生产板梁的数量决定设为长 60 米,宽 18 米。预制台座采纳钢筋混凝土制作,底座采纳 10cmC40 混凝土基础,上设 10cm C40 混凝土台座。台座两边...

1、当您付费下载文档后,您只拥有了使用权限,并不意味着购买了版权,文档只能用于自身使用,不得用于其他商业用途(如 [转卖]进行直接盈利或[编辑后售卖]进行间接盈利)。
2、本站所有内容均由合作方或网友上传,本站不对文档的完整性、权威性及其观点立场正确性做任何保证或承诺!文档内容仅供研究参考,付费前请自行鉴别。
3、如文档内容存在违规,或者侵犯商业秘密、侵犯著作权等,请点击“违规举报”。

碎片内容

先张板梁施工方案6.20

您可能关注的文档

确认删除?
VIP
微信客服
  • 扫码咨询
会员Q群
  • 会员专属群点击这里加入QQ群
客服邮箱
回到顶部