电脑桌面
添加小米粒文库到电脑桌面
安装后可以在桌面快捷访问

公司对项目部安全检查和整改记录

公司对项目部安全检查和整改记录_第1页
1/13
公司对项目部安全检查和整改记录_第2页
2/13
公司对项目部安全检查和整改记录_第3页
3/13
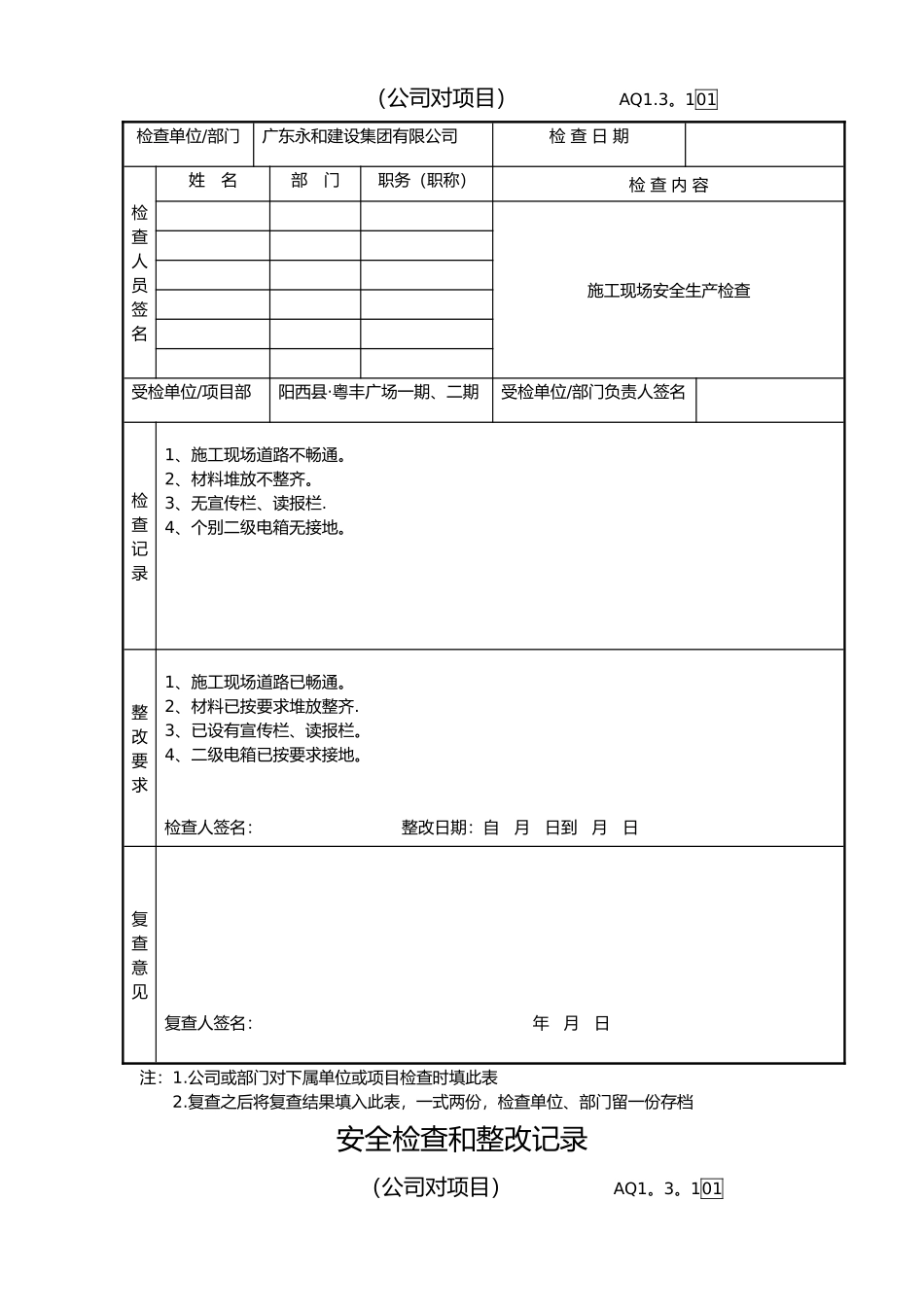
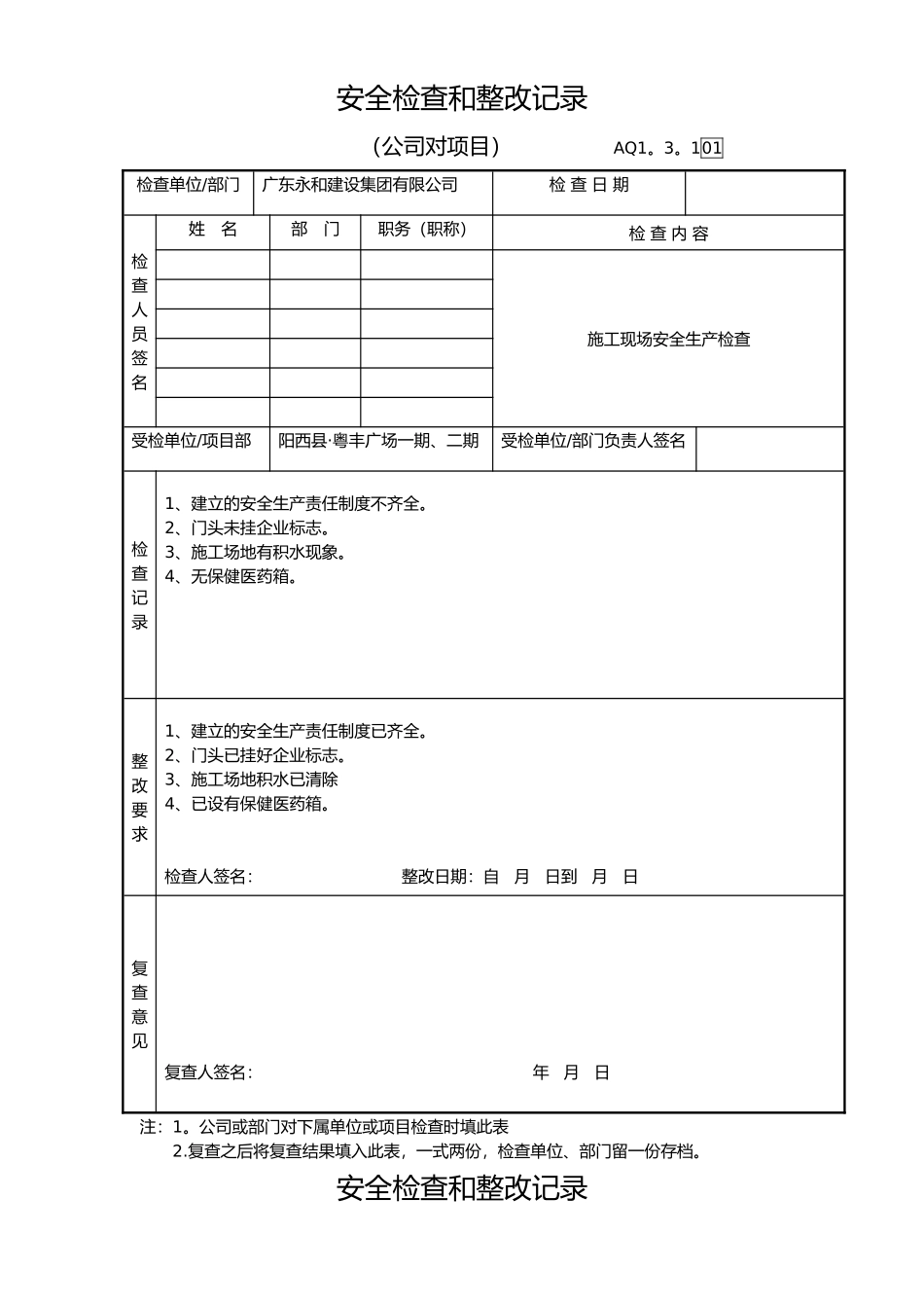
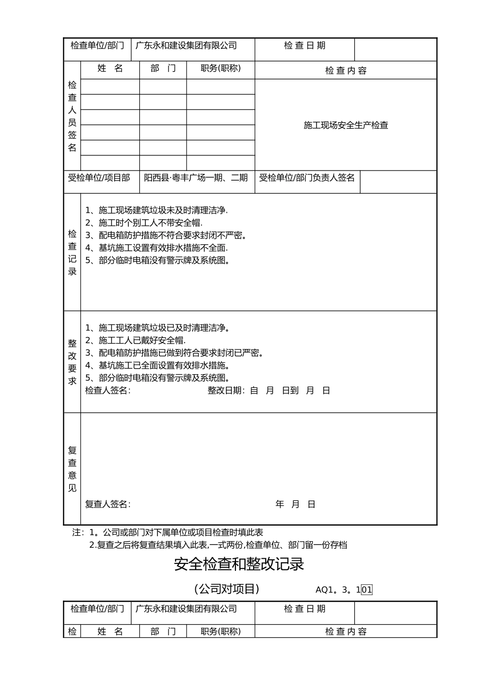
安全检查和整改记录 (公司对项目) AQ1。3。101检查单位/部门广东永和建设集团有限公司检 查 日 期检查人员签名姓 名部 门职务(职称)检 查 内 容施工现场安全生产检查受检单位/项目部阳西县·粤丰广场一期、二期受检单位/部门负责人签名检查记录1、建立的安全生产责任制度不齐全。2、门头未挂企业标志。3、施工场地有积水现象。4、无保健医药箱。整改要求1、建立的安全生产责任制度已齐全。2、门头已挂好企业标志。3、施工场地积水已清除4、已设有保健医药箱。检查人签名: 整改日期:自 月 日到 月 日复查意见复查人签名: 年 月 日注:1。公司或部门对下属单位或项目检查时填此表2.复查之后将复查结果填入此表,一式两份,检查单位、部门留一份存档。安全检查和整改记录 (公司对项目) AQ1.3。101检查单位/部门广东永和建设集团有限公司检 查 日 期检查人员签名姓 名部 门职务(职称)检 查 内 容施工现场安全生产检查受检单位/项目部阳西县·粤丰广场一期、二期受检单位/部门负责人签名检查记录1、施工现场道路不畅通。2、材料堆放不整齐。3、无宣传栏、读报栏.4、个别二级电箱无接地。整改要求1、施工现场道路已畅通。2、材料已按要求堆放整齐.3、已设有宣传栏、读报栏。4、二级电箱已按要求接地。检查人签名: 整改日期:自 月 日到 月 日复查意见复查人签名: 年 月 日注:1.公司或部门对下属单位或项目检查时填此表2.复查之后将复查结果填入此表,一式两份,检查单位、部门留一份存档安全检查和整改记录 (公司对项目) AQ1。3。101检查单位/部门广东永和建设集团有限公司检 查 日 期检查人员签名姓 名部 门职务(职称)检 查 内 容施工现场安全生产检查受检单位/项目部阳西县·粤丰广场一期、二期受检单位/部门负责人签名检查记录1、施工现场建筑垃圾未及时清理洁净.2、施工时个别工人不带安全帽.3、配电箱防护措施不符合要求封闭不严密。4、基坑施工设置有效排水措施不全面.5、部分临时电箱没有警示牌及系统图。整改要求1、施工现场建筑垃圾已及时清理洁净。2、施工工人已戴好安全帽.3、配电箱防护措施已做到符合要求封闭已严密。4、基坑施工已全面设置有效排水措施。5、部分临时电箱没有警示牌及系统图。检查人签名: 整改日期:自 月 日到 月 日复查意见复查人签名: 年 月 日注:1。公司或部门对下属单位或项目检查时填此表2.复查之后将复查结果填入此表,一式两份,检查单位、...

1、当您付费下载文档后,您只拥有了使用权限,并不意味着购买了版权,文档只能用于自身使用,不得用于其他商业用途(如 [转卖]进行直接盈利或[编辑后售卖]进行间接盈利)。
2、本站所有内容均由合作方或网友上传,本站不对文档的完整性、权威性及其观点立场正确性做任何保证或承诺!文档内容仅供研究参考,付费前请自行鉴别。
3、如文档内容存在违规,或者侵犯商业秘密、侵犯著作权等,请点击“违规举报”。

碎片内容

公司对项目部安全检查和整改记录

您可能关注的文档

确认删除?
VIP
微信客服
  • 扫码咨询
会员Q群
  • 会员专属群点击这里加入QQ群
客服邮箱
回到顶部