电脑桌面
添加小米粒文库到电脑桌面
安装后可以在桌面快捷访问

公司生产订单管理流程

公司生产订单管理流程_第1页
1/12
公司生产订单管理流程_第2页
2/12
公司生产订单管理流程_第3页
3/12
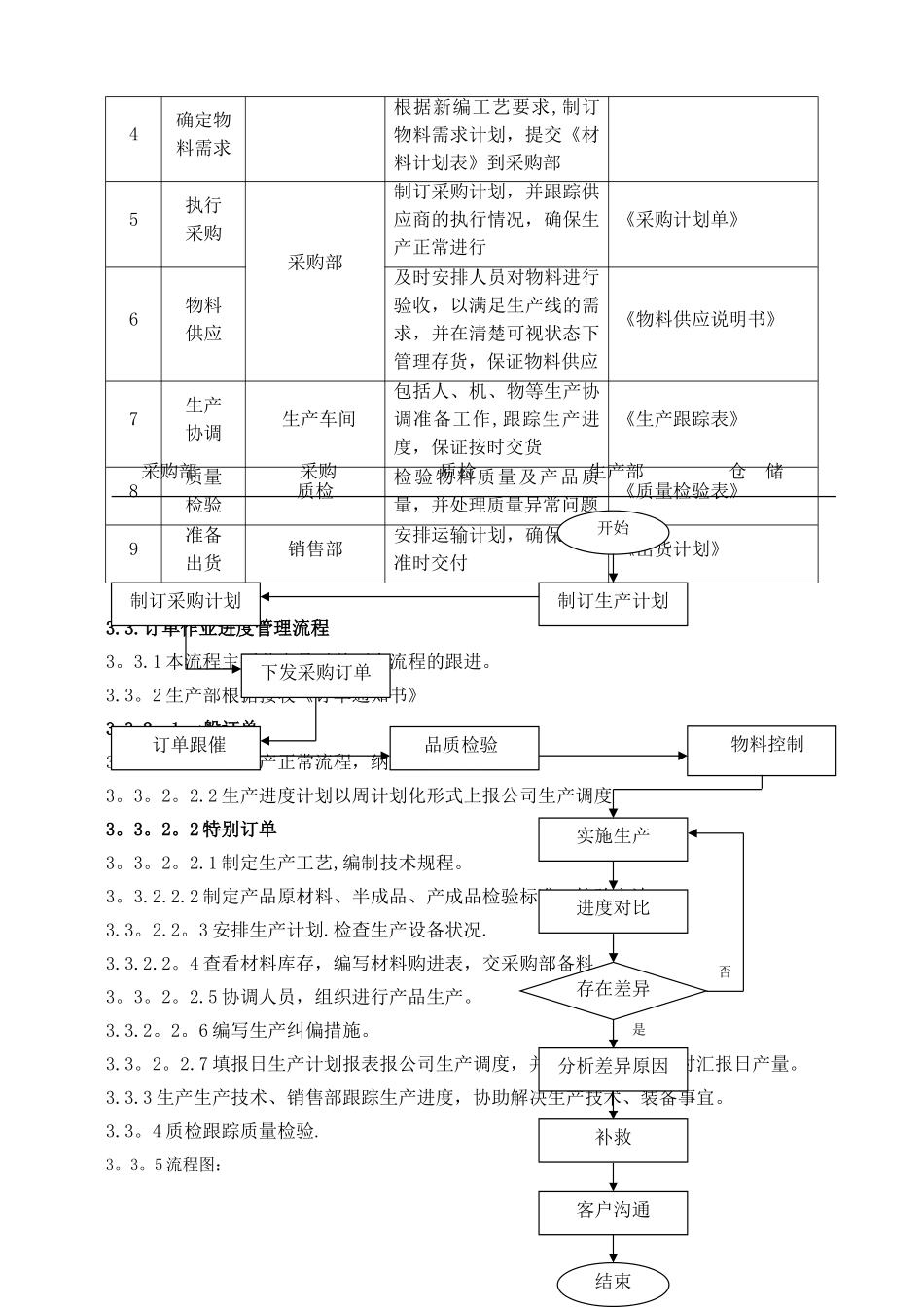
公司生产订单管理流程1.目的加强公司生产订单流程管理,体现从销售到生产环节的无缝衔接,实现产品生产过程安全、高效、低耗、按期交货。2。适应范围: 适用于青岛红福麟自动化设备有限公司。3.流程管理层3。1 订单评审管理流程3.1.1 该流程由销售部组织公司生产技术、质检、生产部对订单进行技术评审,提出处理意见.3。1.2 对能满足客户(合同)要求的一般订单准备技术、原材料预案,对技术偏离较大的特别订单由销售部和客户进行沟通,达成处理意见,由销售部报请公司领导签批。3。1.5 流程图(图 1)3.1。6 工作节点和部门分工订单评审管理流程执行说明序号节点责任单位相关说明相关文件或记录1接收订单销售部接收客户订单,整理客户信息《 订 单 接 收 登 记单》2订单评审销售部组织各相关部门进行技术评审,提出处理意见《 订 单 评 审 记 录表》3审批总经理对订单进行审批《 订 单 评 审 记 录销售部生产部生产技术订单审批处理结束下达订单制订生产计划生产实施生产反馈交货后管理订单接收客户下单订单评审技术审批是否表》4订单审批处理生产技术审核订单内容,适合公司生产 技 术 要 求 , 完 善 工 艺 细节,对定义模糊的描述重新咨询销售人员.《 订 单 评 审 记 录表》5下达生产订单生产部根据订单交期,制定生产计划,。要求生产技术提供产品 部 品 的 规 格 尺 寸 给 采 购部。《 订 单 下 达 通 知书》6制订生产计划根据订单要求,一般订单启动生产正常流程,特别订单制订生产新工艺,并下达到各生产车间。准确实施生产《生产计划》7生产实施根据生产计划,组织生产《生产随工单》8生产反馈如不能按订单要求完成,则申请变更订单《 生 产 反 馈 记 录表》3。2 订单协调管理流程3。2.1 该流程由公司生产调度组织生产技术、质检、采购部,根据客户提出的特别技术要求,进行配方和工艺结构的调整。(针对特别订单)3.2。2 调整后的配置和工艺结构方案,由公司生产调度会同生产生产技术、质检、采购部意见,整理后通知销售部。3。2。3 销售部得到客户同意后签订合同,下单执行。3。2.3.1 需要进行产品试制的,由生产技术牵头生产部协助实施。3。2。3。2 只做配置调整变化的,由生产调度下达《订单通知书》,进入《订单作业进度管理流程》.3.2。4 流程图 3。2.5 工作节点及部门分工订单协调管理流程说明序号节点责任部门相关说明相关文件或记录1提供客户订单销售部 与客...

1、当您付费下载文档后,您只拥有了使用权限,并不意味着购买了版权,文档只能用于自身使用,不得用于其他商业用途(如 [转卖]进行直接盈利或[编辑后售卖]进行间接盈利)。
2、本站所有内容均由合作方或网友上传,本站不对文档的完整性、权威性及其观点立场正确性做任何保证或承诺!文档内容仅供研究参考,付费前请自行鉴别。
3、如文档内容存在违规,或者侵犯商业秘密、侵犯著作权等,请点击“违规举报”。

碎片内容

公司生产订单管理流程

您可能关注的文档

办公文档专营+ 关注
实名认证
内容提供者

大量办公文档,欢迎选择

确认删除?
VIP
微信客服
  • 扫码咨询
会员Q群
  • 会员专属群点击这里加入QQ群
客服邮箱
回到顶部