电脑桌面
添加小米粒文库到电脑桌面
安装后可以在桌面快捷访问

出境货物木质包装除害处理标识加施资格申请考核表样式

出境货物木质包装除害处理标识加施资格申请考核表样式_第1页
1/12
出境货物木质包装除害处理标识加施资格申请考核表样式_第2页
2/12
出境货物木质包装除害处理标识加施资格申请考核表样式_第3页
3/12
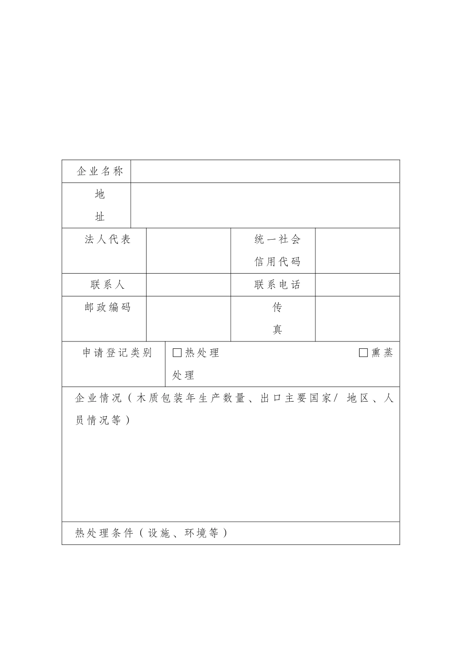
附件12出境货物木质包装除害处理标识加施资格申请考核表企业名称(盖章): 企业地址: 申请日期: 企业名称地 址法人代表统一社会信用代码联系人联系电话邮政编码传 真申请登记类别□热处理 □熏蒸处理企业情况(木质包装年生产数量、出口主要国家 /地区、人员情况等)热处理条件(设施、环境等)熏蒸处理条件(设施、环境、除害处理队伍资格等)防疫措施除害处理技术人员和防疫管理人员名单姓名部门职务职责电话上述报告内容属实,请海关予以审核。法人代表(签字): (盖章)年 月 日随附材料:□厂区平面图□除害处理设施情况□除害处理技术人员及质量管理人员资料□防疫、质量管理体系文件□其它隶属海关初审意见(附考核报告)签字:(盖章) 年 月 日直属海关考核意见签 字 :( 盖 章 ) 年 月 日《 出 境 货 物 木 质 包 装 除 害 处 理 标识 加 施 资 格申 请 考 核 表 》 填 表 说 明1 。企业名称:企业、个体工商户填写工商营业执照上的“名称”或“企业名称”,其他组织机构填写相应证书上的“机构名称”. 英文名称填写对应的英文名称。加盖公章。2 。企业地址:企业、个体工商户填写工商营业执照上的“住所”或“企业住所”,其他组织机构填写《企业法人营业执照》上的地址.3 。申请日期: 填写递交申请资料当天的日期.4. 法人代表:企业法人填《企业法人营业执照》上的“法定代表人"、分支机构填《营业执照》上的“负责人”、个体工商户填《个体工商户营业执照》上的“经营者姓名" 、个人独资企业填《个人独资企业营业执照》上的“投资者姓名", 其他企业填工商营业执照上的负责人姓名,其他组织机构填相应证书上的法定代表人或负责人姓名。5. 统一社会信用代码:填写营业执照上的“统一社会信用代码”。6 。联系人:填写企业的联系人姓名、联系电话。7 。邮政编码:填写工商注册地址对应的邮政编码。8. 传真:填写企业传真号码.9. 申请登记类别:根据企业情况勾选。10.企业情况:依次填写木质包装年生产数量(单位为个)、出口主要国家/ 地区、人员情况等。11。热处理条件:填写企业热处理设施和环境情况. 熏蒸处理企业填“不适用”。12。熏蒸处理条件: 填写企业熏蒸处理设施、环境、除害处理队伍资格等情况,热处理企业填“不适用”。13.防疫措施:填写企业防疫设施情况。14。除害处理技术人员和防疫管理人员名单:填写企业除害处理技术人员和防疫管理人员的姓名、部门、职务...

1、当您付费下载文档后,您只拥有了使用权限,并不意味着购买了版权,文档只能用于自身使用,不得用于其他商业用途(如 [转卖]进行直接盈利或[编辑后售卖]进行间接盈利)。
2、本站所有内容均由合作方或网友上传,本站不对文档的完整性、权威性及其观点立场正确性做任何保证或承诺!文档内容仅供研究参考,付费前请自行鉴别。
3、如文档内容存在违规,或者侵犯商业秘密、侵犯著作权等,请点击“违规举报”。

碎片内容

出境货物木质包装除害处理标识加施资格申请考核表样式

您可能关注的文档

确认删除?
VIP
微信客服
  • 扫码咨询
会员Q群
  • 会员专属群点击这里加入QQ群
客服邮箱
回到顶部