电脑桌面
添加小米粒文库到电脑桌面
安装后可以在桌面快捷访问

分部工程开工报告

分部工程开工报告_第1页
1/7
分部工程开工报告_第2页
2/7
分部工程开工报告_第3页
3/7
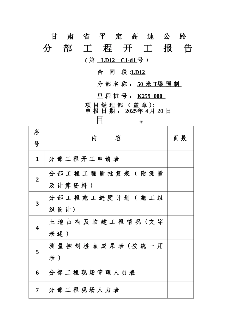
甘 肃 省 平 定 高 速 公 路分 部 工 程 开 工 报 告( 第 LD12 — C1-d1 号 )合 同 段 :LD12 分 部 名 称 : 50 米 T 梁 预 制 里 程 桩 号 : K259+000 项 目 经 理 部 ( 盖 章 ): 申 报 日 期 : 2025年 4 月 20 日目 录序号内 容页 数1分 部 工 程 开 工 申 请 表2分 部 工 程 工 程 量 批 复 表 ( 附 测 量及 计 算 资 料 )3分 部 工 程 施 工 进 度 计 划 ( 施 工 组织 设 计 )4土 地 占 有 及 临 建 工 程 情 况 ( 文 字表 述 )5测 量 控 制 桩 点 成 果 表 ( 按 统 一 用表 )6分 部 工 程 现 场 管 理 人 员 表7分 部 工 程 现 场 人 力 表8分 部 工 程 进 场 机 械 设 备 表9材 料 订 购 审 批 表10原 材 料 试 验 审 批 表 ( 按 统 一 用表 )11标 准 试 验 审 批 表 ( 按 统 一 用 表 )12施 工 平 面 布 置 图 ( 文 字 说 明 )13有 关 外 部 协 议 ( 假 如 有 )甘 肃 省 平 定 高 速 公 路分 部 工 程 开 工 申 报 表项目名称:平凉(罗汉洞) 至定西高速公路合同段:LD12 编号:LD12—C1-d1分部工程名 称T 梁 预 制桩 号K259+000拟定开工日 期2025。5 。 1计 划日 期160d完工日期2025 。8.30材 料 情况Ⅰ级钢筋20吨、Ⅱ级钢筋144 吨、祁连山 525 水 泥 40 吨 、 砂 70m3 碎 石 1200m3机 械 设备情 况见《甘肃省平定高速公路分部工程进场 机 械 或 设 备 表 》人 员 情况施工负责人序 号工 种数 量技术负责人1自检负责人2测量3负责人试验员4现 场 试验设 备 情况测 量 设备 情 况现 场 准备 情 况附 件项 目 经 理 ( 签 字 ) :年 月 日甘 肃 省 平 定 高 速 公 路分 部 工 程 现 场 管 理 人 员 表项 目 名 称 : 平 凉 ( 罗 汉 洞 ) 至 定 西 高 速 公 路合 同 段 : LD12 编 号 :LD12-C1—d1分 部 工程 名 称桩 号K259+000序号姓 名性别年龄职 称学历专业拟 担 任 职务备注1分 部 负 责人2桥 梁 工 程师3结 构 工 程师4测 量 员5资 料 员6试 验 工 程师7安 全 员8项目经理( 签 字 ) :年 月 日专业工程师意见 :...

1、当您付费下载文档后,您只拥有了使用权限,并不意味着购买了版权,文档只能用于自身使用,不得用于其他商业用途(如 [转卖]进行直接盈利或[编辑后售卖]进行间接盈利)。
2、本站所有内容均由合作方或网友上传,本站不对文档的完整性、权威性及其观点立场正确性做任何保证或承诺!文档内容仅供研究参考,付费前请自行鉴别。
3、如文档内容存在违规,或者侵犯商业秘密、侵犯著作权等,请点击“违规举报”。

碎片内容

分部工程开工报告

您可能关注的文档

确认删除?
VIP
微信客服
  • 扫码咨询
会员Q群
  • 会员专属群点击这里加入QQ群
客服邮箱
回到顶部