电脑桌面
添加小米粒文库到电脑桌面
安装后可以在桌面快捷访问

劳动合同职业病危害告知书VIP免费

劳动合同职业病危害告知书_第1页
1/3
劳动合同职业病危害告知书_第2页
2/3
劳动合同职业病危害告知书_第3页
3/3
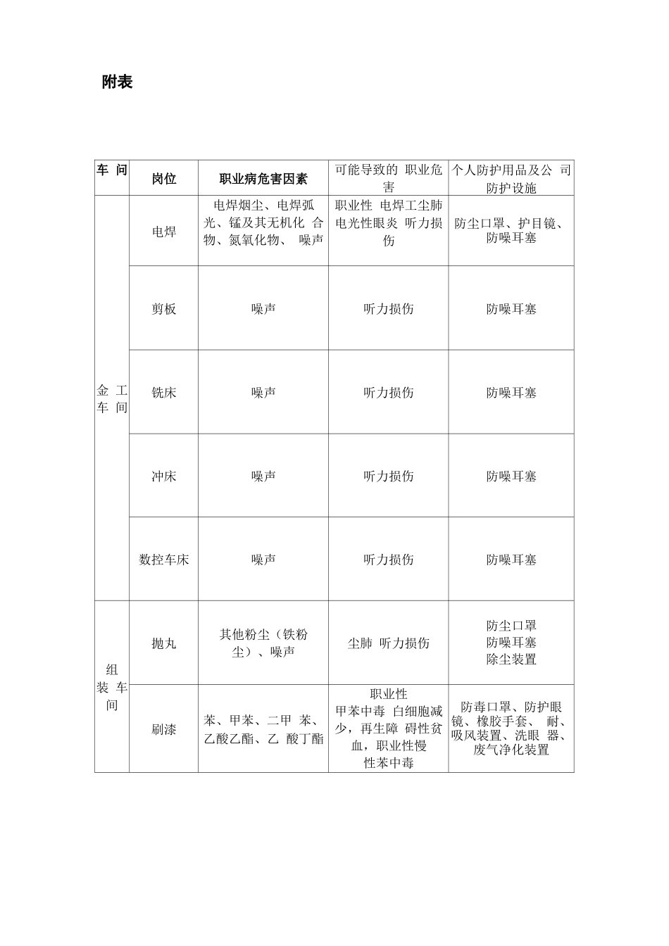
劳动合同职业病危害因素告知书同志:您所在的车间岗位,存在职业病危害因素。如果防护不当,该职业病危害因素可能对您的造成损害。在本岗位,本单位按照国家有关规定,对职业病危害因素采取了职业病防护措施,并对您发放个人防护用品。一旦发生职业病,本单位将按照国家有关法律、法规,为您提供相应待遇。当您的工作岗位发生变更时,请重新与本单位签定劳动合同职业病危害因素告知书。请您履行以下义务:自觉遵守用人单位制定的本岗位职业卫生操作规程和制度;正确使用职业病防护设备和个人职业病防护用品;积极参加职业卫生知识培训;定期参加职业病健康体检;发现职业病危害隐患事故应当及时报告用人单位;树立自我保护意识,积极配合单位管理部门,避免职业病的发生。特此告知。欢迎您随时提出行之有效的预防职业病的建议。单位盖章:本人签字:年月曰年月曰附表车问岗位职业病危害因素可能导致的职业危害个人防护用品及公司防护设施金工车间电焊电焊烟尘、电焊弧光、锰及其无机化合物、氮氧化物、噪声职业性电焊工尘肺电光性眼炎听力损伤防尘口罩、护目镜、防噪耳塞剪板噪声听力损伤防噪耳塞铣床噪声听力损伤防噪耳塞冲床噪声听力损伤防噪耳塞数控车床噪声听力损伤防噪耳塞组装车间抛丸其他粉尘(铁粉尘)、噪声尘肺听力损伤防尘口罩防噪耳塞除尘装置刷漆苯、甲苯、二甲苯、乙酸乙酯、乙酸丁酯职业性甲苯中毒白细胞减少,再生障碍性贫血,职业性慢性苯中毒防毒口罩、防护眼镜、橡胶手套、耐、吸风装置、洗眼器、废气净化装置调漆间苯、甲苯、二甲苯、乙酸乙酯、乙酸丁酯职业性甲苯中毒白细胞减少,再生障碍性贫血,职业性慢性苯中毒防毒口罩、防护眼镜、橡胶手套、耐、吸风装置、洗眼器、废气净化装置火焰切割其他粉尘(铁粉尘)、噪声尘肺听力损伤防尘口罩防噪耳塞除尘装置涂胶苯、甲苯、二甲苯、乙酸乙酯、乙酸丁酯职业性甲苯中毒白细胞减少,再生障碍性贫血,职业性慢性苯中毒防毒口罩、防护眼镜、橡胶手套、耐、吸风装置、洗眼器、废气净化装置硫化车间硫化硫化氢、二氧化硫、高温职业性中暑休息室、轴流风机炼胶车间炼胶岗位硫化氢、二氧化硫、炭黑粉尘、噪声、高温职业性中暑炭黑尘肺休息室、轴流风机防尘口罩

1、当您付费下载文档后,您只拥有了使用权限,并不意味着购买了版权,文档只能用于自身使用,不得用于其他商业用途(如 [转卖]进行直接盈利或[编辑后售卖]进行间接盈利)。
2、本站所有内容均由合作方或网友上传,本站不对文档的完整性、权威性及其观点立场正确性做任何保证或承诺!文档内容仅供研究参考,付费前请自行鉴别。
3、如文档内容存在违规,或者侵犯商业秘密、侵犯著作权等,请点击“违规举报”。

碎片内容

劳动合同职业病危害告知书

您可能关注的文档

确认删除?
VIP
微信客服
  • 扫码咨询
会员Q群
  • 会员专属群点击这里加入QQ群
客服邮箱
回到顶部