电脑桌面
添加小米粒文库到电脑桌面
安装后可以在桌面快捷访问

创建安全生产标准化车间班组评分细则

创建安全生产标准化车间班组评分细则_第1页
1/8
创建安全生产标准化车间班组评分细则_第2页
2/8
创建安全生产标准化车间班组评分细则_第3页
3/8
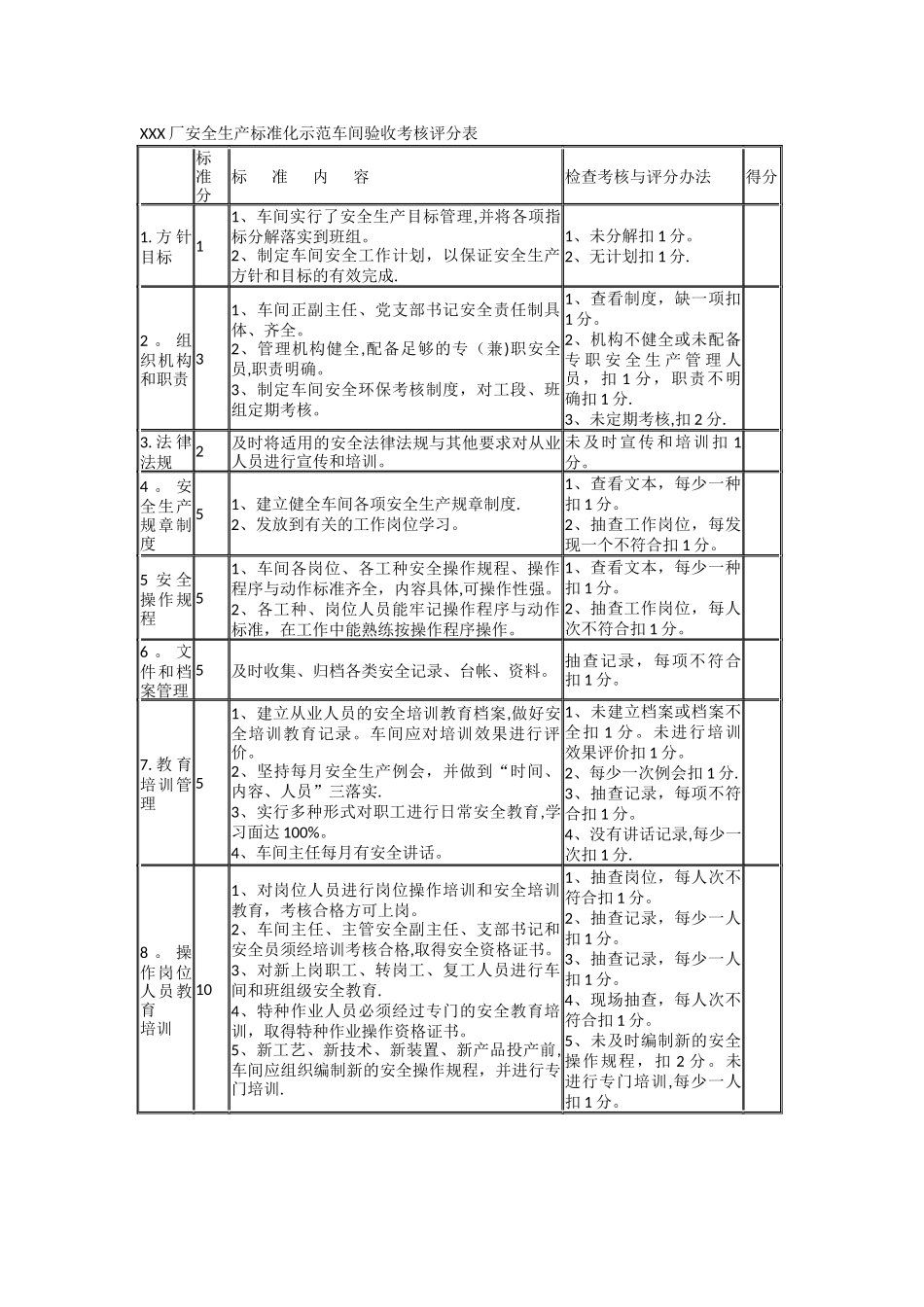
XXX 厂安全生产标准化示范车间验收考核评分表 标准分标 准 内 容检查考核与评分办法得分1. 方 针目标11、车间实行了安全生产目标管理,并将各项指标分解落实到班组。2、制定车间安全工作计划,以保证安全生产方针和目标的有效完成.1、未分解扣 1 分。2、无计划扣 1 分. 2 。 组织机构和职责31、车间正副主任、党支部书记安全责任制具体、齐全。 2、管理机构健全,配备足够的专(兼)职安全员,职责明确。3、制定车间安全环保考核制度,对工段、班组定期考核。1、查看制度,缺一项扣1 分。2、机构不健全或未配备专 职 安 全 生 产 管 理 人员,扣 1 分,职责不明确扣 1 分.3、未定期考核,扣 2 分. 3. 法 律法规2及时将适用的安全法律法规与其他要求对从业人员进行宣传和培训。未及时宣传和培训扣 1分。 4 。 安全生产规章制度51、建立健全车间各项安全生产规章制度.2、发放到有关的工作岗位学习。1、查看文本,每少一种扣 1 分。2、抽查工作岗位,每发现一个不符合扣 1 分。 5 安 全操作规程51、车间各岗位、各工种安全操作规程、操作程序与动作标准齐全,内容具体,可操作性强。2、各工种、岗位人员能牢记操作程序与动作标准,在工作中能熟练按操作程序操作。1、查看文本,每少一种扣 1 分。2、抽查工作岗位,每人次不符合扣 1 分。 6 。 文件和档案管理5及时收集、归档各类安全记录、台帐、资料。 抽查记录,每项不符合扣 1 分。 7. 教 育培训管理51、建立从业人员的安全培训教育档案,做好安全培训教育记录。车间应对培训效果进行评价。2、坚持每月安全生产例会,并做到“时间、内容、人员”三落实.3、实行多种形式对职工进行日常安全教育,学习面达 100%。4、车间主任每月有安全讲话。1、未建立档案或档案不全扣 1 分。未进行培训效果评价扣 1 分。2、每少一次例会扣 1 分.3、抽查记录,每项不符合扣 1 分。4、没有讲话记录,每少一次扣 1 分. 8 。 操作岗位人员教育培训101、对岗位人员进行岗位操作培训和安全培训教育,考核合格方可上岗。2、车间主任、主管安全副主任、支部书记和安全员须经培训考核合格,取得安全资格证书。3、对新上岗职工、转岗工、复工人员进行车间和班组级安全教育.4、特种作业人员必须经过专门的安全教育培训,取得特种作业操作资格证书。5、新工艺、新技术、新装置、新产品投产前,车间应组织编制新的安全操作规程,并进行专门培训.1、抽查岗位,每人次...

1、当您付费下载文档后,您只拥有了使用权限,并不意味着购买了版权,文档只能用于自身使用,不得用于其他商业用途(如 [转卖]进行直接盈利或[编辑后售卖]进行间接盈利)。
2、本站所有内容均由合作方或网友上传,本站不对文档的完整性、权威性及其观点立场正确性做任何保证或承诺!文档内容仅供研究参考,付费前请自行鉴别。
3、如文档内容存在违规,或者侵犯商业秘密、侵犯著作权等,请点击“违规举报”。

碎片内容

创建安全生产标准化车间班组评分细则

确认删除?
VIP
微信客服
  • 扫码咨询
会员Q群
  • 会员专属群点击这里加入QQ群
客服邮箱
回到顶部