电脑桌面
添加小米粒文库到电脑桌面
安装后可以在桌面快捷访问

焊接工艺评定任务书VIP免费

焊接工艺评定任务书_第1页
1/10
焊接工艺评定任务书_第2页
2/10
焊接工艺评定任务书_第3页
3/10
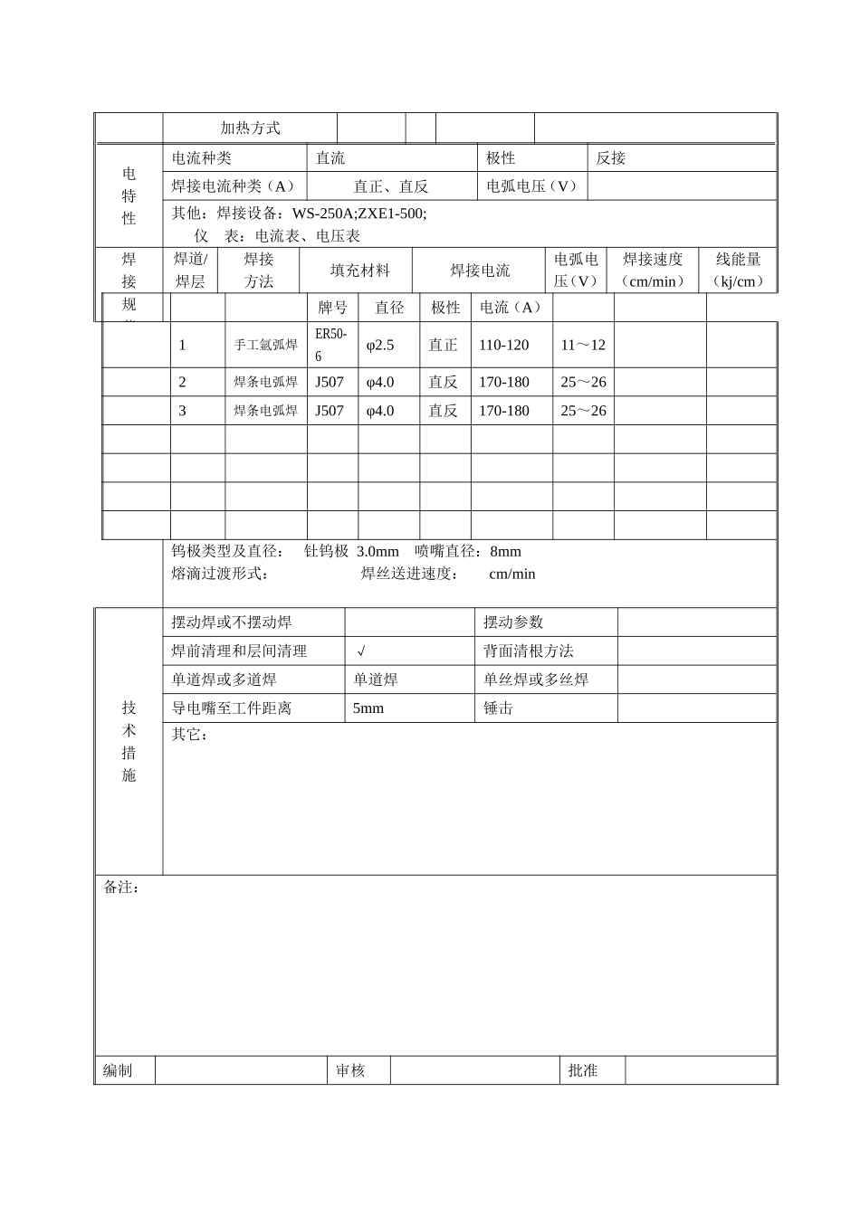
焊接工艺评定任务书编号:OLB/03JS-JL15A任务书编号HPR2010-005产品名称蒸汽锅炉设备名称氩弧焊机、直流焊接产品型号WNS2-1.25-Y(Q)材料规格焊接位置焊接方法Q245Rδ=8mm锅筒的环缝焊接材料电流种类及极性有无垫板热处理要求ER50-6无无接头坡口形式接头焊缝剖面试板检验项目及要求1.外观检查;2.无损探伤检查(RT);3.力学性能检验(拉伸、面弯、背弯、冲击);4.化学分析、宏观金相;说明焊接工艺评定检验标准:《蒸汽锅炉安全技术监察规程》编制年月日审批年月日序号:OLB/03JS-JL16奥林匹亚锅炉有限公司焊接工艺评定指导书页次第1页共2页焊接工艺指导书编号WPS2010-012焊接工艺评定报告编号PQR2010-012焊接方法氩弧、焊条电弧机械化程度(手工、半自动、自动):手工焊接接头板-板对接简图坡口形式V形坡口衬垫(材料及规格)无其他:母材类别号Ⅰ组别号1与类别号Ⅰ组别号1相焊标准号GB3274钢号Q245R与标准号GB3274钢号Q245R相焊厚度范围:母材:对接焊缝8mm角焊缝焊缝金属厚度范围:对接焊缝min6mm,max16mm角焊缝其他:母材规格:300x150x8两块焊接材料焊材类别焊丝焊条焊材型号焊材牌号ER50-6J507焊材标准GB/T8110-2008GB5117-95其他:焊丝直径:φ2.5耐蚀堆焊金属化学成分(%)CSiMnPSCrNiMoVTiNb其他:焊接位置对接焊缝位置水平焊接方向向上向下角焊缝位置焊接方向焊后热处理温度范围保温时间预热预热温度(允许最低值)焊剂焊剂标准层间温度(允许最低值)焊剂牌号保持预热时间流量(L/min)加热方式电特性电流种类直流极性反接焊接电流种类(A)直正、直反电弧电压(V)其他:焊接设备:WS-250A;ZXE1-500;仪表:电流表、电压表焊接规范焊道/焊层焊接方法填充材料焊接电流电弧电压(V)焊接速度(cm/min)线能量(kj/cm)牌号直径极性电流(A)1手工氩弧焊ER50-6φ2.5直正110-12011~122焊条电弧焊J507φ4.0直反170-18025~263焊条电弧焊J507φ4.0直反170-18025~26钨极类型及直径:钍钨极3.0mm喷嘴直径:8mm熔滴过渡形式:焊丝送进速度:cm/min技术措施摆动焊或不摆动焊摆动参数焊前清理和层间清理√背面清根方法单道焊或多道焊单道焊单丝焊或多丝焊导电嘴至工件距离5mm锤击其它:备注:编制审核批准日期日期日期奥林匹亚锅炉有限公司焊接工艺评定报告页次第1页共2页焊接工艺评定报告编号WPS2010-012焊接工艺指导书编号PQR2010-012焊接方法氩弧焊、焊条电弧焊机械化程度(手工、半自动、自动):手工简图:(坡口形式、尺寸、衬垫、焊接方法、焊缝金属厚度)母材材料标准GB3274焊后热处理温度范围钢号Q245R保温时间类、组别号:Ⅰ-1类、组别号:Ⅰ-1保护气体保护气体氩气厚度:8mm尾部保护气氩气直径:背部保护气复验报告编号:其他其他:附质量证明书电特电流种类直流直流焊接材料焊材标准GB/T8110-2008GB/T5117-95极性直正直反焊材牌号ER50-6J507钨极尺寸3.0mm焊材规格φ2.5φ4.0焊接电流(A)110~120170-190焊缝金属厚度电弧电压(V)11~1223~25其他:其他:保护气体流量:10~11L/min焊接位置对接焊缝位置水平方向技术措施焊接速度角焊缝位置方向摆动焊或不摆动焊摆动参数单道焊或多道焊单焊道预热预热温度(允许最低值)单丝焊或多丝焊层间温度(允许最低值)其他:其它:外观检验裂纹:无夹渣:无未熔合:无未焊透:无咬边长度:无咬边深度:无焊缝与母材过渡:通球试验:序号:OLB/03JS-JL17第2页共2页拉伸试验试样编号试样宽度(mm)试样厚度(mm)横截面积(mm2)断裂载荷(kN)抗拉强度(MPa)断裂部位和特征2010-012-1#25.0310.03251.1124495母材/韧断SB-10-002-2#25.169.51239.3117.64490母材/韧断试验报告编号:20100201-10弯曲试验试样编号试样类型试样厚度(mm)弯心直径(mm)弯曲角度(°)试验结果SB-10-002-3#面弯103t90合格SB-10-002-4#背弯103t90合格SB-10-002-5#面弯103t90合格SB-10-002-6#背弯103t90合格试验报告编号:20100201-10冲击试验试样编号试样尺寸缺口位置试验温度(℃)冲击吸收功(J)备注SB-10-002-7#7.5x10x55焊缝20138平均值123SB-10-002-8#7.5x10x55焊缝20100SB-10-002-9#7.5x10x55焊缝20132SB-10-002-10#7.5x10x55热影响区2093...

1、当您付费下载文档后,您只拥有了使用权限,并不意味着购买了版权,文档只能用于自身使用,不得用于其他商业用途(如 [转卖]进行直接盈利或[编辑后售卖]进行间接盈利)。
2、本站所有内容均由合作方或网友上传,本站不对文档的完整性、权威性及其观点立场正确性做任何保证或承诺!文档内容仅供研究参考,付费前请自行鉴别。
3、如文档内容存在违规,或者侵犯商业秘密、侵犯著作权等,请点击“违规举报”。

碎片内容

焊接工艺评定任务书

确认删除?
VIP
微信客服
  • 扫码咨询
会员Q群
  • 会员专属群点击这里加入QQ群
客服邮箱
回到顶部