电脑桌面
添加小米粒文库到电脑桌面
安装后可以在桌面快捷访问

市光明花园号商住楼施工组织设计

市光明花园号商住楼施工组织设计_第1页
1/103
市光明花园号商住楼施工组织设计_第2页
2/103
市光明花园号商住楼施工组织设计_第3页
3/103
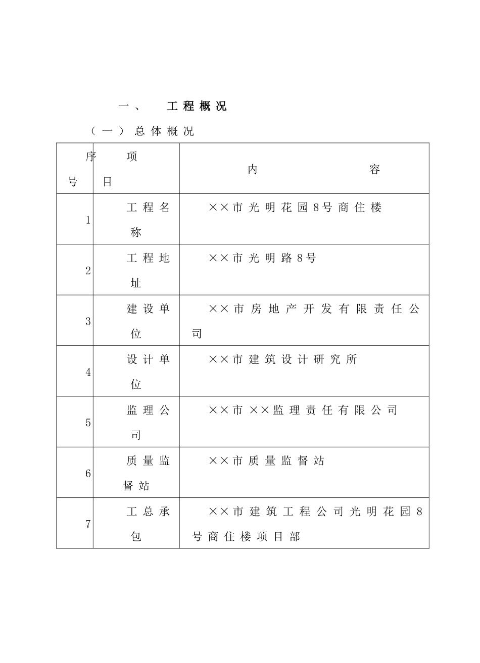
一 、工 程 概 况( 一 ) 总 体 概 况序号项 目内 容1工 程 名称×× 市 光 明 花 园 8 号 商 住 楼2工 程 地址×× 市 光 明 路 8 号3建 设 单位×× 市 房 地 产 开 发 有 限 责 任 公司4设 计 单位×× 市 建 筑 设 计 研 究 所5监 理 公司×× 市 ×× 监 理 责 任 有 限 公 司6质 量 监督 站×× 市 质 量 监 督 站7工 总 承包×× 市 建 筑 工 程 公 司 光 明 花 园 8号 商 住 楼 项 目 部8合 同 性质总 承 包 合 同9投 资 性质自 筹 资 金10合 同 工期290 天11质 量 目标合 格 、 “ 丛 台 杯 ” 用 户 满 意 工程12建 筑 功能商 店 、 住 宅 一 体13建 筑 面积占 地 面 积 ××××m2 、 总 建 筑 面积 ××××m214建 筑 层数共 计 6 层15建 筑 层高底 层 3.2m 、 二 至 六 层 均 为 2.7m16建 筑 高度室 内外 高 差500mm±0.00绝 对 标 高5.3m基 底标 高-3.2m总高度17m17建 筑 防火防 火 等 级 为 二 级( 一 ) 总 体 概 况序号项 目内 容18外 装 修外墙 装饰首 层 为 花 岗 石 石 材 、二 层 以 上 为 米 黄 色 涂料门窗 工程商店均为普通卷帘门 、外 窗 均 为 铝 合 金 窗屋面工程SBSⅡ 型 防 水 层19室 内 装 修地面工程卫 生 间 、 厨 房 为 防 滑地 砖 地 面 、其 他 均 为 水 泥 毛 地 面内墙装修卫 生 间 、 厨 房 为 带 色釉 面 砖 、 其 他 为 仿 瓷 墙 面踢脚室 内 均 为 水 泥 砂 浆 踢脚门窗 工程楼梯间 、 管 道 间防 火 门其 他木 门20防 水 工 程屋面防水SBSⅡ 型 防 水 层卫生间、厨 房SBSⅡ 型 防 水 层( 二 ) 结 构 情 况序号项 目内 容1结 构 形式基础 结 构混 凝 土 满 堂 基 础主体 结 构首 层 框 架 剪 力 墙 、以 上 为 砖 混 结 构2建 筑 物地 基地基 土 质粉 质 黏 土地基 承 载力120kPa3地 下 防水 系 统底 板 抗 渗 混 凝 土4混凝土强 度 等 级C10垫 层C25底 板 、 首 层 混 凝 土序号项 目内 容4混 凝 土强 度 等 级C20二 层 以 上 混 凝 土5抗 震 等级抗震设防等级8 度抗震等 级二 级6钢筋类别一级钢φ6...

1、当您付费下载文档后,您只拥有了使用权限,并不意味着购买了版权,文档只能用于自身使用,不得用于其他商业用途(如 [转卖]进行直接盈利或[编辑后售卖]进行间接盈利)。
2、本站所有内容均由合作方或网友上传,本站不对文档的完整性、权威性及其观点立场正确性做任何保证或承诺!文档内容仅供研究参考,付费前请自行鉴别。
3、如文档内容存在违规,或者侵犯商业秘密、侵犯著作权等,请点击“违规举报”。

碎片内容

市光明花园号商住楼施工组织设计

您可能关注的文档

确认删除?
VIP
微信客服
  • 扫码咨询
会员Q群
  • 会员专属群点击这里加入QQ群
客服邮箱
回到顶部