电脑桌面
添加小米粒文库到电脑桌面
安装后可以在桌面快捷访问

股份有限公司供应商评鉴

股份有限公司供应商评鉴_第1页
1/2
股份有限公司供应商评鉴_第2页
2/2
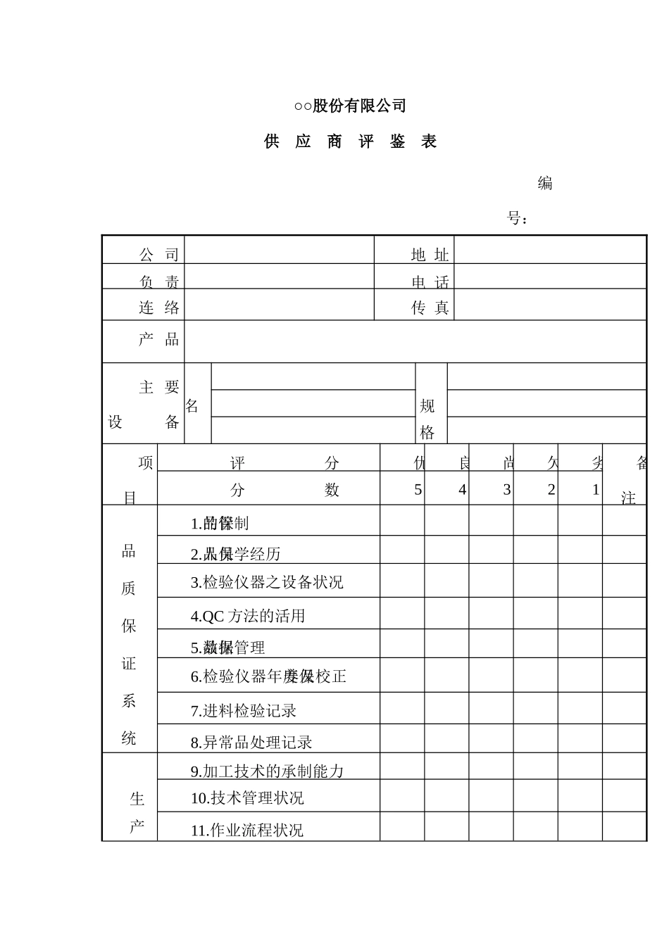
○○股份有限公司供 应 商 评 鉴 表编号:公 司地 址负 责电 话连 络传 真产 品内容主 要设备名 规格项 目评 分优良尚欠劣备 注分 数54321品质保证系统1.品保的管制2.品保人员学经历3.检验仪器之设备状况4.QC 方法的活用5.品保数据管理6.检验仪器年度保养及校正7.进料检验记录8.异常品处理记录生产9.加工技术的承制能力10.技术管理状况11.作业流程状况12.技术人员学经历13.图面管理14.技术资料建文件管理15.机器设备状况16.机器设备保养记录其它17.交货期限状况18.财务状况19.价格状况20.现场环境总计:评鉴等 ABC分 数90分70分至69分(本记录不得擅自涂改) FM0732A

1、当您付费下载文档后,您只拥有了使用权限,并不意味着购买了版权,文档只能用于自身使用,不得用于其他商业用途(如 [转卖]进行直接盈利或[编辑后售卖]进行间接盈利)。
2、本站所有内容均由合作方或网友上传,本站不对文档的完整性、权威性及其观点立场正确性做任何保证或承诺!文档内容仅供研究参考,付费前请自行鉴别。
3、如文档内容存在违规,或者侵犯商业秘密、侵犯著作权等,请点击“违规举报”。

碎片内容

股份有限公司供应商评鉴

您可能关注的文档

确认删除?
VIP
微信客服
  • 扫码咨询
会员Q群
  • 会员专属群点击这里加入QQ群
客服邮箱
回到顶部