电脑桌面
添加小米粒文库到电脑桌面
安装后可以在桌面快捷访问

阀门有限公司质量手册

阀门有限公司质量手册_第1页
1/34
阀门有限公司质量手册_第2页
2/34
阀门有限公司质量手册_第3页
3/34
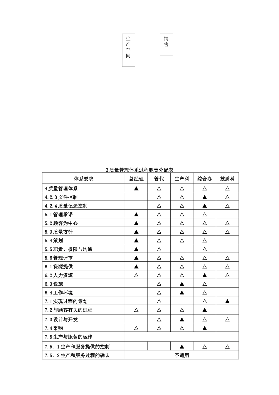
目 录0 审批令 ----------------------------------------------- 21.简介 ------------------------------------------------ 22 组织图 ------------------------------------------------ 33 质量管理体系过程职责分配表----------------------------- 44.质量管理体系------------------------------------------ 44.1 文件控制程序 ---------------------------------------- 64.2 质量记录管理程序 ---------------------------------- 95.0 管理职责 ------------------------------------------ 105.1 质量方针 ------------------------------------------ 105.2 管理策划控制程序------------------------------------ 115.3 职责和权限------------------------------------------ 125.4 管理评审控制程序------------------------------------ 156.0 资源管理-------------------------------------------- 166.1 人力资源 ------------------------------------------- 176.2 设施和工作环境控制程序------------------------------ 187.0 产品实现 ------------------------------------------- 237.1 实现过程的策划程序 --------------------------------- 237.2 顾客相关过程控制程序------------------------------- 247.3 设计和/或开发-------------------------- ---- 247.4 采购控制程序--------------------------------------- 257.5 生产和服务的运作控制程序----------------------------267.6 测量和监控装置的控制程序----------------------------298.0 测量、分析和改进 -----------------------------------308.1 顾客满意度测量程序----------------------------------318.2 内部审核程序----------------------------------------328.3 过程和产品测量和监控程序---------------------------- 33 8.4 不合格控制程序-------------------------------------- 348.5 数据分析控制程序------------------------------------ 358.6 改进控制程序---------------------------------------- 36附一:质量目标------------------------------------------37附二:生产工艺流程图----------------------------------38审批令ISO9001 : 2000 质量手册由管理者代表组织编写、审核,总经理批准。 本手册依据 ISO9001:2000 与本公司生产经营的实际...

1、当您付费下载文档后,您只拥有了使用权限,并不意味着购买了版权,文档只能用于自身使用,不得用于其他商业用途(如 [转卖]进行直接盈利或[编辑后售卖]进行间接盈利)。
2、本站所有内容均由合作方或网友上传,本站不对文档的完整性、权威性及其观点立场正确性做任何保证或承诺!文档内容仅供研究参考,付费前请自行鉴别。
3、如文档内容存在违规,或者侵犯商业秘密、侵犯著作权等,请点击“违规举报”。

碎片内容

阀门有限公司质量手册

您可能关注的文档

文章天下+ 关注
实名认证
内容提供者

各种文档应有尽有

确认删除?
VIP
微信客服
  • 扫码咨询
会员Q群
  • 会员专属群点击这里加入QQ群
客服邮箱
回到顶部