电脑桌面
添加小米粒文库到电脑桌面
安装后可以在桌面快捷访问

临时用电施工组织设计1VIP免费

临时用电施工组织设计1_第1页
1/22
临时用电施工组织设计1_第2页
2/22
临时用电施工组织设计1_第3页
3/22
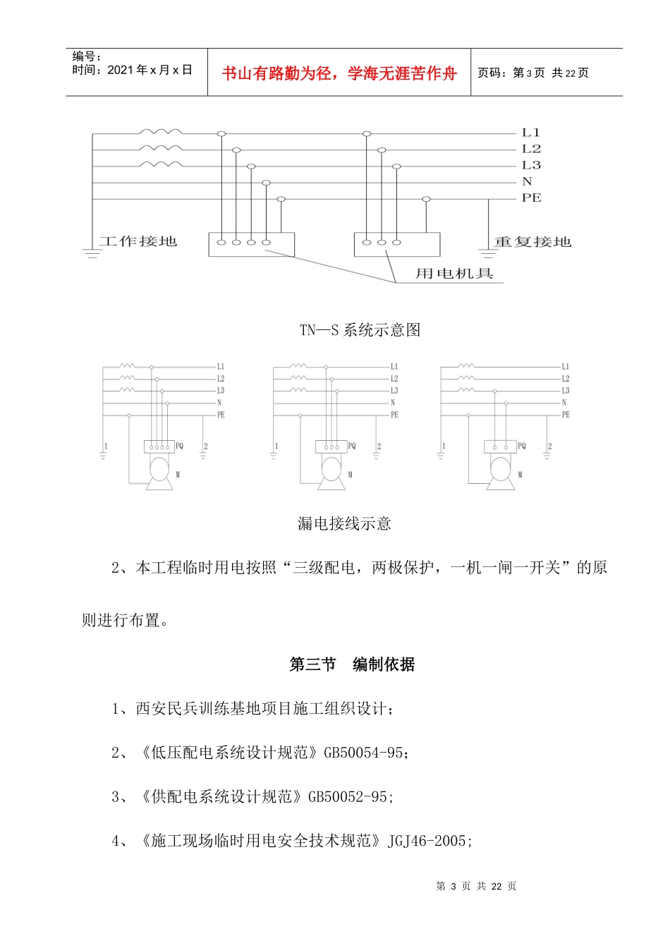
第1页共22页编号:时间:2021年x月x日书山有路勤为径,学海无涯苦作舟页码:第1页共22页西安民兵训练基地及战备配套设施建设项目工程编制:审核:审批:第2页共22页第1页共22页编号:时间:2021年x月x日书山有路勤为径,学海无涯苦作舟页码:第2页共22页编制单位:西安民兵训练基地工程项目部2011年2月19日第一章概况第一节工程概况本工程为西安民兵训练基地及战备配套设施建设项目工程,位于西安市经济技术开区草滩生态园内,尚稷路以北,西安民兵训练基地院内。总建筑面积6663㎡。包括综合楼一栋4280㎡、观礼台一座430㎡、民兵武器装备仓库4个及配套服务用房1953㎡。本工程是由陕西建工集团第十一建筑工程有限公司承包,分阶段同时进行施工。现场电气设备约20台。第二节编制原则1、本项目工程采用TN-S系统中性线与保护零线分开,即三相五线制中性点直接接地。这种接地形式是从电源中性点起专门敷设一根专用的保护零线,这就形成了三相五线制系统。该系统安全可靠性高。第3页共22页第2页共22页编号:时间:2021年x月x日书山有路勤为径,学海无涯苦作舟页码:第3页共22页TN—S系统示意图漏电接线示意2、本工程临时用电按照“三级配电,两极保护,一机一闸一开关”的原则进行布置。第三节编制依据1、西安民兵训练基地项目施工组织设计;2、《低压配电系统设计规范》GB50054-95;3、《供配电系统设计规范》GB50052-95;4、《施工现场临时用电安全技术规范》JGJ46-2005;第4页共22页第3页共22页编号:时间:2021年x月x日书山有路勤为径,学海无涯苦作舟页码:第4页共22页5、《建筑施工手册》;6、《建筑安装工程安全生产文明施工资料手册》;7、现场临时用电设备负荷和配置资料;第二章施工准备第一节技术准备1、现场勘查,合理布置机械,按照总体的布局合理进行临时用电施工方案的确定。2、根据按照《JGJ46-2005》规定制定临时用电施工组织设计。3、供电方案甲方指定电源接入现场,根据电源线路及其供电量大小和现场用电设备的分布情况,现场设总配电室一个,位于西安民兵训练基地院内,分二路供综合楼、武器装备仓库4个及配套服务用房供电,武器装备仓库4个及配套服务用房施工完毕后倒向观礼台供电。配电线路的形式为380/220V三相五线专用保护接零系统。配电室层高大于2.6m,内放一台配电柜,柜下挖电缆沟,所有电缆由沟内进入配电柜,穿过外墙的地沟在电缆敷设完毕后必须封堵严第5页共22页第4页共22页编号:时间:2021年x月x日书山有路勤为径,学海无涯苦作舟页码:第5页共22页实。配电柜正面的操作通道宽度不小于1.5m,后面的维护通道宽度不小于0.8m,侧面的维护通道宽度不小于1m。配电室的门外开,门上配锁,门下设挡鼠板,室内地面铺绝缘橡胶板。电源电缆由业主方配电室埋地引入,并留足够的长度余量,埋设电缆其地沟深度不小于0.8m,并在电缆上下各均匀敷设不小于100mm厚的软土或砂土,沟上盖砖或砼预制板加以保护,过路处加套槽钢保护。由项目部配电柜引出的电缆进入分配电箱,再由分配电箱引出电缆进入开关箱,现场施工机具用电只能在开关箱操作,严禁在分配电箱接电。示意图如图:总电源→配电柜→分配电箱→开关箱→用电机具配电系统图如下(第一路)总配电柜综合楼配电柜武器库配电柜(观礼台配电柜)总电源第6页共22页第5页共22页编号:时间:2021年x月x日书山有路勤为径,学海无涯苦作舟页码:第6页共22页(第二路)第二节材料、人员、作业环境准备根据现场机械的布置情况,做好电缆、电线、标准配电箱以及附材等材料的采供计划。现场配持证专业电工1人,可满足工地要求。现场采用380V低压供电,设一配电总箱,内有计量设备。根据施工现场用电设备布置情况,采用电缆埋地敷设,布置位置及线路走向参见临时配电系统图及现场平面图。第三章施工工艺第一节工艺流程一、埋地电缆施工工艺:人工挖沟槽(深度不小于0.8m)→铺砂垫层→敷设电缆→盖标砖→回填土→在拐角处做水泥桩标记(混凝土)二、施工现场临电配置:1、主要施工机械设备一览表:序号名称型号单位数量单台工作率备注第7页共22页第6页共22页编号:时间:2021年x月x日书山有路勤为径,学海无涯苦作舟页码:第7页...

1、当您付费下载文档后,您只拥有了使用权限,并不意味着购买了版权,文档只能用于自身使用,不得用于其他商业用途(如 [转卖]进行直接盈利或[编辑后售卖]进行间接盈利)。
2、本站所有内容均由合作方或网友上传,本站不对文档的完整性、权威性及其观点立场正确性做任何保证或承诺!文档内容仅供研究参考,付费前请自行鉴别。
3、如文档内容存在违规,或者侵犯商业秘密、侵犯著作权等,请点击“违规举报”。

碎片内容

临时用电施工组织设计1

确认删除?
VIP
微信客服
  • 扫码咨询
会员Q群
  • 会员专属群点击这里加入QQ群
客服邮箱
回到顶部