电脑桌面
添加小米粒文库到电脑桌面
安装后可以在桌面快捷访问

产品发运与召回VIP免费

产品发运与召回_第1页
1/65
产品发运与召回_第2页
2/65
产品发运与召回_第3页
3/65
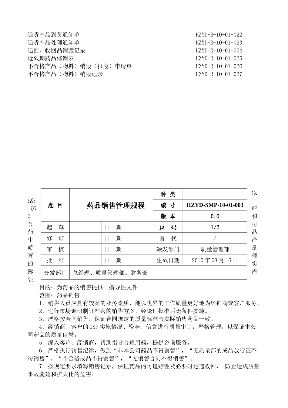
GMP管理文件(第十部分)产品发运与召回目录文件名称文件编号销售计划管理规程HZYD-SMP-10-01-001销售合同管理规程HZYD-SMP-10-01-002药品销售管理规程HZYD-SMP-10-01-003销售记录管理规程HZYD-SMP-10-01-004药品发货管理规程HZYD-SMP-10-01-005药品运输管理规程HZYD-SMP-10-01-006成品退货管理规程HZYD-SMP-10-01-007药品召回管理规程HZYD-SMP-10-01-008经销商(客户)管理规程HZYD-SMP-10-01-009成品入库验收管理规程HZYD-SMP-10-01-010成品在库储存养护管理规程HZYD-SMP-10-01-011效期药品管理规程HZYD-SMP-10-01-012在库成品申请复验工作程序HZYD-SMP-10-01-013记录名称记录编号销售合同登记及执行记录HZYD-R-10-01-001经销商档案HZYD-R-10-01-002经销商(客户)名录HZYD-R-10-01-003检验报告登记表HZYD-R-10-01-004放行证登记表HZYD-R-10-01-005销售记录HZYD-R-10-01-006销售记录管理台帐HZYD-R-10-01-007发货四联单HZYD-R-10-01-008到货通知单HZYD-R-10-01-009成品发运记录HZYD-R-10-01-010成品发运事故处理调查报告HZYD-R-10-01-011成品退货申请单HZYD-R-10-01-012退货记录HZYD-R-10-01-013药品召回记录(一)HZYD-R-10-01-014(1)药品召回记录(二)HZYD-R-10-01-014(2)药品召回通知HZYD-R-10-01-015成品入库总帐HZYD-R-10-01-016成品分类收发台帐HZYD-R-10-01-017拼箱药品成品台帐HZYD-R-10-01-018库存成品循环检查记录HZYD-R-10-01-019成品库存报表HZYD-R-10-01-020产品重新加工通知单HZYD-R-10-01-021退货产品到货通知单HZYD-R-10-01-022退货产品处理通知单HZYD-R-10-01-023退回、收回品销毁记录HZYD-R-10-01-024近效期药品催销表HZYD-R-10-01-025不合格产品(物料)销毁(报废)申请单HZYD-R-10-01-026不合格产品(物料)销毁记录HZYD-R-10-01-027依据:《GMP》和公司药品生产质量管理的实际需要目的:为药品的销售提供一指导性文件范围:药品销售1.销售人员应具有较高的业务素质,能以优异的工作质量更好地为经销商或客户服务。2.进行市场调研制订严密的销售方案,经论证批准后无条件实施。3.严格按合同销售,保证合同规定的质量标准与实际销售药品一致。4.经销商、客户的GSP实施情况、资金、信誉进行质量审计,严格管理,以保证本公司药品的质量信誉。5.深入客户、经销商,帮助指导合理用药,提供咨询服务。6.严格执行销售纪律,做到“非本公司药品不得销售”,“无质量部的成品放行证不得销售”,“不合格成品不得销售”,“无销售合同不得销售”。7.按规定要求填写销售记录,保证药品的可追踪性及必要时迅速收回,防止造成质量事故蔓延和扩大化的危害。题目药品销售管理规程种类编号HZYD-SMP-10-01-003版本0.0起草日期页码1/2修订日期替代∕审核日期颁发部门质量管理部批准日期生效日期2010年08月16日分发部门总经理、质量管理部、财务部8.对退货成品严格管理,特别是不合格品的退货处理。9.对用户意见进行调查分析,及时答复,建立用户意见档案。10.协助公司质量、生产部门处理质量事故和药品不良反应。11.销售应做到“先产先销”、“近期先销”。题目药品销售管理规程种类编号HZYD-SMP-10-01-003版本0.0页码2/2变更历史序号版本变更原因、依据及详细变更内容编写/修改执行日期123456检验报告登记表编号:HZYD-R-10-01-004序号品名规格批号批量报告日期检验单号结论备注放行证登记表编号:HZYD-R-10-01-005序号品名规格批号批量发放日期放行证号结论备注依据:《GMP》、《药品管理法》和公司药品生产质量管理的实际需要目的:为经销商(客户)的管理提供一指导性文件范围:经销商(客户)的管理1.公司的全部产品必须销售给合法的经销商(客户)。2.质量管理部负责会同供销、财务部现场或通过材料共同对经销商(客户)合法资格进行验证。3.合法经销商(客户)的资质证明材料3.1国家药品监督管理部门颁发在效期范围内的药品经营(生产)许可证。3.2省、地、市、县级工商部门颁发在效期范围内的营业执照。4.同时对下列情况进行审计4.1在近三年内有无经营(生产)假、冒、伪劣药品的不良历史记录。4.2在近三年内资金经营状况、银行信誉、销售网络、批发零售网点的...

1、当您付费下载文档后,您只拥有了使用权限,并不意味着购买了版权,文档只能用于自身使用,不得用于其他商业用途(如 [转卖]进行直接盈利或[编辑后售卖]进行间接盈利)。
2、本站所有内容均由合作方或网友上传,本站不对文档的完整性、权威性及其观点立场正确性做任何保证或承诺!文档内容仅供研究参考,付费前请自行鉴别。
3、如文档内容存在违规,或者侵犯商业秘密、侵犯著作权等,请点击“违规举报”。

碎片内容

产品发运与召回

确认删除?
VIP
微信客服
  • 扫码咨询
会员Q群
  • 会员专属群点击这里加入QQ群
客服邮箱
回到顶部