电脑桌面
添加小米粒文库到电脑桌面
安装后可以在桌面快捷访问

义乌医院管网管道安装施工组织设计方案VIP免费

义乌医院管网管道安装施工组织设计方案_第1页
1/9
义乌医院管网管道安装施工组织设计方案_第2页
2/9
义乌医院管网管道安装施工组织设计方案_第3页
3/9
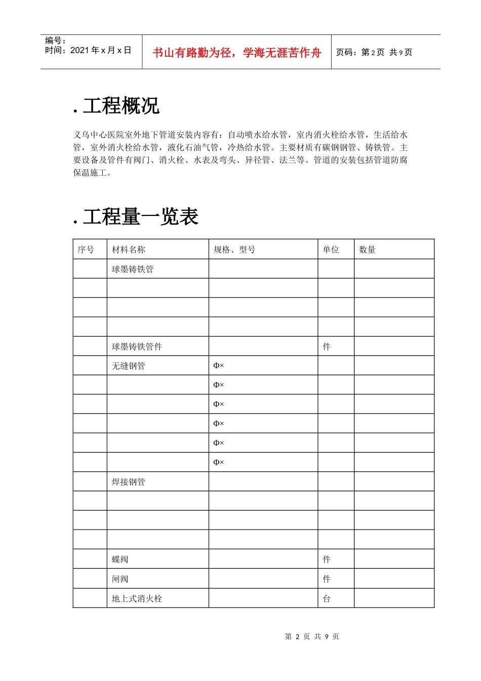
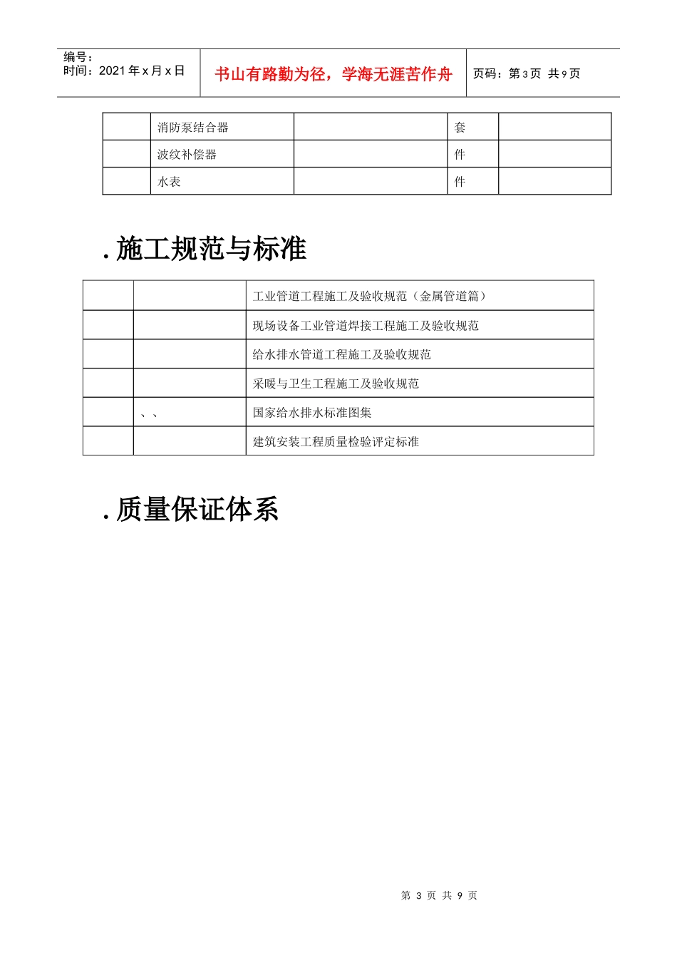
第1页共9页编号:时间:2021年x月x日书山有路勤为径,学海无涯苦作舟页码:第1页共9页目录第一章.工程概况................................................................第二章.工程量一览表............................................................第三章.施工规范与标准..........................................................第四章.质量保证体系............................................................第五章.铸铁管道的安装..........................................................第节施工工艺...............................................................第节管道焊接施工方案.......................................................第2页共9页第1页共9页编号:时间:2021年x月x日书山有路勤为径,学海无涯苦作舟页码:第2页共9页.工程概况义乌中心医院室外地下管道安装内容有:自动喷水给水管,室内消火栓给水管,生活给水管,室外消火栓给水管,液化石油气管,冷热给水管。主要材质有碳钢钢管、铸铁管。主要设备及管件有阀门、消火栓、水表及弯头、异径管、法兰等。管道的安装包括管道防腐保温施工。.工程量一览表序号材料名称规格、型号单位数量球墨铸铁管球墨铸铁管件件无缝钢管Φ×Φ×Φ×Φ×Φ×Φ×焊接钢管蝶阀件闸阀件地上式消火栓台第3页共9页第2页共9页编号:时间:2021年x月x日书山有路勤为径,学海无涯苦作舟页码:第3页共9页消防泵结合器套波纹补偿器件水表件.施工规范与标准工业管道工程施工及验收规范(金属管道篇)现场设备工业管道焊接工程施工及验收规范给水排水管道工程施工及验收规范采暖与卫生工程施工及验收规范、、国家给水排水标准图集建筑安装工程质量检验评定标准.质量保证体系第4页共9页第3页共9页编号:时间:2021年x月x日书山有路勤为径,学海无涯苦作舟页码:第4页共9页.铸铁管道的安装第一节施工工艺前期准备:()指派专人根据提供的施工现场范围内、水准点、原始资料、土建构筑物座标位置及纵横轴线与管道直线位置的距离尺寸,并绘图作记录。()配合土建预埋预留。预埋管口的座标,标高的尺寸必须与土建人员密切配合,特别是标高数据,必须正确,避免偏差,并为今后顺利安装管道提供保证。管沟放线与开挖:()以先深后浅的原则,进行管线的放线测量与开挖。()根据提供的施工现场平面基准点原始资料,以及设计图纸的座标数据,使用钢盘尺、经纬仪,测出管线的实际位置,在地面上打上木桩(中心桩),再在木桩上钉上中心钉,作为放线的基准,并作出标记。其中心桩位置与实际管线的直线位置,有参照距离尺寸(建成立参照点)。()在管系转弯及分支处,也分别在地面上打上中心桩,钉上中心钉,并测出与相邻土建构筑物纵横轴线的直线距离,绘图作出记录。()管沟开挖的断面形式及边坡,根据地下水位的情况按土质而宜,沟底的宽度,在管两侧,有适量的操作与调整控制的距离。()管道应铺设在自然的原土上,根据土质的情况,应先在沟底留有厚度土层,作为最第5页共9页第4页共9页编号:时间:2021年x月x日书山有路勤为径,学海无涯苦作舟页码:第5页共9页终下管前由人工清理沟底及找坡度的余量。()沟底的坡度,采用在沟壁的一侧,相隔一定的长度距离,在沟壁钉上水平桩,用水平仪自设置的控制水准点上引出标高,以确定该桩标高,进行沟底坡度的控制开挖,如图示并作出标号编号及记录。()开挖的弃土堆放。处于管沟一侧,距沟边应大于,且高度不超过,并应统筹兼顾,考虑相邻管沟的开挖及运管、下管等施工操作上的便利而宜。()当管沟的直线性、沟底的宽度及坡度符合要求时,进行工作坑的放线与开挖。()工作坑的放线应从节点开始(铸铁管的弯头、三通等),根据实际管件的长度及管材的长度依次放线,其前后操作的间距距离的宽度如图所示,其深一般应不小于。()视地下水位的情况,在管沟的坡度最底点,挖集水坑,以排除管沟内的积水。()管沟底应铺的砂垫层,由设计或水厂确定,再实施。()当现场适合机械方法挖土时,在沟底应留出不少于的土层厚度,最终铺管前,由人工清理挖至设计标高。材...

1、当您付费下载文档后,您只拥有了使用权限,并不意味着购买了版权,文档只能用于自身使用,不得用于其他商业用途(如 [转卖]进行直接盈利或[编辑后售卖]进行间接盈利)。
2、本站所有内容均由合作方或网友上传,本站不对文档的完整性、权威性及其观点立场正确性做任何保证或承诺!文档内容仅供研究参考,付费前请自行鉴别。
3、如文档内容存在违规,或者侵犯商业秘密、侵犯著作权等,请点击“违规举报”。

碎片内容

义乌医院管网管道安装施工组织设计方案

您可能关注的文档

确认删除?
VIP
微信客服
  • 扫码咨询
会员Q群
  • 会员专属群点击这里加入QQ群
客服邮箱
回到顶部