电脑桌面
添加小米粒文库到电脑桌面
安装后可以在桌面快捷访问

临时施工用电组织设计VIP免费

临时施工用电组织设计_第1页
1/16
临时施工用电组织设计_第2页
2/16
临时施工用电组织设计_第3页
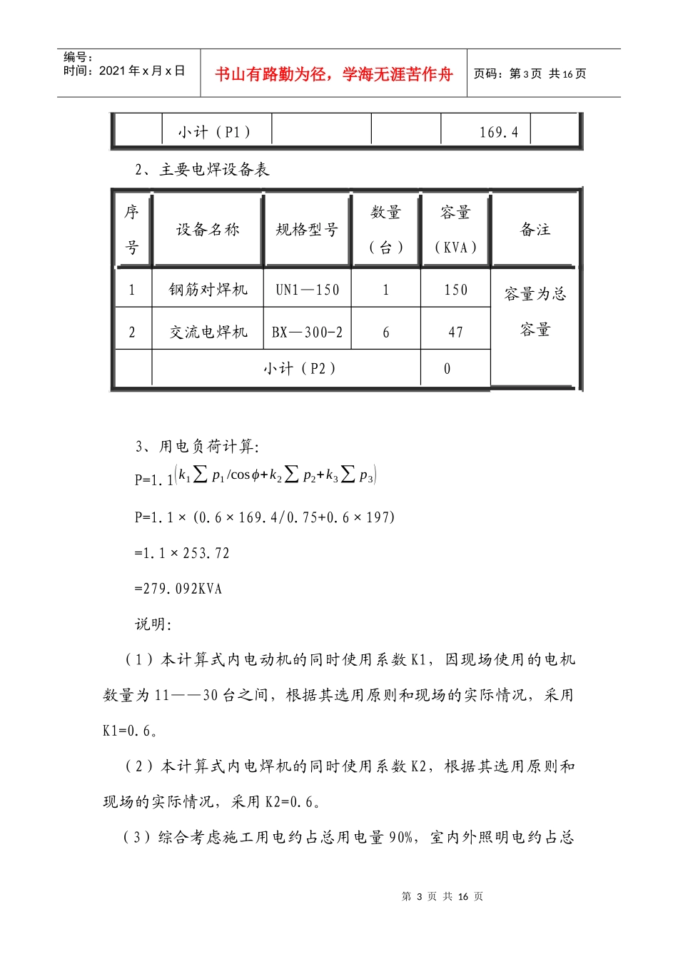
3/16
施工临时用电方案为保证施工现场临时用电安全,配合现场进度、质量、安全、文明施工生产的顺利进行,根据(JGJ46—05)《施工现场临时用电安全技术规范》及《建设工程施工现场供用电安全规范》(GB50104-93)的要求,结合本施工现场的实际情况,编制本工程施工临时用电方案。一、工程概况工程名称工程地址建设单位设计单位监理单位建筑面积建筑总高4#、5#楼高51.15m(±0.000=黄海高程3.600m),8#、19#楼高47.95m(±0.000=黄海高程4.150m),9#、20#楼高59.85m(±0.000黄海高程3.600m),12#、16#楼高80.15m(±0.000=黄海高程4.900m),20A#楼高90.9m(±0.000=黄海高程3.600m)结构类型及层数剪力墙结构;4#楼17层、5#楼18层,8#、19#楼16层,9#、20#楼21层,12#、16#、20A#楼27层。地下车库为框剪结构,D1和D3一层、D2二层层高地下车库:D1、D2、D3为4.20m;4#、5#、8#、9#、12#、16#、19#、20#楼为2.90m;20A#楼地下室为4.15m、其余为3.0m施工电源情况:本工程二期、三期场地东南角、东北角分别有业主提供的总配电房,其中东南角总配电房可用电容量为400KVA,东北角总配电房可用电容量为400KVA,均可用于该工程的施工生产,由于用电设备多,施工工期紧,用电负荷量较大,需严格控制大容量用电设备的同时使用系数。结合现场施工平面布局,以及现场各区域用电需用要求,项目第2页共16页编号:时间:2021年x月x日书山有路勤为径,学海无涯苦作舟页码:第2页共16页部拟将整个现场施工临时用电分为东、西两个区域,东侧区域用东南角总配电房送电(Ⅰ路线),西侧区域用东北角总配电房送电(Ⅱ路线)。二、电器设备及负荷(一)Ⅰ路线的电器设备及负荷1、主要施工电机设备一览表序号设备名称规格型号数量(台)容量(KW/KVA)备注1塔机QTZ80G245容量为总容量2施工电梯4473钢筋弯曲机GBJ7—40264钢筋调直机15.55钢筋切断机GQJ404116木工圆盘锯MJ—104267多级水泵378插入式振捣器HZ—501299平板振动器ZB1144.410搅拌机JZ35037.511污水泵41112其它零星用电10第3页共16页第2页共16页编号:时间:2021年x月x日书山有路勤为径,学海无涯苦作舟页码:第3页共16页小计(P1)169.42、主要电焊设备表序号设备名称规格型号数量(台)容量(KVA)备注1钢筋对焊机UN1—1501150容量为总容量2交流电焊机BX—300-2647小计(P2)03、用电负荷计算:P=1.1(k1∑p1/cosϕ+k2∑p2+k3∑p3)P=1.1×(0.6×169.4/0.75+0.6×197)=1.1×253.72=279.092KVA说明:(1)本计算式内电动机的同时使用系数K1,因现场使用的电机数量为11——30台之间,根据其选用原则和现场的实际情况,采用K1=0.6。(2)本计算式内电焊机的同时使用系数K2,根据其选用原则和现场的实际情况,采用K2=0.6。(3)综合考虑施工用电约占总用电量90%,室内外照明电约占总第4页共16页第3页共16页编号:时间:2021年x月x日书山有路勤为径,学海无涯苦作舟页码:第4页共16页用电量的10%。(4)用电设备功率因素(cos),一般建筑工地取0.75。(5)本计算式内未包含安装工程及装饰工程用电。(6)由于用电负荷量较大,施工工期紧,需严格控制大容量用电设备的同时使用次数。(7)需严格按要求布置电焊机、镝灯等两相用电设备以及单相负荷。尽可能维持供电系统的三相平衡。4、变压器容量计算:考虑功率损失因素,变压器容量为:1.05×279.092=293.0466kVA,293.0466kVA小于变压器容量400kVA,所以满足要求。(二)、Ⅱ路线的电器设备及负荷1、主要施工电机设备一览表序号设备名称规格型号数量(台)容量(KW/KVA)备注1塔机QTZ80G245容量为总2塔机QTZ631353施工电梯5474钢筋弯曲机GBJ7—4066第5页共16页第4页共16页编号:时间:2021年x月x日书山有路勤为径,学海无涯苦作舟页码:第5页共16页容量5钢筋调直机25.56钢筋切断机GQJ406117木工圆盘锯MJ—104268多级水泵379插入式振捣器HZ—5012910平板振动器ZB1142.211搅拌机JZ35037.512污水泵62213其它零星用电15小计(P1)1482、主要电焊设备表序号设备名称规格型号数量(台)容量(KVA)备注1钢筋对焊机UN1—1002100容量为总容量2交流电焊机BX—300-2446.8小计(P2)146.83、用电负荷计算:P=1.1(k1∑p1/cosϕ+k2...

1、当您付费下载文档后,您只拥有了使用权限,并不意味着购买了版权,文档只能用于自身使用,不得用于其他商业用途(如 [转卖]进行直接盈利或[编辑后售卖]进行间接盈利)。
2、本站所有内容均由合作方或网友上传,本站不对文档的完整性、权威性及其观点立场正确性做任何保证或承诺!文档内容仅供研究参考,付费前请自行鉴别。
3、如文档内容存在违规,或者侵犯商业秘密、侵犯著作权等,请点击“违规举报”。

碎片内容

临时施工用电组织设计

确认删除?
VIP
微信客服
  • 扫码咨询
会员Q群
  • 会员专属群点击这里加入QQ群
客服邮箱
回到顶部