电脑桌面
添加小米粒文库到电脑桌面
安装后可以在桌面快捷访问

产品开发协议书VIP免费

产品开发协议书_第1页
1/6
产品开发协议书_第2页
2/6
产品开发协议书_第3页
3/6
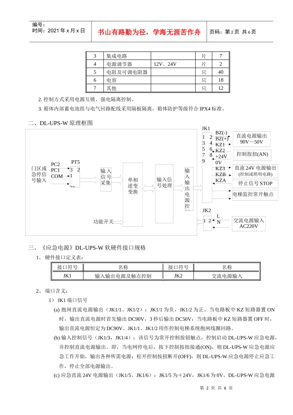
《无机房电梯应急电源》DL-UPS-W技术规格书产品规格书客户(CUSTOMER):产品名称(PRODUCT):无机房电梯应急电源型号及规格(MODEL):DL-UPS-W日期(DATE):2004/12/23承认(APPROVALBY)广东省佛山市顺德区陈村镇鼎力电源设备厂SHUNDEDINGLIPOWERSOURCEEQUIPFACTORY地址:广东省佛山市顺德区陈村镇永兴工业区一路电话(TEL):0757-23350222传真(FAX):0757-23331533转808核准审核拟案第1页共6页编号:时间:2021年x月x日书山有路勤为径,学海无涯苦作舟页码:第1页共6页无机房电梯应急电源《无机房电梯应急电源》DL-UPS-W简介一、DL-UPS-W简介DL-UPS-W产品是适用于无机房电梯的专用应急电源。该产品在没有外电网的情况下,通过人为控制或自动控制实现电梯智能救援,安全可靠。采用模糊控制技术,选用进口优质免维蓄电池,以精细的工艺精心制作,具有性能稳定,结构合理,使用方便,寿命长等特点,是用于无机房电梯应急电源的优良产品。产品主要性能及特点:[1]最大充电电流1.5A;[2]电路设计采用模糊控制技术,自动检测电池电压,进行快速、慢速和浮充的全自动充电转换,采用脉冲式充电,对电池具有良好的充电特性。[3]电路设计具有放电保护功能,当电池放电至规定深度时,电路自动切断输出,保护电池不至于造成因过度放电而永久性损坏,延长电池使用寿命。[4]产品设计的输入电压为AC220V。在电网正常时,对电池进行充电;电网断电时,根据输入控制信号,控制输出90V~50V直流电源和24V直流电源;当电池充足电后,放电时间大于30分钟。[5]产品接线原理图所示接好抱闸线圈、控制电路或照明后,插上220V电源,产品做全自动运行,电网指示红色发光二极管亮,指示电网有电,绿灯强亮表示充电,绿灯微亮表示电已充满。[6]注:※产品长期不用时,至少三个月内须充电一次,连续充电时间大于8小时。※产品长期不用时,当做一次人为充电后(连续充电时间大于8小时)再装箱储存。一、DL-UPS-W设计要求电路板采用双面贴装结构,产品外形尺寸(宽度355mm,长度545mm,高度150mm),安装孔孔径为。1.主要元器件清单见下表:序号元件名称规格单位数量1大功率高速开关管55N20片22定时集成电路片2第2页共6页第1页共6页编号:时间:2021年x月x日书山有路勤为径,学海无涯苦作舟页码:第2页共6页3集成电路片74电源调节器12V、24V片25电阻及可调电阻器只406电容只187其他只122.控制方式采用电源互锁、强电隔离控制。3.箱体内部蓄电池组与电气回路配线采用隔板隔离,箱体防护等级符合IPX4标准。二、DL-UPS-W原理框图三、《应急电源》DL-UPS-W软硬件接口规格1、硬件接口定义表:接口符号名称接口符号名称JK1输入输出电源及触点控制JK2交流电源输入2、端口含义:1)JK1端口信号(a)抱闸直流电源输出(JK1/1、JK1/2):JK1/1为负,JK1/2为正。当电路板中KZ短路器置ON时,输出直流电源时首先输出DC90V,3秒后输出DC50V;当电路板中KZ短路器置OFF时,输出直流电源恒定为DC90V。JK1/1、JK1/2用作控制电梯系统抱闸线圈回路。(b)输入控制信号(JK1/3,JK1/4):该信号为常开控制按钮触点,控制启动DL-UPS-W应急电源,并控制直流电源输出。即,当电网停电后,按下控制按扭接通(ON),则DL-UPS-W应急电源应急工作开始,输出各种所需电源;松开控制按扭断开(OFF),则DL-UPS-W应急电源停止应急工作,停止全部电源输出。(c)应急直流24V电源输出(JK1/5、JK1/6):JK1/5为+24V,JK1/6为0V。DL-UPS-W应急电源PC2PC1COMLNBZ(-)BZ(+)KZ1KZ2+24V0VKZ3KZBKZA单相逆变变换输入信号采集门区或急停信号输入输入信号处理输入输出电源控制123456789JK112JK2交流电源输入AC220V功能开关直流电源输出90V~50V直流24V电源输出(控制或照明电路)控制按扭(AN)停止信号STOP电梯监控常开触点PT532121第3页共6页第2页共6页编号:时间:2021年x月x日书山有路勤为径,学海无涯苦作舟页码:第3页共6页启动后,即输出DC24V电源。用作电梯系统内中间继电器控制电源或应急照明。(d)输入控制信号(JK1/7):该信号与JK1/6组合为一对触点,由电梯控制系统输出。当该触点接通时,控制DL-UPS-W应急电源立即停止抱闸电源输出。(e)输出...

1、当您付费下载文档后,您只拥有了使用权限,并不意味着购买了版权,文档只能用于自身使用,不得用于其他商业用途(如 [转卖]进行直接盈利或[编辑后售卖]进行间接盈利)。
2、本站所有内容均由合作方或网友上传,本站不对文档的完整性、权威性及其观点立场正确性做任何保证或承诺!文档内容仅供研究参考,付费前请自行鉴别。
3、如文档内容存在违规,或者侵犯商业秘密、侵犯著作权等,请点击“违规举报”。

碎片内容

产品开发协议书

确认删除?
VIP
微信客服
  • 扫码咨询
会员Q群
  • 会员专属群点击这里加入QQ群
客服邮箱
回到顶部