电脑桌面
添加小米粒文库到电脑桌面
安装后可以在桌面快捷访问

上海震旦家具有限公司SAP实施专案销售和分销-经销商信用管理流程VIP免费

上海震旦家具有限公司SAP实施专案销售和分销-经销商信用管理流程_第1页
1/24
上海震旦家具有限公司SAP实施专案销售和分销-经销商信用管理流程_第2页
2/24
上海震旦家具有限公司SAP实施专案销售和分销-经销商信用管理流程_第3页
3/24
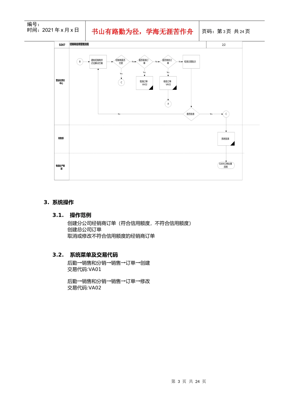
经销商信用管理流程1.流程说明1.1.总述:该流程通过在系统外对预付款的控制;在系统内设置信用额度及应收款帐龄期限,以冻结经销商之不合格订单及其发货等方法,来保障货款安全,降低经营风险。1.2.流程重点:若有超期应收款或(所有未结订单金额-所有预付款)>信用额度,订单被自动冻结,后续所有操作无法进行(包括分公司的采购申请、采购订单、收货和发货等)。1.3.操作要点:1、须50%预付款到帐后,方可进入系统生成订单2、责任中心助理创建对经销商的订单后,应即时查阅其信用额度状况,并通知及时付款3、区财务、总部财务应每日查阅订单冻结报表,并通知物流及营业进行相关处理4、经销商的客户主数据中包括其风险类别及其信用额度的数据,由财务人员维护。1.4.单据流:同SD09_订单处理流程2.流程图营业处责任中心/财务部营业处责任中心经销合同开发经销商SD02顾客主数据维护流程维护信用额度及应收款帐龄数据50%预付款是否到帐通知经销商付款创建销售订单AA无超期应收款且信用满足额度列示被信用冻结的订单冻结订单经销商购销合同BCNoYesYesNoSD07经销商信用管理流程1/2收到货款第3页共24页编号:时间:2021年x月x日书山有路勤为径,学海无涯苦作舟页码:第3页共24页3.系统操作3.1.操作范例创建分公司经销商订单(符合信用额度,不符合信用额度)创建总公司订单取消或修改不符合信用额度的经销商订单3.2.系统菜单及交易代码后勤→销售和分销→销售→订单→创建交易代码:VA01后勤→销售和分销→销售→订单→修改交易代码:VA02B通知经销商并讨论解决方案经销商是否付款是否取消订单取消订单VA02是否修改订单修改订单VA02权责主管批示是否批准A系统批准SD09订单处理流程CCYesNoNoYesYesNoYesNoSD07经销商信用管理流程营业处责任中心物流处产销部财务部2/2第4页共24页第3页共24页编号:时间:2021年x月x日书山有路勤为径,学海无涯苦作舟页码:第4页共24页3.3.系统屏幕及栏位解释3.3.1.创建分公司经销商订单(符合信用额度)栏位名称栏位说明资料范例订单类型订单类型代码ZFXF销售组织销售组织代码F015分销渠道10直销;20经销;30出口;40对分公司销售20部门01家具产品;02服务01销售办事处责任中心代码4079销售组联络处或责任中心代码后三位079备注:应在创建订单前,对经销商信用额度进行手工检查,确定符合信用额度条件按键进入下一个画面。第5页共24页第4页共24页编号:时间:2021年x月x日书山有路勤为径,学海无涯苦作舟页码:第5页共24页栏位名称栏位说明资料范例售达方销售顾客的顾客编号(经销商编号以9921+六位流水码)9921000010送达方收货顾客的顾客编号(交货地址与顾客发票地址不同,则需维护送达方顾客主数据)9921000010订单编号合同编号(此栏位必输)TESTSD106请求交货日期希望交货的日期2001/03/01物料物料编号100183订单数量2500保存订单,系统给出订单编号3.3.2.创建分公司经销商订单(不符合信用额度)在上述订单中增加订货数量,使超出信用额度。第6页共24页第5页共24页编号:时间:2021年x月x日书山有路勤为径,学海无涯苦作舟页码:第6页共24页说明:对于新输入ITEM确定发送/确认日期按<复制>键进入下一画面第7页共24页第6页共24页编号:时间:2021年x月x日书山有路勤为径,学海无涯苦作舟页码:第7页共24页说明:系统提示未清项目的账龄已经超出规定。例如:公司设定顾客未清项目的账龄为:30天;当顾客未清项目的账龄超出30天时,系统给于提示,并自动取消后续订单ITEM的计划行。按<复制>键进入下一画面第8页共24页第7页共24页编号:时间:2021年x月x日书山有路勤为径,学海无涯苦作舟页码:第8页共24页双击第二行,进入下一画面第9页共24页第8页共24页编号:时间:2021年x月x日书山有路勤为径,学海无涯苦作舟页码:第9页共24页按<保存>键保存订单第10页共24页第9页共24页编号:时间:2021年x月x日书山有路勤为径,学海无涯苦作舟页码:第10页共24页说明:因为经销商信用额度超出,系统提示文档不完全,按<编辑>键进入下一画面第11页共24页第10页共24页编号:时间:2021年x月x日书山有路勤为径,学海无涯苦作舟页码:第11页共24页说明:系统提...

1、当您付费下载文档后,您只拥有了使用权限,并不意味着购买了版权,文档只能用于自身使用,不得用于其他商业用途(如 [转卖]进行直接盈利或[编辑后售卖]进行间接盈利)。
2、本站所有内容均由合作方或网友上传,本站不对文档的完整性、权威性及其观点立场正确性做任何保证或承诺!文档内容仅供研究参考,付费前请自行鉴别。
3、如文档内容存在违规,或者侵犯商业秘密、侵犯著作权等,请点击“违规举报”。

碎片内容

上海震旦家具有限公司SAP实施专案销售和分销-经销商信用管理流程

您可能关注的文档

确认删除?
VIP
微信客服
  • 扫码咨询
会员Q群
  • 会员专属群点击这里加入QQ群
客服邮箱
回到顶部