电脑桌面
添加小米粒文库到电脑桌面
安装后可以在桌面快捷访问

XXXX版楷体版施工分册表格部分1VIP免费

XXXX版楷体版施工分册表格部分1_第1页
1/133
XXXX版楷体版施工分册表格部分1_第2页
2/133
XXXX版楷体版施工分册表格部分1_第3页
3/133
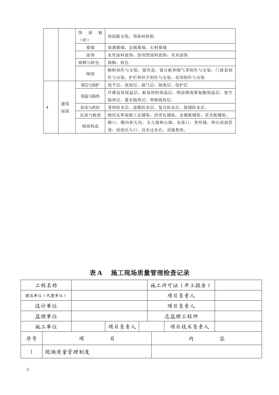
2012年版建筑工程分部分项划分表序号分部工程子分部工程分项工程1地基与基础无支护土方土方开挖,土方回填。有支护土方排桩,降水与排水,地下连续墙,混凝土灌注桩(钢筋笼),锚杆与土钉支护,加筋水泥土桩,沉井与沉箱,钢或混凝土支撑。地基处理子分部工程灰土地基、砂和砂石地基,土工合成材料地基,粉煤灰地基,强夯地基,振冲地基,砂桩地基,预压地基,高压喷射注浆地基,土和灰土挤密桩地基,注浆地基,水泥粉煤灰碎石桩地基,夯实水泥土桩地基,水泥土搅拌桩地基,大直径现浇砼管桩复合地基。桩基静力压桩,预应力管桩,钢筋混凝土预制桩,钢桩,混凝土灌注桩(钢筋笼)。地下防水防水混凝土,水泥砂浆防水层,卷材防水层,涂料防水层,金属板防水层,塑料板防水层,细部构造,喷锚支护,复合式衬砌,地下连续墙,沉井,盾构隧道;渗排水、盲沟排水,隧道排水,坑道排水;塑料排水板排水,预注浆、后注浆,膨润土防水材料防水层。混凝土基础模板、钢筋、混凝土,后浇带混凝土,混凝土结构缝处理。砌体基础砖砌体,混凝土小型空心砌块砌体,配筋砖砌体,石砌体,填充墙砌体,夹心复合墙。钢结构焊接钢结构、栓接钢结构、钢结构制作,钢结构安装,钢结构涂装2主体结构混凝土结构模板,钢筋,混凝土,预应力、现浇结构,装配式结构砌体结构砖砌体,混凝土小型空心砌块砌体,配筋砖砌体,石砌体,填充墙砌体,夹心复合墙。钢结构钢结构焊接,紧固件连接,钢零部件加工,钢构件组装及预拼装,单层钢结构安装,多层及高层钢结构安装,钢构件组装,钢构件预拼装,空间格构钢结构制作,空间格构钢结构安装,压型金属板,防腐涂料涂装,防火涂料涂装、天沟安装、雨棚安装。木结构方木和原木结构,胶合木结构,轻型木结构,节点连接,木构件防护,木框架结构、木屋架结构,木屋盖结构。3建筑装饰装修地面整体面层:基层,水泥混凝土面层,水泥砂浆面层,水磨石面层,防油渗面层,水泥钢(铁)悄面层,不发火(防爆的)面层;板块面层:其层,砖面层(陶瓷锦砖、缸砖、陶瓷地砖和水泥花砖面层),大理石面层和花岗岩面层,预制板块面层(预制水泥混凝土、水磨石板块面层),料石面层(条石、块石面层),塑料板面层,活动地板面层,地毯面层;木竹面层;基层、实木地板面层(条材、块材面层),实木复合地板面层(条材、块材面层),中密度(强化)复合地板面层(条材面层),竹地板面层。抹灰一般抹灰,保温墙体抹灰,装饰抹灰,清水砌体勾缝。门窗木门窗制作与安装,金属门窗安装,塑料门窗安装,特种门安装,门窗玻璃安装吊顶整体面板吊顶,活动板块吊顶,格栅吊顶。轻质隔墙板材隔墙、骨架隔墙、活动隔墙、玻璃隔墙1饰面板(砖)饰面板安装,饰面砖粘贴幕墙玻璃幕墙,金属幕墙,石材幕墙涂饰水性涂料涂饰,溶剂型涂料涂饰,美术涂饰裱糊与软包裱糊、软包细部橱柜制作与安装,窗帘盒、窗台板和暖气罩制作与安装,门窗套制作与安装,护栏和扶手制作与安装,花饰制作与安装4建筑屋面基层与保护找平层,找坡层,隔气层,隔离层,保护层保温与隔热纤维毡体保温层,板装材料保温层,喷涂硬泡聚氨酯保温层,架空隔热层,蓄水隔热层,种植隔热层。防水与密封卷材防水层,涂膜防水层,复合防水层,接缝防水层。瓦面与板面烧结瓦和混凝土瓦铺装,沥青瓦铺装,金属板铺装,采光板铺装。细部构造檐口,檐沟和天沟,女儿墙和山墙,水落口,变形缝,伸出屋面管道,屋面出入口,反水过水孔,设施基座。表A施工现场质量管理检查记录工程名称施工许可证(开工报告)建设单位(代建单位)项目负责人设计单位项目负责人监理单位总监理工程师施工单位项目负责人项目技术负责人序号项目内容1现场质量管理制度22质量责任制3主要专业工种操作岗位证书4分包方资质与对分包单位的管理制度5施工图审查情况6地质勘察资料7施工组织设计、施工方案及审批8施工技术标准9工程质量检验制度10搅拌站及计量设置11现场材料、设备存放与管理自查结果:施工单位负责人:年月日检查结论:总监理工程师:(建设单位项目负责人)年月日3表B.0.1单位(子单位)工程质量竣工验收记录工程名称结构类型层数/建筑面积/施工单位...

1、当您付费下载文档后,您只拥有了使用权限,并不意味着购买了版权,文档只能用于自身使用,不得用于其他商业用途(如 [转卖]进行直接盈利或[编辑后售卖]进行间接盈利)。
2、本站所有内容均由合作方或网友上传,本站不对文档的完整性、权威性及其观点立场正确性做任何保证或承诺!文档内容仅供研究参考,付费前请自行鉴别。
3、如文档内容存在违规,或者侵犯商业秘密、侵犯著作权等,请点击“违规举报”。

碎片内容

XXXX版楷体版施工分册表格部分1

确认删除?
VIP
微信客服
  • 扫码咨询
会员Q群
  • 会员专属群点击这里加入QQ群
客服邮箱
回到顶部